EVEREX SYSTEMS, INC.
MICROENHANCER EV-653
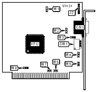
|
Category |
Video |
|
Video Types Supported |
EGA/Monochrome |
|
Video Processor |
Unidentified |
|
Highest Resolution Supported |
640 x 350 |
|
Data Bus Type |
8-bit ISA |
|
Memory Type |
DRAM |
|
Maximum Onboard Memory |
256KB (Exact location of memory is unidentified) |
|
CONNECTIONS | |||
|
Purpose |
Location |
Purpose |
Location |
|
15-pin analog video port |
CN1 |
Light pen connector |
J2 |
|
I/O PORT ADDRESS CONFIGURATION | ||
|
Address |
W3 | |
| » |
3xx |
Pins 1 & 2 closed |
|
2xx |
Pins 2 & 3 closed | |
|
SLOT LOCATION SELECTION | ||
|
Setting |
W5 | |
| » |
Card is not installed in slot 8 |
Closed |
|
Card is installed in slot 8 |
Open | |
|
VIDEO INTERRUPT SELECTION | ||||
|
IRQ |
W6 |
W7 |
W8 | |
| » |
NMI |
Closed |
Closed |
N/A |
|
2 |
Open |
Open |
N/A | |
|
3 |
Open |
Closed |
Pins 1 & 2 closed | |
|
5 |
Open |
Closed |
Pins 2 & 3 closed | |
|
MONITOR TYPE SELECTION | |||||
|
Type |
W2 |
SW1/1 |
SW1/2 |
SW1/3 |
SW1/4 |
|
Enhanced 80 x 25 |
Pins 2 & 3 closed |
Off |
On |
On |
Off |
|
Enhanced color 80 x 25 |
Pins 2 & 3 closed |
On |
On |
On |
Off |
|
Color 80 x 25 |
Pins 1 & 2 closed |
Off |
Off |
Off |
On |
|
Color 40 x 24 |
Pins 1 & 2 closed |
On |
Off |
Off |
On |
|
Monochrome |
Pins 1 & 2 closed |
Off |
Off |
On |
Off |
|
DUAL MONITOR CONFIGURATION | |||||
|
Primary (Micro Enhanced) |
Secondary |
SW1/1 |
SW1/2 |
SW1/3 |
SW1/4 |
|
Enhanced 80 x 25 |
Monochrome |
Off |
On |
On |
Off |
|
Enhanced color 80 x 25 |
Monochrome |
On |
On |
On |
Off |
|
Color 80 x 25 |
Monochrome |
Off |
Off |
Off |
On |
|
Color 40 x 24 |
Monochrome |
On |
Off |
Off |
On |
|
Monochrome |
Color 80 x 25 |
Off |
Off |
On |
Off |
|
Monochrome |
Color 40 x 24 |
On |
Off |
On |
Off |
|
DUAL MONITOR CONFIGURATION | |||||
|
Primary |
Secondary (Micro Enhanced) |
SW1/1 |
SW1/2 |
SW1/3 |
SW1/4 |
|
Monochrome |
Enhanced 80 x 25 |
Off |
Off |
On |
On |
|
Monochrome |
Enhanced color 80 x 25 |
On |
Off |
On |
On |
|
Monochrome |
Color 80 x 25 |
Off |
On |
On |
On |
|
Monochrome |
Color 40 x 24 |
On |
On |
On |
On |
|
Color 80 x 25 |
Monochrome |
Off |
On |
Off |
On |
|
Color 40 x 24 |
Monochrome |
On |
On |
Off |
On |
|
FACTORY CONFIGURED - DO NOT ALTER | |
|
Jumper |
Position |
|
W1 |
Open |
|
W4 |
Pins 1 & 2 closed |