DTK COMPUTER. INC.

PTI-206A EGA PRINTER

Card Type

Parallel card, Video card

Video Chip Set

Unidentified

Highest Resolution Supported

720 x 350

Maximum Video Memory

256KB RAM (type unidentified)

Data Bus

8-bit ISA

Video Types Supported

EGA

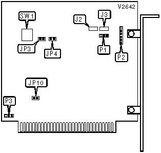
CONNECTIONS

Function

Label

Function

Label

Feature connector

J4

25-pin parallel port

Location unidentified

Light Pen Interface

P2

9-pin digital video port

Location unidentified

USER CONFIGURABLE SETTINGS

Function

Label

Position

»

Secondary red output on pin 2 of the direct drive interface connector is for use of an enhanced color monitor

P1

Pins 1 & 2 closed

 

Pin 2 of the direct drive interface connector connected to the ground is

for use of a color monitor

P1

Pins 2 & 3 closed

»

EGA addresses selected at 3XX

P3

Pins 1 & 2 closed

 

EGA addresses selected at 2XX (not supported by BIOS)

P3

Pins 2 & 3 closed

»

Factory configured - do not alter

SW1/5

On

»

Factory configured - do not alter

SW1/6

On

PARALLEL PORT CONFIGURATION

Setting

JP3

JP4

JP10

»

LPT1

Closed

Closed

Open

 

LPT2

Open

Closed

Closed

 

Disabled

N/A

Open

N/A

EGA ADAPTER CONFIGURATION (PRIMARY)

Enhanced

Monochrome

Color

SW1/1

SW1/2

SW1/3

SW1/4

Color Display 40x25

Secondary

N/A

On

Off

Off

On

Color Display 80x25

Secondary

N/A

On

Off

Off

Off

Emulation mode

Secondary

N/A

Off

On

On

On

High Res. Mode

Secondary

N/A

Off

On

On

Off

Monochrome

N/A

Secondary 40x25

Off

On

Off

On

Monochrome

N/A

Secondary 80x25

Off

On

Off

Off

EGA ADAPTER CONFIGURATION (SECONDARY)

Enhanced

Monochrome

Color

SW1/1

SW1/2

SW1/3

SW1/4

Color Display 40x25

Primary

N/A

On

On

On

On

Color Display 80x25

Primary

N/A

On

On

On

Off

Emulation mode

Primary

N/A

On

On

Off

On

High Res. Mode

Primary

N/A

On

On

Off

Off

Monochrome

N/A

Primary 40x25

On

Off

On

On

Monochrome

N/A

Primary 80x25

On

Off

On

Off

MISCELLANEOUS TECHNICAL NOTES

Note: The purpose of SW1/7 and SW1/8 is unidentified.