TOSHIBA

T1100PLUS MODEM/T3100 MODEM

Card Type

Modem (asynchronous)

Chip Set

Unidentified

Maximum Data Rate

1200bps

Data Bus

Internal/Toshiba bus

Data Modulation Protocol

Bell 103/212A

ITU-T V.21, V.22

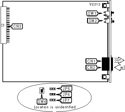
CONNECTIONS

Function

Label

Function

Label

Line out

CN1

Proprietary connection to computer

CN3

Line in

CN2

Power switch

SW1

USER CONFIGURABLE SETTINGS

Setting

Label

Position

í Bell mode enabled

SW2

BEL

ITU-T (CCITT) mode enabled

SW2

CCI

í DTR forced high

JP5

Pins 2 & 3 closed

DTR normal

JP5

Pins 1 & 2 closed

í CD signal forced high

JP6

Pins 2 & 3 closed

CD signal normal

JP6

Pins 1 & 2 closed

í RJ-11 jack installed

JP7

Pins 1 & 2 closed

RJ-12/13 jack installed

JP7

Pins 2 & 3 closed

SERIAL PORT ADDRESS

Setting

SW6

COM1 (3F8h)

Up

COM2 (2F8h)

Down

Note: Only T3100 has SW6, T1100PLUS is defaulted to COM2

SUPPORTED COMMAND SET

Basic AT Commands

AT, ‘+++’, ‘Comma’, A/

A, C, D, E, F, H, M, O, P, Q, S, T, V, X, Z

S Registers

S0, S1, S2, S3, S4, S5, S6, S7, S8, S9, S10, S11, S12

Note: See MHI Help file for full command documentation.

Proprietary AT Command Set

BIT-MAPPED REGISTER S13

Format:

AT [cmds] S13=n [cmds]

Default:

Unidentified

Range:

0-220

Description:

Controls result codes, parity, buffer overflow flag, and data bits.

Bit

Value

Function

1, 0

0

Not used

1

0

1

Basic result codes enabled

Extended result codes enabled

2

0

1

Parity disabled

Parity enabled

3

0

1

Odd parity

Even parity

4

0

1

7 data bits

8 data bits

5

0

Not used

6

0

1

Buffer overflow flag disabled

Buffer overflow flag enabled, ERROR result code sent

7

0

1

8th data bit set to space when bit 4 value is 1

8th data bit set to mark when bit 4 value is 1

BIT-MAPPED REGISTER S14

Format:

AT [cmds] S14=n [cmds]

Default:

Unidentified

Range:

0-238

Description:

Controls echo, result codes, pulse/tone dialing, and speaker control

Bit

Value

Function

0

í 0

Not used

1

0

1

Local echo disabled

Local echo enabled

2

0

1

Result codes enabled

Result codes disabled

3

0

1

Numeric result codes

Verbose result codes

4

í 0

Not used

5

0

1

Pulse dialing

Tone dialing

6

0

1

Not used

Speaker on until carrier detected

7

0

1

Not used

Speaker always on

BIT-MAPPED REGISTER S15

Format:

AT [cmds] S15=n [cmds]

Default:

Unidentified

Range:

0-110

Description:

Controls DCE speed, answer/originate mode, duplex, and carrier signal

Bit

Value

Function

1, 0

00

01

10

11

Not used

110bps

300bps

1200bps

2

0

1

Answer mode enabled

Originate mode enabled

3

0

1

Half-duplex enabled

Full-duplex enabled

5, 4

00

01

10

11

Not used

110bps

300bps

1200bps

6

0

1

Carrier disabled

Carrier enabled

BIT-MAPPED REGISTER S17

Format:

AT [cmds] S17=n [cmds]

Default:

Unidentified

Range:

0-255

Description:

Controls hook status, auxiliary relay, auto-answer, speaker, high/low speed, ring indicator, carrier and transmitter filter frequency

Bit

Value

Function

0

0

1

On hook

Off hook

1

0

1

Auxiliary relay disabled

Auxiliary relay enabled

2

0

1

Auto-answer enabled

Auto-answer disabled

3

0

1

Speaker disabled

Speaker enabled

4

0

1

High speed enabled

Low speed enabled

5

0

1

Ring indicator true

Ring indicator false

6

0

1

Carrier present

Carrier not present

7

0

1

Transmitter filter enabled to 2400Hz

Transmitter filter enabled to 1200Hz

COMMAND MODE

Type:

Immediate

Format:

AT [cmds] ; (semicolon) [cmds]

Description:

Return the modem to command mode after dialing

REPORT INFORMATION

Type:

Immediate

Format:

AT [cmds] In [cmds]

Description:

Displays information requested

Command

Function

I0

Reports product code

I1

Reports checksum

REVERSE MODE

Type:

Immediate

Format:

AT [cmds] R

Description:

Places the modem in answer mode for remote modems that are originate only.

TEST MODES

Type:

Register

Format:

AT [cmds] S16=n [cmds]

Description:

Controls test modes

Command

Function

S16=0

Testing disabled

S16=1

Modem self-test enabled

S16=2

Touch-tone amplitude test enabled