RHETOREX, INC.

RTNI-2E1(120ohm)

Card Type

E1 CSU

NIC Type

E1

Maximum Onboard Memory

Unidentified

Boot ROM

Not available

Network Transfer Rate

2.048Mbps

Topology

Star

Wiring Type

RJ-48C twisted pair copper wire

Data Bus

16-bit ISA

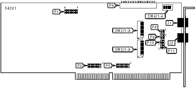
CONNECTIONS

Function

Label

Function

Label

RJ-48 connector to trunk line A

J1

RJ-48 connector to trunk line B

J2

MVIP connector

P6

   

USER CONFIGURABLE SETTINGS

Function

Label

Position

»

Factory configured - do not alter (IRQ)

P3

Pins 11 & 12 closed

»

Factory configured - do not alter (IRQ)

P5

Open

»

Factory configured - do not alter

SW2/8

Unidentified

»

Factory configured - do not alter

SW3/8

Unidentified

MVIP TERMINATION

Function

P1/A

P1/B

P1/C

P1/D

P1/E

P1/F

Clockmaster

Open

Open

Open

Open

N/A

N/A

Terminate MVIP

Closed

Closed

Closed

Closed

N/A

N/A

TRUNK A EQUALIZATION

Function

P8

P9

Network mode

Pins 1 & 2, 3 & 4 closed

Pins 1 & 2, 3 & 4 closed

User mode

Pins 1 & 3, 2 & 4 closed

Pins 1 & 3, 2 & 4 closed

TRUNK B EQUALIZATION

Function

P10

P11

Network mode

Pins 1 & 2, 3 & 4 closed

Pins 1 & 2, 3 & 4 closed

User mode

Pins 1 & 3, 2 & 4 closed

Pins 1 & 3, 2 & 4 closed

LINE A EQUALIZATION SETTINGS

Value

SW2/1

SW2/2

SW2/3

SW2/4

SW2/5

SW2/6

SW2/7

10h

Open

Open

Closed

Open

Open

Open

Open

15h

Open

Open

Closed

Open

Closed

Open

Closed

20h

Open

Closed

Open

Open

Open

Open

Open

25h

Open

Closed

Open

Open

Closed

Open

Closed

40h

Closed

Open

Open

Open

Open

Open

Open

45h

Closed

Open

Open

Open

Closed

Open

Closed

1Ah

Open

Open

Closed

Closed

Open

Closed

Open

2Ah

Open

Closed

Open

Closed

Open

Closed

Open

4Ah

Closed

Open

Open

Closed

Open

Closed

Open

1Fh

Open

Open

Closed

Closed

Closed

Closed

Closed

2Fh

Open

Closed

Open

Closed

Closed

Closed

Closed

4Fh

Closed

Open

Open

Closed

Closed

Closed

Closed

Note:

12 equalization values are available. Switch 1 is the most significant bit. Switch 7 is the least significant bit. An equalization setting of 40h is recommended for a ABAM cable 0-150 feet in length, 2Ah for a cable 150-450 feet, & 15h for a cable 450-650 feet.

LINE B EQUALIZATION SETTINGS

Value

SW3/1

SW3/2

SW3/3

SW3/4

SW3/5

SW3/6

SW3/7

10h

Open

Open

Closed

Open

Open

Open

Open

15h

Open

Open

Closed

Open

Closed

Open

Closed

20h

Open

Closed

Open

Open

Open

Open

Open

25h

Open

Closed

Open

Open

Closed

Open

Closed

40h

Closed

Open

Open

Open

Open

Open

Open

45h

Closed

Open

Open

Open

Closed

Open

Closed

1Ah

Open

Open

Closed

Closed

Open

Closed

Open

2Ah

Open

Closed

Open

Closed

Open

Closed

Open

4Ah

Closed

Open

Open

Closed

Open

Closed

Open

1Fh

Open

Open

Closed

Closed

Closed

Closed

Closed

2Fh

Open

Closed

Open

Closed

Closed

Closed

Closed

4Fh

Closed

Open

Open

Closed

Closed

Closed

Closed

Note:

12 equalization values are available. Switch 1 is the most significant bit. Switch 7 is the least significant bit. An equalization setting of 40h is recommended for a ABAM cable 0-150 feet in length, 2Ah for a cable 150-450 feet, & 15h for a cable 450-650 feet.

BASE I/O ADDRESS SELECTION

Setting

SW4/1

SW4/2

SW4/3

SW4/4

»

200h

Off

Off

Off

On

 

300h

Off

Off

Off

Off

 

2200h

Off

Off

On

On

 

2300h

Off

Off

On

Off

 

4200h

Off

On

Off

On

 

4300h

Off

On

Off

Off

 

6200h

Off

On

On

On

 

6300h

Off

On

On

Off

 

8200h

On

Off

Off

On

 

8300h

On

Off

Off

Off

 

A200h

On

Off

On

On

 

A300h

On

Off

On

Off

 

C200h

On

On

Off

On

 

C300h

On

On

Off

Off

 

E200h

On

On

On

On

 

E300h

On

On

On

Off