POWERCOM AMERICA, INC.

PM3314I (SWITCH VERSION)

Card Type

Modem (asynchronous/synchronous)

Chipset

Rockwell

Maximum Data Rate

33.6Kbps

Maximum Fax Rate

14.4Kbps

Data Modulation

Bell 103A/212A

ITU-T V.21, V.22, V.22bis, V.23, V.32, V.32bis, V.34

Rockwell V.FC

Fax Modulation

ITU-T V.17, V.21CH2, V.27ter, V.29

Error Correction/Compression

MNP5, V.42, V.42bis

Fax Class

Class I & II

Data Bus

8-bit ISA

Card Size

Full height, one-third length

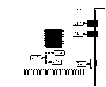
CONNECTIONS

Function

Label

Function

Label

Telephone line

CN1

Telephone line

CN2

BASE I/O ADDRESS SELECTION

Setting

SW1/3

SW1/4

3F8h (COM1:)

Closed

Closed

2F8h (COM2:)

Closed

Open

3E8h (COM3:)

Open

Closed

2E8h (COM4:)

Open

Open

INTERRUPT SELECTION

Setting

JP1

JP2

JP3

SW1/1

SW1/2

2

Open

Open

Closed

Open

Open

3

Open

Open

Open

Closed

Open

4

Open

Open

Open

Open

Closed

5

Open

Closed

Open

Open

Open

7

Closed

Open

Open

Open

Open

SUPPORTED STANDARD COMMANDS

Basic AT Commands

+++, ‘comma’, A/

A, B, E, H, L, M, N, O, P, Q, T, V, W, X, Y, Z

&C, &D, &F, &J, &K, &L, &M, &P, &Q, &T, &V, &W, &Y, &Z

Extended AT Commands

\A, \B, \G, \J, \L, \N, \O, \T, \U, \Z

%C, %E, %Q

Special AT Commands

+MS

S-Registers

S0, S1, S2, S3, S4, S5, S6, S7, S8, S9, S10, S11, S12, S14, S16, S18, S25, S26

S30, S36, S38, S39, S46, S48, S82, S86, S91, S95

Note: See MHI help file for complete information.

UNIDENTIFIED COMMANDS

Command

Default

S21

Unidentified

S22

Unidentified

S23

Unidentified

S27

Unidentified

S37

0

S40

57

S41

1

S49

8

S50

255

Proprietary AT Command Set

AUTOSYNC OPTIONS

Type:

Register

Format

AT [cmds] S19=n [cmds]

Default:

26

Range:

0 - 30

Description:

Controls autosync protocol, HDLC address detection, bit coding, and HDLC idle.

Bit

Value

Function

0

0

Not used

1

0

í 1

Binary synchronous protocol used.

HDLC protocol used.

2

í 0

1

HDLC address detect disabled.

HDLC address detect enabled.

3

0

í 1

NRZI bit coding used.

NRZ bit coding used.

4

0

í 1

HDLC idle sends MARK.

HDLC idle sends FLAG or SYNC.

AUTOSYNC HDLC ADDRESS

Type:

Register

Format:

AT [cmds] S20=n [cmds]

Default:

0

Range:

0-255

Unit:

Unidentified

Description:

Sets the HDLC address and binary synchronous character.

BREAK TYPE

Type:

Configuration

Format:

AT [cmds] \Kn [cmds]

Description:

Configures action of break signal.

Command

Function

\K0

Online command mode enabled, break not sent to remote modem.

\K1

Break sent to remote modem and buffers cleared.

\K3

Break sent to remote modem immediately.

\K5

Break sent with transmitted data.

DIAL

Type:

Immediate

Format:

AT [cmds] D<#>;[cmds]

Description:

Dials the telephone number indicated according to any modifiers included in the string.

Note:

Any combination of modifiers can be used to produce the desired dial functions in sequence.

Command

Function

DL

Re-dial last number.

DP

Pulse dialing enabled.

DR

Answer mode enabled; originate mode disabled following handshake initiation.

DS=n

Dial stored telephone number n.

DT

Tone dialing enabled.

DW

Dialing resumed following dial tone detection.

D,

Dialing paused for amount of time specified in S8 register.

D!

Flash function initiated. Modem commanded to go off-hook for specified time before returning on-hook.

D@

Wait for Quiet Answer function enabled. Modem waits until a "quiet answer," a ring-back signal followed by silence up to the time specified in S7, is received prior to executing the rest of the dial string.

D^

Enable calling tone for this call.

D;

Modem returned to idle state after dialing. The semicolon can only be placed at the end of the dial command.

DISPLAY INFORMATION

Type:

Immediate

Format:

AT [cmds] In [cmds]

Description:

Displays information requested about the modem.

Command

Function

I0

Displays product identification code.

I1

Displays ROM checksum.

I2

Tests and displays ROM checksum result.

I3

Displays firmware revision.

I4

Displays product capabilities.

V.42bis COMPRESSION CONTROL

Type:

Configuration

Format:

AT [cmds] %Mn [cmds]

Description:

Controls V.42bis data compression.

Command

Function

%M0

V.42bis disabled.

%M1

V.42bis enabled on transmit only.

%M2

V.42bis enabled on receive only.

%M3

V.42bis enabled.

V.42bis DICTIONARY CLEAR

Type:

Immediate

Format:

AT [cmds] %P [cmds]

Description:

Resets the V.42bis dictionary to its initial state upon connection.

V.42bis DICTIONARY SIZE

Type:

Configuration

Format:

AT [cmds] %Dn [cmds]

Description:

Selects the size of the V.42bis dictionary.

Command

Function

%D0

512 byte dictionary selected.

%D1

1024 byte dictionary selected.

%D2

2048 byte dictionary selected.

%D3

4096 byte dictionary selected for unidirectional compression only.

V.42bis MAXIMUM STRING LENGTH

Type:

Immediate

Format:

AT [cmds] %Sn [cmds]

Default:

32

Range:

6-64

Unit:

1 byte

Description:

Selects string size for V.42bis compression