POSITIVE CORPORATION
PC MODEM 2400S
|
Card Type |
Modem(asynchronous) |
|
Chip Set |
Unidentified |
|
Maximum Data Rate |
2400bps |
|
Data Bus |
8 bit ISA |
|
Data Modulation Protocol |
Bell 103A/212A ITU-T V.21, V.22, V.22bis |

|
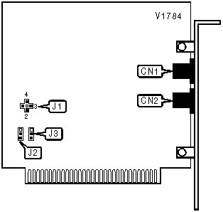
CONNECTIONS | ||||||
|
Function |
Label |
Function |
Label | |||
|
Line in |
CN1 |
Line out |
CN2 | |||
|
SERIAL PORT ADDRESS | ||
|
Setting |
J2 |
J3 |
|
í COM1 (3F8h) |
Pins 2 & 3 closed |
Pins 2 & 3 closed |
|
COM2 (2F8h) |
Pins 2 & 3 closed |
Pins 1 & 2 closed |
|
COM3 (3E8h) |
Pins 1 & 2 closed |
Pins 2 & 3 closed |
|
COM4 (2E8h) |
Pins 1 & 2 closed |
Pins 1 & 2 closed |
|
INTERRUPT | |
|
Setting |
J1 |
|
2 |
Pins 1 & 2 closed |
|
3 |
Pins 1 & 3 closed |
|
í 4 |
Pins 1 & 4 closed |
|
5 |
Pins 1 & 5 closed |
Proprietary AT Command Set
|
BIT-MAPPED REGISTER S14 | ||
|
Format |
AT [cmds] S14=n [cmds] | |
|
Default: |
170 | |
|
Range: |
0-174 | |
|
Unit: |
Bit-mapped. | |
|
Description: |
Controls echo, result codes, result code display, dial mode, and answer/originate mode | |
|
Bit |
Value |
Function |
|
0 |
0 |
Not used |
|
1 |
0 í 1 |
Command echo disabled Command echo enabled |
|
2 |
í 01 |
Result codes enabled Result codes disabled |
|
3 |
0 í 1 |
Display result codes in numeric format Display result codes in verbose format |
|
4 |
0 |
Not used |
|
5 |
0 í 1 |
Tone dial enabled Pulse dial enabled |
|
6 |
0 |
Not used |
|
7 |
0 í 1 |
Answer mode enabled Originate mode enabled |
|
BIT-MAPPED REGISTER S21 | ||
|
Format |
AT [cmds] S21=n [cmds] | |
|
Default: |
16 | |
|
Range: |
0 - 184 | |
|
Unit: |
Bit-mapped. | |
|
Description: |
Selects low DTR action, DCD signal, and the Long Space Disconnect function. | |
|
Bit |
Value |
Function |
|
0 |
0 |
Not used. |
|
1 |
0 |
Not used. |
|
2 |
0 |
Not used. |
|
4, 3 |
í 0001 10 11 |
DTR signal ignored. Modem goes to command mode on low DTR. Modem disconnects on low DTR. Auto-Answer is disabled. Modem is initialized on low DTR. |
|
5 |
0 í 1 |
DCD forced high. DCD normal. |
|
6 |
0 |
Not used. |
|
7 |
í 01 |
Long Space Disconnect function disabled. Long Space Disconnect function enabled. |
|
BIT-MAPPED REGISTER S22 | ||
|
Format |
AT [cmds] S22=n [cmds] | |
|
Default: |
117 | |
|
Range: |
0-127 | |
|
Unit: |
Bit-mapped | |
|
Description: |
Controls speaker volume and controls, and limits results codes | |
|
Bit |
Value |
Function |
|
1, 0 |
01 í 1011 |
On volume Medium level volume High level volume |
|
3, 2 |
00 í 0110 11 |
Speaker off Speaker off until carrier detect Speaker always on Speaker on during handshake |
|
6, 5, 4 |
000 100 101 110 í 111 |
Basic result codes only enabled Basic and connection speed result codes enabled Basic and connection speed result codes and dial tone detection enabled All result codes except dial tone detection enabled All result codes enabled |
|
7 |
í 0001 |
Make/break ratio 39%/61% Make/break ratio 33%/67% |
|
BIT-MAPPED REGISTER S23 | ||
|
Format |
AT [cmds] S23=n [cmds] | |
|
Default: |
7 | |
|
Range: |
0-247 | |
|
Unit: |
Bit-mapped | |
|
Description: |
Grants/denies remote digital loopback, controls DTE rate and parity, and sets guard tone | |
|
Bit |
Value |
Function |
|
0 |
0 í 1 |
Remote digital loopback disabled Remote digital loopback enabled |
|
2, 1 |
00 01 10 í 11 |
Sets serial port speed to 0-300bps Not used Sets serial port speed to 1200bps Sets serial port speed to 2400bps |
|
3 |
0 |
Not used |
|
5,4 |
í 0001 10 11 |
Parity even Space Parity odd No Parity |
|
7, 6 |
í 0001 10 |
Guard tone disabled Guard tone 550Hz enabled Guard tone 1800Hz enabled |
|
PROTOCOL | ||
|
Format |
AT [cmds] S27=n [cmds] | |
|
Default: |
32 | |
|
Range: |
0 - 32 | |
|
Unit: |
Bit-mapped | |
|
Description: |
Selects operating protocol | |
|
Bit |
Value |
Function |
|
0 |
0 |
Not used |
|
1 |
0 |
Not used |
|
2 |
0 |
Not used |
|
3 |
0 |
Not used |
|
4 |
0 |
Not used |
|
5 |
0 |
Not used |
|
6 |
0 í 1 |
CCITT V.22bis/V.22 enabled Bell 212 enabled |
|
TEST MODES | ||
|
Format |
AT [cmds] S16=n [cmds] | |
|
Default: |
0 | |
|
Range: |
0-125 | |
|
Unit: |
Bit-mapped | |
|
Description: |
Controls loopback tests, analog, digital, remote digital, and self tests. | |
|
Bit |
Value |
Function |
|
0 |
í 01 |
Local analog loopback disabled Local analog loopback enabled |
|
1 |
0 |
Not used. |
|
2 |
í 01 |
Local digital loopback disabled Local digital loopback enabled |
|
3 |
í 01 |
Modem not in remote digital loopback. Remote digital loopback in progress. |
|
4 |
í 01 |
Remote digital loopback disabled Remote digital loopback enabled |
|
5 |
í 01 |
Remote digital loopback w/ self-test disabled Remote digital loopback w/ self-test enabled |
|
6 |
í 01 |
Local analog loopback w/ self-test disabled Local analog loopback w/ self-test enabled |