MOTOROLA, INC.
FT100 M
|
Card Type |
T1 CSU/DSU, Ethernet |
|
Chip Set |
Unidentified |
|
I/O Options |
Monitor ports, alarm port |
|
Network Transfer Rate |
10Mbps |
|
Topology |
Star |
|
Wiring Type |
Unshielded twisted pair |
|
Transfer Rate |
1.544Mbps |
|
Data Bus |
Serial |
|
Protocol |
AMI, B8ZS |
|
Frame Type |
SF, ESF |
|
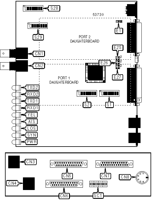
CONNECTIONS | |||
|
Function |
Label |
Function |
Label |
|
Monitor receive |
CN1 |
Serial control port |
CN6 |
|
Monitor transmit |
CN2 |
DSX-1, RS-232, RS-449, RS-530, or V.35 serial data port 2 (on daughterboard) |
CN7 |
|
T1 interface |
CN3 |
DC power in |
CN8 |
|
UTP connector |
CN4 |
Alarm port (see pinout below) |
SC1 |
|
DSX-1, RS-232, RS-449, RS-530, or V.35 serial data port 1 (on daughterboard) |
CN5 | ||
|
Note:Standard serial ports are provided on included adapter cables. | |||
|
SC1 PINOUT | |||
|
Function |
Pin |
Function |
Pin |
|
Normally closed connection |
1 |
Signal common |
3 |
|
Normally open connection |
2 |
Not used |
4 |
|
USER CONFIGURABLE SETTINGS | |||
|
Setting |
Label |
Position | |
| » |
Signal ground connected to chassis ground |
E1 |
Pins 2 & 3 closed |
|
Signal ground not connected to chassis ground |
E1 |
Pins 1 & 2 closed | |
| » |
Factory configured - do not alter |
S1/1 |
Unidentified |
| » |
Factory configured - do not alter |
S1/2 |
Unidentified |
| » |
Factory configured - do not alter |
S1/3 |
Unidentified |
| » |
Factory configured - do not alter |
S1/4 |
Unidentified |
| » |
Factory configured - do not alter |
S1/5 |
Unidentified |
| » |
Factory configured - do not alter |
S1/6 |
Unidentified |
| » |
Factory configured - do not alter |
S1/7 |
Unidentified |
| » |
Factory configured - do not alter |
S1/8 |
Unidentified |
| » |
Factory configured - do not alter |
S2/1 |
Unidentified |
| » |
Factory configured - do not alter |
S2/2 |
Unidentified |
| » |
Factory configured - do not alter |
S2/3 |
Unidentified |
| » |
Factory configured - do not alter |
S2/4 |
Unidentified |
| » |
Factory configured - do not alter |
S2/5 |
Unidentified |
| » |
Factory configured - do not alter |
S2/6 |
Unidentified |
| » |
Factory configured - do not alter |
S2/7 |
Unidentified |
| » |
Factory configured - do not alter |
S2/8 |
Unidentified |
| » |
Factory configured - do not alter |
S28/1 |
On |
| » |
Factory configured - do not alter |
S28/2 |
On |
| » |
Factory configured - do not alter |
S28/3 |
On |
| » |
Factory configured - do not alter |
S28/4 |
On |
| » |
Factory configured - do not alter |
S28/5 |
On |
| » |
Factory configured - do not alter |
S28/6 |
On |
| » |
Factory configured - do not alter |
S28/7 |
On |
| » |
Factory configured - do not alter |
S28/8 |
Off |
|
USER CONFIGURABLE SETTINGS (CON’T) | |||
|
Setting |
Label |
Position | |
| » |
One stop bit selected |
S29/5 |
On |
|
Two stop bits selected |
S29/5 |
Off | |
| » |
8 data bits selected |
S29/6 |
On |
|
7 data bits selected |
S29/6 |
Off | |
|
CONTROL PORT CONFIGURATION | ||||
|
Setting |
E25 |
E26 |
E27 | |
| » |
DCE |
Pins 1 & 2, 3 & 4 closed |
Pins 1 & 2, 3 & 4 closed |
Pins 1 & 2, 3 & 4 closed |
|
DTE |
Pins 1 & 3, 2 & 4 closed |
Pins 1 & 3, 2 & 4 closed |
Pins 1 & 3, 2 & 4 closed | |
|
SERIAL PORT SPEED SELECTION | |||
|
Setting |
S29/1 |
S29/2 | |
|
2400bps |
Off |
Off | |
|
4800bps |
Off |
On | |
|
9600bps |
On |
Off | |
| » |
19.2Kbps |
On |
On |
|
DATA PARITY SELECTION | |||
|
Setting |
S29/3 |
S29/4 | |
| » |
Disabled |
On |
N/A |
|
Even |
Off |
On | |
|
Odd |
Off |
Off | |
|
FLOW CONTROL SELECTION | |||
|
Setting |
S29/7 |
S29/8 | |
| » |
Flow control disabled |
On |
On |
|
XON/XOFF flow control enabled |
On |
Off | |
|
RTS/CTS flow control enabled |
Off |
On | |
|
DIAGNOSTIC LED(S) | |||
|
LED |
Color |
Status |
Condition |
|
TXD2 |
Green |
On |
Data is being transmitted to port 2 |
|
TXD2 |
Green |
Off |
Data is not being transmitted to port 2 |
|
RXD2 |
Green |
On |
Data is being received from port 2 |
|
RXD2 |
Green |
Off |
Data is not being received from port 2 |
|
TXD1 |
Green |
On |
Data is being transmitted to port 1 |
|
TXD1 |
Green |
Off |
Data is not being transmitted to port 1 |
|
RXD1 |
Green |
On |
Data is being received from port 1 |
|
RXD1 |
Green |
Off |
Data is not being received from port 1 |
|
YEL |
Red |
On |
Yellow alarm condition detected |
|
YEL |
Red |
Off |
Yellow alarm condition not detected |
|
AIS |
Red |
On |
All Ones Signal detected |
|
AIS |
Red |
Off |
All Ones Signal not detected |
|
DIAGNOSTIC LED(S) (CON’T) | |||
|
LED |
Color |
Status |
Condition |
|
LOS |
Red |
On |
Loss of signal detected |
|
LOS |
Red |
Off |
Loss of signal not detected |
|
SYN |
Green |
On |
Valid framing pattern received from T1 interface |
|
SYN |
Green |
Off |
Valid framing pattern not received from T1 interface |
|
PWR |
Green |
On |
Power is on |
|
PWR |
Green |
Off |
Power is off |
|
USER CONFIGURABLE SETTINGS | |||
|
Setting |
Label |
Position | |
| » |
Factory configured - do not alter |
SW1 |
Off |
| » |
Factory configured - do not alter |
SW2 |
Off |
| » |
Factory configured - do not alter |
SW3 |
On |
| » |
Factory configured - do not alter |
SW4 |
On |
| » |
Factory configured - do not alter |
SW5 |
Off |
| » |
Factory configured - do not alter |
SW6 |
On |
| » |
Factory configured - do not alter |
SW7 |
Off |
| » |
Factory configured - do not alter |
SW8 |
Off |
|
MISCELLANEOUS TECHNICAL NOTES |
|
Diagram not available. |
FT100 M (RS-449/530 INTERFACE)
|
MISCELLANEOUS TECHNICAL NOTES |
|
Diagram not available. The card's jumper(s) must be set for Test Mode operation. |