ENTRE COMPUTER CENTER

ENTRE 2400B

Modem Type

Data (asynchronous)

Maximum Data Rate

2400bps

Data Bus

8-bit ISA

Data Modulation Protocol

Unidentified

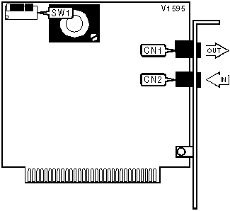
CONNECTIONS

Purpose

Location

Purpose

Location

Line out

CN1

Line in

CN2

SERIAL PORT CONFIGURATION

Port

IRQ

SW1/3

SW1/4

COM1: (3F8h)

4

On

Off

» COM2: (2F8h)

3

Off

Off

COM3: (3E8h)

4

On

On

COM4: (2E8h)

3

Off

On

AUTO ANSWER

Setting

SW1/2

» Auto answer enabled

Off

Auto answer disabled

On

Note: S14 holds the state of this switch at the time power turned on, or if a reset command is enabled.

DTR

Setting

SW1/1

» DTR normal

Off

DTR forced high

On

CD SIGNAL

Setting

SW1/5

» CD normal

Off

CD forced high

On

SLOT 8 INSTALLATION

Setting

SW1/6

» Normal installation

Off

IBM XT slot 8 installation

On

Proprietary AT Command Set

BIT-MAPPED REGISTER S13

Format

AT [cmds] S13? [cmds]

Example:

ATS13?<CR>

Default:

Read-only

Range:

0 - 222

Unit:

Bit-mapped

Description:

Displays extended result codes, parity, data bits, and buffer overrflow.

Bit

Value

Function

0

0

Not used.

1

0

1

Extended result codes disabled.

Extended result codes enabled.

2

0

1

Parity disabled.

Parity enabled.

3

0

1

Odd parity.

Even parity.

4

0

1

7 data bits.

8 data bits.

5

N/A

Not used.

6

0

1

Buffer is not full.

Buffer overflow; ERROR result code sent.

7

0

1

Space parity.

Mark parity.

BIT-MAPPED REGISTER S14

Format

AT [cmds] S14? [cmds]

Example:

ATS14?<CR>

Default:

Read-only

Range:

0 - 239

Unit:

Bit-mapped

Description:

Displays the state of SW1/2, echo, result codes, tone/pulse dial, and speaker.

Bit

Value

Function

0

0

1

SW1/2 off (Auto-answer).

SW1/2 on(Auto-answer).

1

0

1

Echo disabled.

Echo enabled.

2

0

1

Result codes enabled.

Result codes disabled.

3

0

1

Numeric result codes.

Verbose result codes.

4

0

Not used.

5

0

1

Tone dial

Pulse dial

6

0

1

Speaker disabled

Speaker enabled until carrier signal is detected.

7

0

1

Speaker disabled.

Speaker enabled.

BIT-MAPPED REGISTER S15

Format

AT [cmds] S15? [cmds]

Example:

ATS15?<CR>

Default:

Read-only

Range:

0 - 127

Unit:

Bit-mapped

Description:

Displays baud rate, answer/originate, duplex, CD signal.

Bit

Value

Function

1, 0

00

01

10

11

2400bps.

110bps.

300bps.

1200bps.

2

0

1

Answer mode.

Originate mode.

3

0

1

Half duplex.

Full duplex.

5, 4

00

01

10

11

2400bps.

110bps.

300bps.

1200bps.

6

0

1

CD normal.

CD forced high.

TEST MODES

Format

AT [cmds] S16? [cmds]

Example:

ATS16?<CR>

Default:

Read-only

Range:

0-125

Unit:

Bit-mapped

Description:

Controls loopback tests, analog, digital, remote digital, and self tests.

Bit

Value

Function

0

0

1

Local analog loopback not in progress.

Local analog loopback in progress.

1

0

Not used.

2

0

1

Local digital loopback not in progress.

Local digital loopback in progress.

3

0

1

Modem not in remote digital loopback.

Remote digital loopback in progress.

4

0

1

Remote digital loopback not requested.

Remote digital loopback requested.

5

0

1

Remote digital loopback w/ self-test not in progress.

Remote digital loopback w/ self-test in progress.

6

0

1

Local analog loopback w/ self-test not in progress.

Local analog loopback w/ self-test in progress.