INVISIBLE SOFTWARE, INC.

ETHERNET 2000A/V2.3

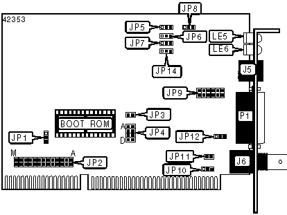
Card Type

Network Interface Card

NIC Type

Ethernet

Maximum Onboard Memory

Unidentified

Boot ROM

Available

Network Transfer Rate

10Mbps

Topology

Linear Bus, Star

Wiring Type

Unshielded twisted pair (RJ-45), AUI,RG-58A/U 50ohm coaxial

Data Bus

16-bit ISA

CONNECTIONS

Function

Label

Function

Label

UTP connector (RJ-45)

J5

External LED connector

JP11

BNC connector

J6

AUI connector

P1

USER CONFIGURABLE SETTINGS

Function

Label

Position

»

Main board compatibility jumper disabled

JP1

Pins 1 & 2 closed

 

Main board compatibility jumper option enabled

JP1

Pins 2 & 3 closed

 

Boot ROM enabled

JP3

Closed

 

Boot ROM disabled

JP3

Open

 

SQE function enabled

JP5

Pins 1 & 2 closed

 

SQE function disabled

JP5

Pins 2 & 3 closed

 

Cable length normal

JP7

Pins 1 & 2 closed

 

Cable length long

JP7

Pins 2 & 3 closed

 

Link test disabled

JP8

Pins 1 & 2 closed

 

Link test enabled

JP8

Pins 2 & 3 closed

 

Autopolarity function enabled

JP14

Pins 1 & 2 closed

 

Autopolarity function disabled

JP14

Pins 2 & 3 closed

BASE I/O ADDRESS SELECTION

Setting

JP2/A

JP2/B

»

300h

Closed

Closed

 

320h

Closed

Open

 

340h

Open

Closed

 

360h

Open

Open

INTERRUPT SELECTION

IRQ

JP2/C

JP2/D

JP2/E

JP2/F

JP2/G

JP2/H

»

3

Closed

Open

Open

Open

Open

Open

 

4

Open

Closed

Open

Open

Open

Open

 

5

Open

Open

Closed

Open

Open

Open

 

6

Open

Open

Open

Closed

Open

Open

 

7

Open

Open

Open

Open

Closed

Open

 

9

Open

Open

Open

Open

Open

Closed

 

10

Open

Open

Open

Open

Open

Open

 

11

Open

Open

Open

Open

Open

Open

 

12

Open

Open

Open

Open

Open

Open

 

14

Open

Open

Open

Open

Open

Open

 

15

Open

Open

Open

Open

Open

Open

INTERRUPT SELECTION CONTINUED

IRQ

JP2/I

JP2/j

JP2/K

JP2/L

JP2/M

»

3

Open

Open

Open

Open

Open

 

4

Open

Open

Open

Open

Open

 

5

Open

Open

Open

Open

Open

 

6

Open

Open

Open

Open

Open

 

7

Open

Open

Open

Open

Open

 

9

Open

Open

Open

Open

Open

 

10

Closed

Open

Open

Open

Open

 

11

Open

Closed

Open

Open

Open

 

12

Open

Open

Closed

Open

Open

 

14

Open

Open

Open

Closed

Open

 

15

Open

Open

Open

Open

Closed

CABLE TYPE SELECTION

Type

JP9/A-E

JP10

JP12

 

AUI transceiver via DB-15 port

Open

Pins 1 & 2 closed

Pins 2 & 3 closed

»

RG-58A/U 50ohm coaxial

Open

Pins 2 & 3 closed

Pins 1 & 2 closed

 

Unshielded twisted pair

Closed

Pins 2 & 3 closed

Pins 2 & 3 closed

ROM ADDRESS SELECTION

Address

JP4/A

JP4/B

JP4/C

JP4/D

 

C000h

Closed

Closed

Closed

Closed

 

C400h

Closed

Closed

Closed

Open

»

C800h

Closed

Closed

Open

Closed

 

CC00h

Closed

Closed

Open

Open

 

D000h

Closed

Open

Closed

Closed

 

D400h

Closed

Open

Closed

Open

 

D800h

Closed

Open

Open

Closed

 

DC00h

Closed

Open

Open

Open

DIAGNOSTIC LED(S)

LED

Color

Status

Condition

LE5

Yellow

On

Polarity reversed and corrected

LE5

Yellow

Off

Polarity normal

LE6

Green

On

UTP link is good

LE6

Green

Off

UTP link is broken