IMC NETWORKS CORPORATION

QUICKCEIVER FX

Card Type

Ethernet Transceiver

NIC Type

Ethernet

Maximum Onboard Memory

Unidentified

Boot ROM

Not available

Network Transfer Rate

100Mbps

Topology

Linear Bus

Wiring Type

MII transceiver via 40 pin port, Fiber optic cable

Data Bus

External

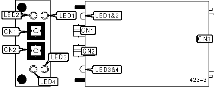
CONNECTIONS

Function

Label

Function

Label

Fiber optic STII receive connector

CN1

MII 40 pin port

CN3

Fiber optic STII transmit connector

CN2

   

DIAGNOSTIC LED(S)

LED

Color

Status

Condition

LED1

Green

On

Network connection is good

LED1

Green

Off

Network connection is broken

LED2

Amber

On

Data is being received

LED2

Amber

Off

Data is not being received

LED3

Red

On

Collision detected on network

LED3

Red

Off

No collision detected on network

LED4

Green

On

Power is supplied to the unit

LED4

Green

Off

Power is not supplied to the unit