GARRETT COMMUNICATIONS

MAGNUM MII-FX (FIBER SC)

Card Type

Ethernet Transceiver

NIC Type

Ethernet

Maximum Onboard Memory

Unidentified

Boot ROM

Not available

Network Transfer Rate

100Mbps

Topology

Star

Wiring Type

Fiber optic, MII

Data Bus

External

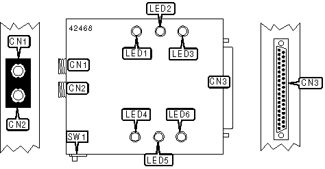
CONNECTIONS

Function

Label

Function

Label

Fiber SC connector

CN1

MII connector

CN3

Fiber SC connector

CN2

   

USER CONFIGURABLE SETTINGS

Function

Label

Position

»

Auto-configuring enabled

SW1

On

 

Host programmable

SW1

Off

Note: Orientation of switch may vary.

DIAGNOSTIC LED(S)

LED

Color

Status

Condition

LED1

Unidentified

Blinking

Data is being transmitted

LED1

Unidentified

Off

Data is not being transmitted

LED2

Unidentified

Blinking

Data is being received

LED2

Unidentified

Off

Data is not being received

LED3

Unidentified

On

Half duplex mode

LED3

Unidentified

Off

Full duplex mode

LED4

Unidentified

On

100Mbps connection established

LED4

Unidentified

Off

100Mbps connection not established

LED5

Unidentified

Blinking

Collision detected on network

LED5

Unidentified

Off

No collision detected on network

LED6

Unidentified

On

Unit is receiving power

LED6

Unidentified

Off

Unit is not receiving power