EXOS

105T

NIC Type

Ethernet

Transfer Rate

10Mbps

Data Bus

16-bit ISA

Topology

Linear bus

Wiring Type

RG58A/U 50ohm coaxial

AUI transceiver via DB-15

Boot ROM

Available

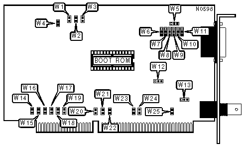
I/O /BOOT ROM ADDRESS

I/O Address

Boot ROM

W1

W2

W3

»

300h

None

Open

Closed

Closed

 

300h

C8000-CBFFFh

Closed

Closed

Closed

 

320h

None

Open

Closed

Open

 

320h

CC000-CFFFFh

Closed

Closed

Open

 

340h

None

Open

Open

Closed

 

340h

D0000-D3FFFh

Closed

Open

Closed

 

360h

None

Open

Open

Open

 

360h

D4000-D7FFFh

Closed

Open

Open

WAIT STATE CONFIGURATION

Wait State(s)

W4

1 wait state

Open

0 wait states

Closed

CABLE TYPE

Type

W5

W6-W11

W13

»

RG58A/U 50ohm coaxial

Pins 2 & 3 closed

Pins 2 & 3 closed

Pins 2 & 3 closed

 

AUI transceiver via DB-15 port

Pins 1 & 2 closed

Pins 1 & 2 closed

Pins 1 & 2 closed

Note:Revision D of the EXOS 105T board reversed the polarity of W13. Therefore, if you have a revision D board, settings for W13 will be opposite those shown.

SIGNAL QUALITY

Function

W12

»

Signal quality test enabled

Pins 2 & 3 closed

 

Signal quality test disabled

Pins 1 & 2 closed

DMA CHANNEL

Channel

W14

W15

W16

W17

W18

W19

W23

W24

DMA3

Open

Open

Open

Open

Open

Open

Closed

Closed

DMA5

Open

Open

Open

Open

Closed

Closed

Open

Open

DMA6

Open

Open

Closed

Closed

Open

Open

Open

Open

DMA7

Closed

Closed

Open

Open

Open

Open

Open

Open

INTERRUPT SETTINGS

IRQ

W20

W21

W22

W25

None

Open

Open

Open

Open

2/9

Open

Open

Open

Closed

3

Closed

Open

Open

Open

4

Open

Closed

Open

Open

5

Open

Open

Closed

Open