EDIMAX COMPUTER COMPANY
1000T
|
NIC Type |
Ethernet |
|
Transfer Rate |
10Mbps |
|
Data Bus |
8-bit ISA |
|
Topology |
Star |
|
Wiring Type |
Unshielded twisted pair AUI transceiver via DB-15 port |
|
Boot ROM |
Available |
|
CONNECTORS | |
|
Setting |
Jumper |
|
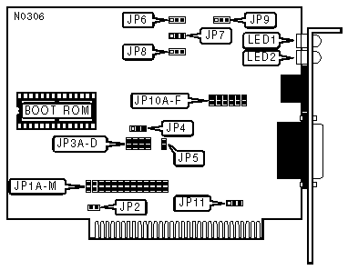
External power LED |
JP2 |
|
I/O BASE ADDRESS | ||||
|
Address |
JP1A |
JP1B |
JP1C | |
| » |
300h |
Closed |
Closed |
Closed |
|
320h |
Closed |
Closed |
Open | |
|
340h |
Closed |
Open |
Closed | |
|
360h |
Closed |
Open |
Open | |
|
INTERRUPT SETTINGS | ||||||
|
IRQ |
JP1D |
JP1E |
JP1F |
JP1G |
JP1H |
JP1I |
|
2 |
Closed |
Open |
Open |
Open |
Open |
Open |
|
3 |
Open |
Closed |
Open |
Open |
Open |
Open |
|
4 |
Open |
Open |
Closed |
Open |
Open |
Open |
|
5 |
Open |
Open |
Open |
Closed |
Open |
Open |
|
6 |
Open |
Open |
Open |
Open |
Closed |
Open |
|
7 |
Open |
Open |
Open |
Open |
Open |
Closed |
|
DMA CHANNEL | ||||
|
Channel |
JP1J |
JP1K |
JP1L |
JP1M |
|
DMA1 |
Closed |
Open |
Closed |
Open |
|
DMA3 |
Open |
Closed |
Open |
Closed |
|
BOOT ROM ADDRESS | |||||
|
Address |
JP3A |
JP3B |
JP3C |
JP3D | |
|
C0000h |
Closed |
Closed |
Closed |
Closed | |
|
C4000h |
Open |
Closed |
Closed |
Closed | |
| » |
C8000h |
Closed |
Open |
Closed |
Closed |
|
CC000h |
Open |
Open |
Closed |
Closed | |
|
D0000h |
Closed |
Closed |
Open |
Closed | |
|
D4000h |
Open |
Closed |
Open |
Closed | |
|
D8000h |
Closed |
Open |
Open |
Closed | |
|
DC000h |
Open |
Open |
Open |
Closed | |
|
CABLE TYPE | |||
|
Type |
JP4 |
JP10A-JP10F |
JP11 |
|
AUI transceiver via DB-15 port |
Pins 2 & 3 Closed |
Open |
Pins 1 & 2 Closed |
|
Shielded/Unshielded twisted pair |
Pins 2 & 3 Closed |
Closed |
Pins 2 & 3 Closed |
|
BOOT ROM | ||
|
Setting |
JP5 | |
| » |
Disabled |
Open |
|
Enabled |
Closed | |
|
AUTOPOLARITY | ||
|
Setting |
JP6 | |
| » |
Enabled |
Pins 1 & 2 Closed |
|
Disabled |
Pins 2 & 3 Closed | |
|
Note: When disabled, if the wires' polarities are reversed, the card may be damaged. | ||
|
SQE (SIGNAL QUALITY ERROR) | ||
|
Setting |
JP7 | |
| » |
Enabled |
Pins 1 & 2 Closed |
|
Disabled |
Pins 2 & 3 Closed | |
|
Note: Signal Quality Error (SQE), is an internal check of the collision circuitry and path. | ||
|
SEGMENT LENGTH | ||
|
Maximum Length |
JP8 | |
| » |
185 meters |
Pins 2 & 3 closed |
|
300 meters |
Pins 1 & 2 closed | |
|
Note:Segment length is the total length of cable between the two farthest cards on the segment. Each card on the segment must have this option set the same. | ||
|
LINK INTEGRITY TEST | ||
|
Setting |
JP9 | |
| » |
Enabled |
Pins 1 & 2 Closed |
|
Disabled |
Pins 2 & 3 Closed | |
|
DIAGNOSTIC LED(S) | |||
|
LED |
Color |
Status |
Condition |
|
LED1 |
Yellow |
On |
A reversed twisted pair is detected and corrected |
|
LED2 |
Green |
On |
A properly functioning twisted pair is detected |