COMPEX, INC.
PARAPORT2-E
|
Card Type |
Network Interface Card |
|
NIC Type |
Ethernet |
|
Maximum Onboard Memory |
16KB RAM |
|
Boot ROM |
Unidentified |
|
Network Transfer Rate |
10Mbps |
|
Topology |
Linear Bus, Star |
|
Wiring Type |
Unshielded twisted pair RG-58A/U 50ohm coaxial |
|
Data Bus |
25-pin parallel port - external |
|
CONNECTIONS | |||
|
Function |
Label |
Function |
Label |
|
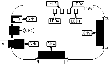
DC power |
CN1 |
DB-25 (male) |
CN4 |
|
UTP connector |
CN2 |
DB-25 Parallel port pass-through connector |
CN5 |
|
RG-58A/U connector |
CN3 | ||
|
DIAGNOSTIC LED(S) | |||
|
LED |
Color |
Status |
Condition |
|
LED1 |
Yellow |
On |
Printer connection is good |
|
LED1 |
Yellow |
Blinking |
Data is being transmitted to printer |
|
LED1 |
Yellow |
Off |
Data is not being transmitted to printer |
|
LED2 |
Red |
Blinking |
Data is being transmitted/recieved |
|
LED2 |
Red |
Off |
Data is not being transmitted/recieved |
|
LED3 |
Green |
On |
UTP link is good |
|
LED3 |
Green |
Off |
UTP link is broken |
|
LED4 |
Green |
On |
Power connection is good |
|
LED4 |
Green |
Off |
Power connection is broken |