CODENOLL TECHNOLOGY CORPORATION
CODENET-8380, CODENET-8382
|
Card Type |
Ethernet transceiver |
|
Network Transfer Rate |
10Mbps |
|
Data Bus |
AUI via DB-15 connector |
|
Topology |
Star |
|
Wire Type |
Fiber optic cable |
|
CONNECTIONS | |||
|
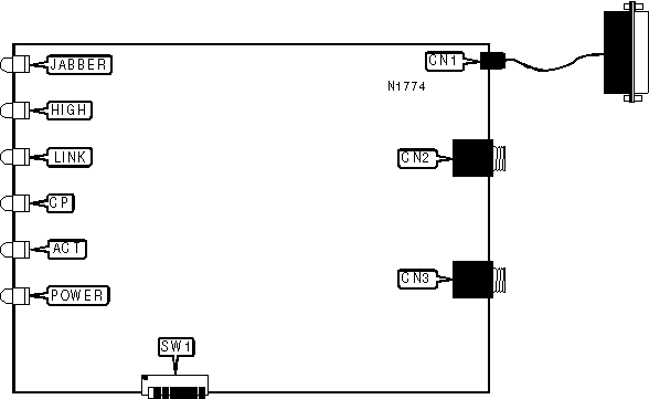
Function |
Label |
Function |
Label |
|
AUI via DB-15 port |
CN1 |
Fiber receive connector |
CN3 |
|
Fiber transmit connector |
CN2 | ||
|
USER CONFIGURABLE SETTINGS | |||
|
Setting |
Label |
Position | |
| » |
Link good function enabled |
SW1/1 |
On |
|
Link good function disabled |
SW1/1 |
Off | |
| » |
SQE heartbeat disabled |
SW1/2 |
On |
|
SQE heartbeat enabled |
SW1/2 |
Off | |
| » |
Point-to-point mode |
SW1/3 |
On |
|
Passive star mode |
SW1/3 |
Off | |
| » |
Jabber lockout resets automatically |
SW1/4 |
On |
|
Jabber lockout resets only by cycling power |
SW1/4 |
Off | |
| » |
Optical transmitter at full power |
SW1/5 |
Off |
|
Optical transmitter at half power for testing |
SW1/5 |
On | |
| » |
Factory configured - do not alter |
SW1/6 |
N/A |
| » |
Factory configured - do not alter |
SW1/7 |
N/A |
| » |
Factory configured - do not alter |
SW1/8 |
N/A |
|
DIAGNOSTIC LED(S) | |||
|
LED |
Color |
Status |
Condition |
|
JABBER |
Yellow |
On |
Network jabber detected |
|
JABBER |
Yellow |
Off |
Network jabber not detected |
|
HIGH |
Yellow |
On |
Received optical signal too bright |
|
HIGH |
Yellow |
Off |
Received optical signal normal |
|
LINK |
Yellow |
On |
Network connection is broken |
|
LINK |
Yellow |
Off |
Network connection is good |
|
CP |
Yellow |
On |
Network collision detected |
|
CP |
Yellow |
Off |
Network collision not detected |
|
ACT |
Green |
On |
Transceiver is receiving or transmitting to the network |
|
ACT |
Green |
Off |
Transceiver is not receiving or transmitting to the network |
|
POWER |
Green |
On |
Power is on |
|
POWER |
Green |
Off |
Power is off |