UNIDENTIFIED

80386 SX

Processor

80386SX

Processor Speed

16/20MHz

Chip Set

Unidentified

Video Chip Set

None

Maximum Onboard Memory

4MB

Maximum Video Memory

None

Cache

None

BIOS

AMI

Dimensions

330mm x 217mm

I/O Options

None

NPU Options

80387SX

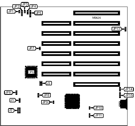
CONNECTIONS

Purpose

Location

Purpose

Location

Turbo LED

JP1

Turbo switch

JP4

Speaker

JP2

Power LED & keylock

JP5

Reset switch

JP3

External battery

JP15

Note: JP4 may be a 2-pin jumper.

USER CONFIGURABLE SETTINGS

Function

Label

Position

 

ROM wait state select 2 wait states (16MHz CPU)

J1

Pins 2 & 3 closed

 

ROM wait state select 3 wait states (20MHz CPU)

J1

Pins 1 & 2 closed

 

Turbo enabled

JP4

Pins 2 & 3 closed

 

Turbo disabled

JP4

Pins 1 & 2 closed

 

NPU not installed

JP6

Pins 2 & 3 closed

 

NPU installed

JP6

Pins 1 & 2 closed

 

Parity disabled

JP7

Open

 

Parity enabled

JP7

Closed

 

RAM wait state select 0 wait states (only if JP9 is open)

JP8

Pins 1 & 2 closed

 

RAM wait state select 1 wait state (only if JP9 is open)

JP8

Pins 2 & 3 closed

 

JP8 enabled

JP9

Open

 

8042 keyboard controller pin 29

JP9

Closed

»

Factory configured - do not alter (for AMI BIOS & 8042)

JP10

Open

 

Monitor type select color

JP11

Pins 2 & 3 closed

 

Monitor type select monochrome

JP11

Pins 1 & 2 closed

 

Power good signal detect from power supply

JP13

Pins 2 & 3 closed

 

Power good signal detect from board

JP13

Pins 1 & 2 closed

 

12v battery charge disabled

JP14

Pins 1 & 2 closed

 

12v battery charge enabled

JP14

Pins 2 & 3 closed

DRAM CONFIGURATION

Size

Bank 0

Bank 1

512KB

(18) 41256

None

640KB

(18) 41256

(18) 4164

1MB

(18) 41256

(18) 41256

2MB

(18) 411000

None

4MB

(18) 411000

(18) 411000

DRAM JUMPER CONFIGURATION

Size

J3

512KB

Pins 1 & 2, 3 & 4 closed

640KB

Pins 2 & 4, 3 & 5 closed

1MB

Pins 3 & 5, 4 & 6 closed

2MB

Pins 1 & 3, 4 & 6 closed

4MB

Pins 1 & 3, 4 & 6 closed

CPU SPEED SELECTION

Speed

J2

16MHz

Pins 3 & 4, 7 & 8 closed

20MHz

Pins 3 & 4, 5 & 6 closed