UNIDENTIFIED

XT-12

Processor

8088/V-20

Processor Speed

12MHz

Chip Set

None

Max. Onboard DRAM

1MB

Cache

None

BIOS

Unidentified

Dimensions

330mm x 218mm

I/O Options

Floppy drive interface

NPU Options

8087

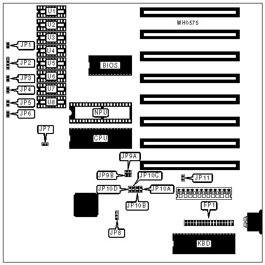
CONNECTIONS

Purpose

Location

Purpose

Location

Floppy drive interface

FP1

Speaker

JP4

Turbo LED

JP1

Turbo switch

JP5

Keylock

JP2

Power LED

JP6

Reset switch

JP3

   

USER CONFIGURABLE SETTINGS

Function

Jumper

Position

»

Factory configured - do not alter

JP7

N/A

»

Factory configured - do not alter

JP8

N/A

»

CPU type select Intel 8088

JP11

Closed

 

CPU type select NEC V20

JP11

Open

DRAM CONFIGURATION

Size

Location

256KB

(2) 44256 chips in U4 and U5

512KB

(4) 44256 chips in U3 through U6

768KB

(6) 44256 chips in U2 through U7

1MB

(8) 44256 chips in U1 through U8

BIOS CONFIGURATION

Size

JP9A

JP9B

8/16KB

Open

Open

32KB

Closed

Open

64KB

Closed

Closed

FLOPPY DRIVE 0 CONFIGURATION

Size

JP10A

JP10B

360KB 5.25"

Closed

Closed

720KB 3.5

Open

Closed

1.2MB 5.25

Closed

Open

1.44MB 3.5"

Open

Open

FLOPPY DRIVE 1 CONFIGURATION

Size

JP10C

JP10D

360KB 5.25"

Closed

Closed

720KB 3.5

Open

Closed

1.2MB 5.25

Closed

Open

1.44MB 3.5"

Open

Open