TOTEM TECHNOLOGY CO., LTD.

TM-P2EXAT

Device Type

Mainboard

Processor

Pentium

Processor Speed

233/266/300/333/366/400MHz

Chip Set

Intel 440EX

Maximum Onboard Memory

256MB (EDO & SDRAM supported)

Cache

256/512KB (located on Pentium II CPU)

BIOS

Award

Dimensions

220mm x 200mm

I/O Options

32-bit PCI slots (3), floppy drive interface, IDE interfaces (2), parallel port, PS/2 mouse interface, serial ports (2), IR connector, USB connector, ATX power connector, AGP slot, SB-link connector

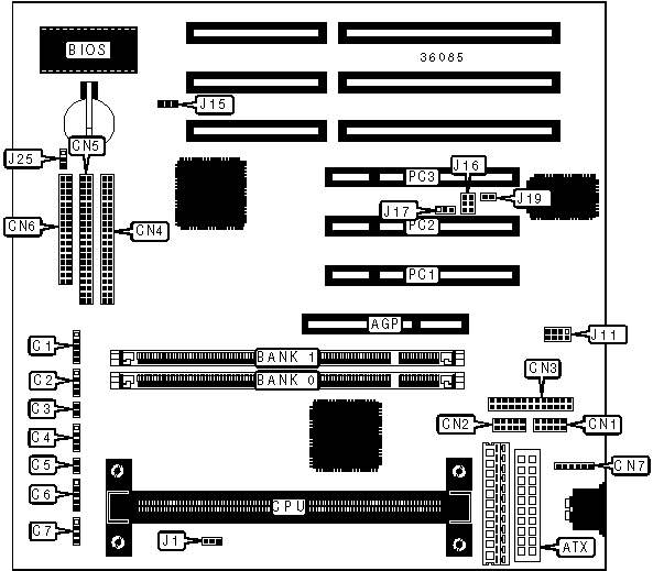
CONNECTIONS

Purpose

Location

Purpose

Location

AGP slot

AGP

Parallel port

CN3

ATX power connector

ATX

IDE interface 1

CN4

IR connector

C1

IDE interface 2

CN5

IR connector

C2

Floppy drive interface

CN6

Soft off power supply

C3

PS/2 mouse interface

CN7

IDE interface LED

C4

Voltage O/P sensor

J1

Reset switch

C5

USB connector

J11

Power LED & keylock

C6

Chassis fan power

J15

Speaker

C7

SB-link connector

J16

Serial port 2

CN1

32-bit PCI slots

PC1 – PC3

Serial port 1

CN2

   

 

USER CONFIGURABLE SETTINGS

Function

Label

Position

»

Factory configured - do not alter

J17

Unidentified

»

Factory configured - do not alter

J19

Unidentified

»

CMOS memory normal operation

J25

Pins 1 & 2 closed

 

CMOS memory clear

J25

Pins 2 & 3 closed

DIMM CONFIGURATION

Size

Bank 0

Bank 1

8MB

(1) 1M x 64

None

16MB

(1) 2M x 64

None

16MB

(1) 1M x 64

(1) 1M x 64

24MB

(1) 2M x 64

(1) 1M x 64

32MB

(1) 4M x 64

None

32MB

(1) 2M x 64

(1) 2M x 64

40MB

(1) 4M x 64

(1) 1M x 64

48MB

(1) 4M x 64

(1) 2M x 64

64MB

(1) 8M x 64

None

64MB

(1) 4M x 64

(1) 4M x 64

72MB

(1) 8M x 64

(1) 1M x 64

80MB

(1) 8M x 64

(1) 2M x 64

96MB

(1) 8M x 64

(1) 4M x 64

128MB

(1) 16M x 64

None

128MB

(1) 8M x 64

(1) 8M x 64

136MB

(1) 16M x 64

(1) 1M x 64

DIMM CONFIGURATION (CON’T)

Size

Bank 0

Bank 1

144MB

(1) 16M x 64

(1) 2M x 64

160MB

(1) 16M x 64

(1) 4M x 64

192MB

(1) 16M x 64

(1) 8M x 64

256MB

(1) 16M x 64

(1) 16M x 64

Note: Board accepts EDO & SDRAM memory.

CACHE CONFIGURATION

Note: 256KB/512KB cache is located on the Pentium II CPU.