TYAN COMPUTER CORPORATION

S1894SLA (ZX)

Device Type

Mainboard

Processor

Pentium II/Celeron

Processor Speed

233/266/300/333/350/400/450MHz

Chip Set

Intel 440ZX

Maximum Onboard Memory

256MB (SDRAM supported)

Audio Chip Set

Ensoniq

Cache

0/128/256/512KB (located on the CPU)

BIOS

Award

Dimensions

305mm x 244mm

I/O Options

32-bit PCI slots (3), floppy drive interface, game/MIDI port, green PC connector, IDE interfaces (2), parallel port, PS/2 mouse port, serial ports (2), IR connector, USB connectors (2), ATX power connector, AGP slot, line in, line out, microphone in, audio in – CD-ROMs (2), wake on LAN connector

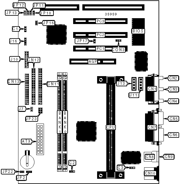
CONNECTIONS

Purpose

Location

Purpose

Location

AGP slot

AGP

IDE interface 2

CN11

ATX power connector

ATX

IDE interface 1

CN12

Chassis fan power

C1

Floppy drive interface

CN13

Chassis fan power

C2

Wake on LAN connector

CON3

Chassis fan power

C3

Chassis intrusion

J7

Game/MIDI port

CN1

IDE interface LED

J10/pins 1 -3

Microphone in

CN2

Power LED

J10/pins 2 & 4

Line in

CN3

Reset switch

J10/pins 5 & 7 or 7 & 8

Line out

CN4

Soft off power supply

J10/pins 6 & 8, 5 & 6

Serial port 2

CN5

Audio in – CD-ROM

J11

Serial port 1

CN6

Audio in – CD-ROM

J13

Parallel port

CN7

Speaker

J16

USB connector 1

CN8

Green PC connector

JP16

USB connector 2

CN9

Power fan power

JP23

PS/2 mouse port

CN10

32-bit PCI slots

PC1 – PC3

USER CONFIGURABLE SETTINGS

Function

Label

Position

»

CMOS memory normal operation

JP2

Pins 1 & 2 closed

 

CMOS memory clear

JP2

Pins 2 & 3 closed

 

On board sound enabled

JP17

Open

 

On board sound disabled

JP17

Closed

»

Factory configured - do not alter

JP22

Unidentified

DIMM CONFIGURATION

Size

Bank 0

Bank 1

8MB

(1) 1M x 64

None

16MB

(1) 2M x 64

None

16MB

(1) 1M x 64

(1) 1M x 64

24MB

(1) 2M x 64

(1) 1M x 64

32MB

(1) 4M x 64

None

32MB

(1) 2M x 64

(1) 2M x 64

40MB

(1) 4M x 64

(1) 1M x 64

48MB

(1) 4M x 64

(1) 2M x 64

64MB

(1) 8M x 64

None

64MB

(1) 4M x 64

(1) 4M x 64

72MB

(1) 8M x 64

(1) 1M x 64

80MB

(1) 8M x 64

(1) 2M x 64

96MB

(1) 8M x 64

(1) 4M x 64

128MB

(1) 16M x 64

None

DIMM CONFIGURATION (CON’T)

Size

Bank 0

Bank 1

128MB

(1) 8M x 64

(1) 8M x 64

136MB

(1) 16M x 64

(1) 1M x 64

144MB

(1) 16M x 64

(1) 2M x 64

160MB

(1) 16M x 64

(1) 4M x 64

192MB

(1) 16M x 64

(1) 8M x 64

256MB

(1) 16M x 64

(1) 16M x 64

Note: Board accepts SDRAM memory.

CACHE CONFIGURATION

Note: 256KB/512KB cache is located on the Pentium II CPU. 128KB cache is located on the Celeron 300A & 333 CPU.

CPU SPEED SELECTION

CPU speed

Clock speed

Multiplier

JP10

JP11

JP12

JP13

233MHz

66MHz

3.5x

Closed

Open

Open

Closed

266MHz

66MHz

4x

Open

Closed

Closed

Closed

300MHz

66MHz

4.5x

Open

Closed

Open

Closed

333MHz

66MHz

5x

Open

Open

Closed

Closed

350MHz

100MHz

3.5x

Closed

Open

Open

Closed

400MHz

100MHz

4x

Open

Closed

Closed

Closed

450MHz

100MHz

4.5x

Open

Closed

Open

Closed