SUPER MICRO

S2DGU

Device Type

Mainboard

Processor

Pentium II

Processor Speed

400/450MHz

Chip Set

Intel 440GX

Maximum Onboard Memory

2GB (SDRAM supported)

Cache

1024KB (located on Pentium II CPU)

BIOS

AMI

Dimensions

355mm x 304mm

I/O Options

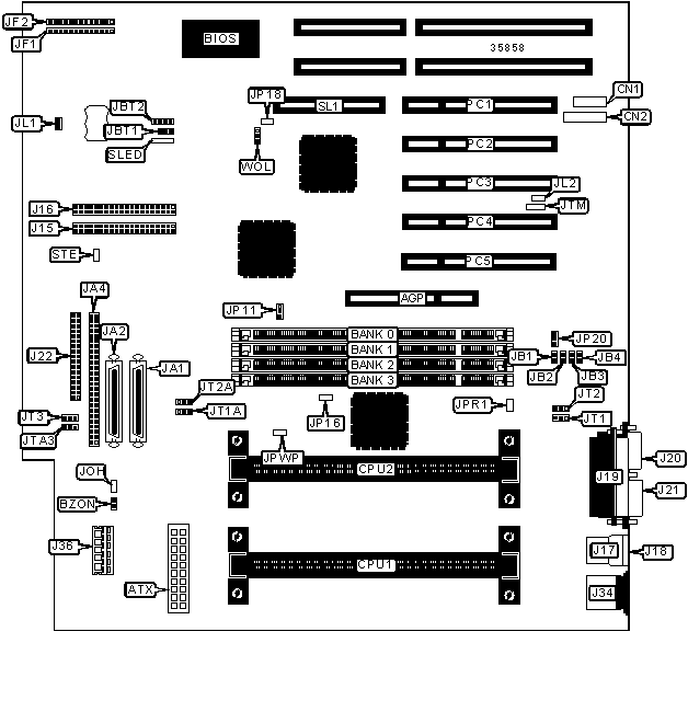
32-bit PCI slots (5), floppy drive interface, IDE interfaces (2), SCSI interface, Ultra SCSI interface, Ultra II SCSI interface, Ultra Wide SCSI interface, parallel port, PS/2 mouse port, serial ports (2), IR connector, USB connectors (2), ATX power connector, AGP slot, RAID slot, wake on LAN connector, SB-link connector

CONNECTIONS

Purpose

Location

Purpose

Location

AGP slot

AGP

IDE interface LED

JF1/pins 1 – 4

ATX power connector

ATX

Power LED & keylock

JF1/pins 5 – 9

SB-link connector

CN1

Speaker

JF1/pins 10 - 13

USB connector

CN2

IR connector

JF2/pins 1 – 8

IDE interface 1

J15

Soft off power supply

JF2/pins 9 & 10

IDE interface 2

J16

Reset switch

JF2/pins 12 & 13

USB connector 1

J17

Chassis intrusion connector

JL1

USB connector 2

J18

Overheat LED

JOH

Parallel port

J19

Chassis fan power

JT1

Serial port 1

J20

Chassis fan power

JT1A

Serial port 2

J21

Chassis fan power

JT2

Floppy drive interface

J22

Chassis fan power

JT2A

PS/2 mouse port

J34

Chassis fan power

JT3

5v auxiliary power

J36

Chassis fan power

JT3A

Ultra II SCSI interface

JA1

32-bit PCI slots

PC1 – PC5

Ultra Wide SCSI interface

JA2

RAID slot

SL1

Ultra SCSI interface

JA4

SCSI interface LED

SLED

External battery

JBT2

Wake on LAN connector

WOL

USER CONFIGURABLE SETTINGS

Function

Label

Position

 

Overheat buzzer disabled

BZON

Open

 

Overheat buzzer enabled

BZON

Closed

»

CMOS memory normal operation

JBT1

Pins 1 & 2 closed

 

CMOS memory clear

JBT1

Pins 2 & 3 closed

»

Factory configured - do not alter

JL2

Unidentified

»

Factory configured - do not alter

JP16

Unidentified

»

Factory configured - do not alter

JP18

Unidentified

»

BIOS CTL PD state

JP20

Pins 2 & 3 closed

 

PIIX CTL PD state

JP20

Pins 1 & 2 closed

»

Factory configured - do not alter

JPR1

Unidentified

»

Factory configured - do not alter

JPWP

Unidentified

»

Factory configured - do not alter

JTM

Unidentified

 

SCSI termination enabled

STE

Closed

 

SCSI termination disabled

STE

Open

DIMM CONFIGURATION

Size

Bank 0

Bank 1

Bank 2

Bank 3

8MB

(1) 1M x 64

None

None

None

16MB

(1) 2M x 64

None

None

None

16MB

(1) 1M x 64

(1) 1M x 64

None

None

24MB

(1) 2M x 64

(1) 1M x 64

None

None

24MB

(1) 1M x 64

(1) 1M x 64

(1) 1M x 64

None

32MB

(1) 4M x 64

None

None

None

32MB

(1) 2M x 64

(1) 2M x 64

None

None

32MB

(1) 1M x 64

(1) 1M x 64

(1) 1M x 64

(1) 1M x 64

40MB

(1) 4M x 64

(1) 1M x 64

None

None

48MB

(1) 4M x 64

(1) 2M x 64

None

None

48MB

(1) 2M x 64

(1) 2M x 64

(1) 2M x 64

None

64MB

(1) 2M x 64

(1) 2M x 64

(1) 2M x 64

(1) 2M x 64

64MB

(1) 8M x 64

None

None

None

64MB

(1) 4M x 64

(1) 4M x 64

None

None

72MB

(1) 8M x 64

(1) 1M x 64

None

None

80MB

(1) 8M x 64

(1) 2M x 64

None

None

96MB

(1) 8M x 64

(1) 4M x 64

None

None

96MB

(1) 4M x 64

(1) 4M x 64

(1) 4M x 64

None

128MB

(1) 16M x 64

None

None

None

128MB

(1) 8M x 64

(1) 8M x 64

None

None

128MB

(1) 4M x 64

(1) 4M x 64

(1) 4M x 64

(1) 4M x 64

136MB

(1) 16M x 64

(1) 1M x 64

None

None

144MB

(1) 16M x 64

(1) 2M x 64

None

None

176MB

(1) 16M x 64

(1) 2M x 64

(1) 2M x 64

(1) 2M x 64

192MB

(1) 16M x 64

(1) 8M x 64

None

None

192MB

(1) 8M x 64

(1) 8M x 64

(1) 8M x 64

None

256MB

(1) 32M x 64

None

None

None

256MB

(1) 16M x 64

(1) 16M x 64

None

None

256MB

(1) 8M x 64

(1) 8M x 64

(1) 8M x 64

(1) 8M x 64

272MB

(1) 16M x 64

(1) 16M x 64

(1) 1M x 64

(1) 1M x 64

280MB

(1) 32M x 64

(1) 1M x 64

(1) 1M x 64

(1) 1M x 64

288MB

(1) 16M x 64

(1) 16M x 64

(1) 2M x 64

(1) 2M x 64

320MB

(1) 16M x 64

(1) 16M x 64

(1) 4M x 64

(1) 4M x 64

384MB

(1) 16M x 64

(1) 16M x 64

(1) 16M x 64

None

DIMM CONFIGURATION (CON’T)

Size

Bank 0

Bank 1

Bank 2

Bank 3

448MB

(1) 32M x 64

(1) 8M x 64

(1) 8M x 64

(1) 8M x 64

512MB

(1) 64M x 64

None

None

None

512MB

(1) 32M x 64

(1) 32M x 64

None

None

512MB

(1) 16M x 64

(1) 16M x 64

(1) 16M x 64

(1) 16M x 64

640MB

(1) 32M x 64

(1) 16M x 64

(1) 16M x 64

(1) 16M x 64

768MB

(1) 32M x 64

(1) 32M x 64

(1) 32M x 64

None

1024MB

(1) 64M x 64

(1) 64M x 64

None

None

1024MB

(1) 32M x 64

(1) 32M x 64

(1) 32M x 64

(1) 32M x 64

1536MB

(1) 64M x 64

(1) 64M x 64

(1) 64M x 64

None

2048MB

(1) 64M x 64

(1) 64M x 64

(1) 64M x 64

(1) 64M x 64

Note: Board accepts SDRAM memory.

CACHE CONFIGURATION

Note: 1024KB cache is located on the Pentium II CPU.

CPU SPEED SELECTION

CPU speed

Clock speed

Multiplier

JB1

JB2

JB3

JB4

JP11

400MHz

100MHz

4x

Closed

Closed

Open

Closed

1 & 2

450MHz

100MHz

4.5x

Open

Closed

Open

Closed

1 & 2

Note: Pins designated should be in the closed position.