SOYO COMPUTER CO., LTD.

SY-5EMA+

Device Type

Mainboard

Processor

CX 6X86/CX 686MX/CX MII/AM K5/AM K6/AM K6-2/Pentium/

Pentium MMX

Processor Speed

100/133/166/200/233/266/300/333/350MHz

Chip Set

ETEQ

Maximum Onboard Memory

768MB (EDO & SDRAM supported)

Cache

512/1024KB

BIOS

Award

Dimensions

305mm x 244mm

I/O Options

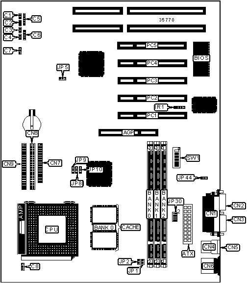
32-bit PCI slots (5), floppy drive interface, IDE interfaces (2), parallel port, PS/2 mouse port, serial ports (2), IR connector, USB connectors (2), ATX power connector, AGP slot, wake on LAN connector

CONNECTIONS

Purpose

Location

Purpose

Location

AGP slot

AGP

Serial port 2

CN2

ATX power connector

ATX

Serial port 1

CN3

Reset switch

C1

USB connector 1

CN4

Soft off power supply

C2

USB connector 2

CN5

Turbo LED

C3

PS/2 mouse port

CN6

IDE interface LED

C4

Floppy drive interface

CN7

Power LED & keylock

C5

IDE interface 2

CN8

Speaker

C6

IDE interface 1

CN9

Chassis fan power

C7

IR connector

IR1

CPU fan power

C8

Wake on LAN connector

JP44

Parallel port

CN1

32-bit PCI slots

PC1 – PC5

USER CONFIGURABLE SETTINGS

Function

Label

Position

»

CMOS memory normal operation

JP5

Pins 1 & 2 closed

 

CMOS memory clear

JP5

Pins 2 & 3 closed

DIMM CONFIGURATION

Size

Bank 0

Bank 1

Bank 2

8MB

(1) 1M x 64

None

None

16MB

(1) 1M x 64

(1) 1M x 64

None

16MB

(1) 2M x 64

None

None

24MB

(1) 1M x 64

(1) 1M x 64

(1) 1M x 64

32MB

(1) 2M x 64

(1) 2M x 64

None

32MB

(1) 4M x 64

None

None

48MB

(1) 2M x 64

(1) 2M x 64

(1) 2M x 64

64MB

(1) 4M x 64

(1) 4M x 64

None

64MB

(1) 8M x 64

None

None

96MB

(1) 4M x 64

(1) 4M x 64

(1) 4M x 64

128MB

(1) 8M x 64

(1) 8M x 64

None

128MB

(1) 16M x 64

None

None

164MB

(1) 16M x 64

(1) 1M x 64

None

144MB

(1) 16M x 64

(1) 1M x 64

(1) 1M x 64

144MB

(1) 16M x 64

(1) 2M x 64

None

DIMM CONFIGURATION (CON’T)

Size

Bank 0

Bank 1

Bank 2

160MB

(1) 16M x 64

(1) 2M x 64

(1) 2M x 64

160MB

(1) 16M x 64

(1) 4M x 64

None

192MB

(1) 16M x 64

(1) 4M x 64

(1) 4M x 64

192MB

(1) 16M x 64

(1) 8M x 64

None

192MB

(1) 8M x 64

(1) 8M x 64

(1) 8M x 64

256MB

(1) 16M x 64

(1) 8M x 64

(1) 8M x 64

256MB

(1) 16M x 64

(1) 16M x 64

None

256MB

(1) 32M x 64

None

None

272MB

(1) 32M x 64

(1) 2M x 64

None

288MB

(1) 32M x 64

(1) 2M x 64

(1) 2M x 64

288MB

(1) 32M x 64

(1) 4M x 64

None

320MB

(1) 32M x 64

(1) 4M x 64

(1) 4M x 64

320MB

(1) 32M x 64

(1) 8M x 64

None

384MB

(1) 32M x 64

(1) 8M x 64

(1) 8M x 64

384MB

(1) 32M x 64

(1) 16M x 64

None

384MB

(1) 16M x 64

(1) 16M x 64

(1) 16M x 64

512MB

(1) 32M x 64

(1) 16M x 64

(1) 16M x 64

512MB

(1) 32M x 64

(1) 32M x 64

None

768MB

(1) 32M x 64

(1) 32M x 64

(1) 32M x 64

Note: Board accepts EDO & SDRAM memory.

DIMM FREQUENCY CONFIGURATION

CPU bus clock

AGP bus clock

SDRAM clock

JP8

JP9

JP10

66MHz

66MHz

66MHz

2 & 3

2 & 3

1 & 2

75MHz

75MHz

75MHz

2 & 3

2 & 3

1 & 2

83MHz

55MHz

55MHz

1 & 2

1 & 2

2 & 3

83MHz

55MHz

83MHz

1 & 2

2 & 3

1 & 2

95MHz

63MHz

63MHz

1 & 2

1 & 2

2 & 3

95MHz

63MHz

95MHz

1 & 2

2 & 3

1 & 2

100MHz

66MHz

66MHz

1 & 2

1 & 2

2 & 3

100MHz

66MHz

100MHz

1 & 2

2 & 3

1 & 2

112MHz

75MHz

75MHz

1 & 2

1 & 2

2 & 3

112MHz

75MHz

112MHz

1 & 2

2 & 3

1 & 2

124MHz

82MHz

82MHz

1 & 2

1 & 2

2 & 3

124MHz

82MHz

124MHz

1 & 2

2 & 3

1 & 2

Note: Pins designated should be in the closed position.

CACHE CONFIGURATION

Size

Bank 0

512KB

(2) 64K x 32

1MB

(2) 128K x 32

CPU SPEED SELECTION (CX 6X86)

CPU speed

Clock speed

Multiplier

SW1/1

SW1/2

SW1/3

SW1/4

SW1/5

SW1/6

166MHz

66MHz

2x

On

Off

Off

Off

Off

Off

200MHz

75MHz

2x

On

Off

Off

Off

On

Off

CPU SPEED SELECTION (CX 6X86MX)

CPU speed

Clock speed

Multiplier

SW1/1

SW1/2

SW1/3

SW1/4

SW1/5

SW1/6

166MHz

66MHz

2x

On

Off

Off

Off

Off

Off

200MHz

66MHz

2.5x

On

On

Off

Off

Off

Off

200MHz

75MHz

2x

On

Off

Off

Off

On

Off

233MHz

75MHz

2.5x

On

On

Off

Off

On

Off

266MHz

83MHz

2.5x

On

On

Off

On

On

Off

CPU SPEED SELECTION (CX MII)

CPU speed

Clock speed

Multiplier

SW1/1

SW1/2

SW1/3

SW1/4

SW1/5

SW1/6

300MHz

66MHz

3.5x

Off

Off

Off

Off

Off

Off

300MHz

75MHz

3x

Off

On

Off

Off

On

Off

333MHz

66MHz

4x

On

Off

On

Off

Off

Off

333MHz

75MHz

3.5x

Off

Off

Off

Off

On

Off

333MHz

83MHz

3x

Off

On

Off

On

On

Off

333MHz

100MHz

2.5x

On

On

Off

Off

Off

On

350MHz

100MHz

3x

Off

On

Off

Off

Off

On

CPU SPEED SELECTION (AM K5)

CPU speed

Clock speed

Multiplier

SW1/1

SW1/2

SW1/3

SW1/4

SW1/5

SW1/6

100MHz

66MHz

1.5x

Off

Off

Off

Off

Off

Off

133MHz

66MHz

2x

On

Off

Off

Off

Off

Off

166MHz

66MHz

2.5x

On

On

Off

Off

Off

Off

CPU SPEED SELECTION (AM K6)

CPU speed

Clock speed

Multiplier

SW1/1

SW1/2

SW1/3

SW1/4

SW1/5

SW1/6

166MHz

66MHz

2.5x

On

On

Off

Off

Off

Off

200MHz

66MHz

3x

Off

On

Off

Off

Off

Off

233MHz

66MHz

3.5x

Off

Off

Off

Off

Off

Off

266MHz

66MHz

4x

On

Off

On

Off

Off

Off

300MHz

66MHz

4.5x

On

On

On

Off

Off

Off

CPU SPEED SELECTION (AM K6-2)

CPU speed

Clock speed

Multiplier

SW1/1

SW1/2

SW1/3

SW1/4

SW1/5

SW1/6

266MHz

66MHz

4x

On

Off

On

Off

Off

Off

300MHz

100MHz

3x

Off

On

Off

Off

Off

On

333MHz

95MHz

3.5x

Off

Off

Off

On

Off

On

350MHz

100MHz

3.5x

Off

Off

Off

Off

Off

On

CPU SPEED SELECTION (INTEL)

CPU speed

Clock speed

Multiplier

SW1/1

SW1/2

SW1/3

SW1/4

SW1/5

SW1/6

100MHz

66MHz

1.5x

Off

Off

Off

Off

Off

Off

133MHz

66MHz

2x

On

Off

Off

Off

Off

Off

166MHz

66MHz

2.5x

On

On

Off

Off

Off

Off

200MHz

66MHz

3x

Off

On

Off

Off

Off

Off

CPU SPEED SELECTION (INTEL MMX)

CPU speed

Clock speed

Multiplier

SW1/1

SW1/2

SW1/3

SW1/4

SW1/5

SW1/6

166MHz

66MHz

2.5x

On

On

Off

Off

Off

Off

200MHz

66MHz

3x

Off

On

Off

Off

Off

Off

233MHz

66MHz

3.5x

Off

Off

Off

Off

Off

Off

CPU VOLTAGE SELECTION

Setting

JP1

JP2

Single

Closed

Open

Dual

Open

Closed

CPU VOLTAGE SELECTION

Voltage

JP30/pins 1 & 2

JP30/pins 3 & 4

JP30/pins 5 & 6

JP30/pins 7 & 8

2.0

Open

Open

Open

Open

2.1

Closed

Open

Open

Open

2.2

Open

Closed

Open

Open

2.3

Closed

Closed

Open

Open

2.4

Open

Open

Closed

Open

2.5

Closed

Open

Closed

Open

2.6

Open

Closed

Closed

Open

2.7

Closed

Closed

Closed

Open

2.8

Open

Open

Open

Closed

2.9

Closed

Open

Open

Closed

3.0

Open

Closed

Open

Closed

3.1

Closed

Closed

Open

Closed

3.2

Open

Open

Closed

Closed

3.3

Closed

Open

Closed

Closed

3.4

Open

Closed

Closed

Closed

3.5

Closed

Closed

Closed

Closed