SEANIX TECHNOLOGY, INC.

FRASERLX (VER. 1.0)

Device Type

Mainboard

Processor

Pentium II

Processor Speed

233/266/300MHz

Chip Set

Intel 440LX

Maximum Onboard Memory

384MB (SDRAM supported)

Cache

512KB

BIOS

Intel/Phoenix

Dimensions

305mm x 244mm

I/O Options

32-bit PCI slots (4), floppy drive interface, game/MIDI port, green PC connector, IDE interfaces (2), parallel port, PS/2 mouse port, serial ports (2), IR connector, USB connectors (2), ATX power connector, AGP slot, audio line in (2), audio line out, microphone in

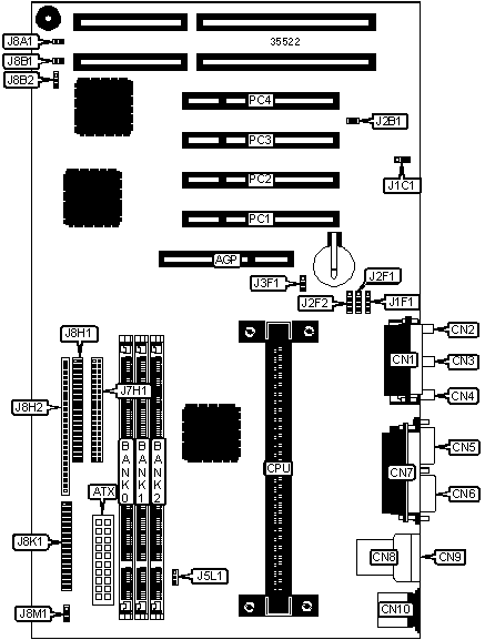
CONNECTIONS

Purpose

Location

Purpose

Location

ATX power connector

ATX

Chassis fan power

J5L1

Game/MIDI port

CN1

IDE interface 2

J7H1

Microphone in

CN2

Wake on ring connector

J8A1

Line in - external

CN3

SCSI interface LED

J8B1

Line out

CN4

IDE interface 1

J8H1

Serial port 2

CN5

Soft off power supply

J8H2/pins 1 & 2

Serial port 1

CN6

Green PC connector

J8H2/pins 3 & 4

Parallel port

CN7

IR connector

J8H2/pins 6 - 11

USB connector 2

CN8

IDE interface LED

J8H2/pins 13 - 16

USB connector 1

CN9

Power LED

J8H2/pins 18 - 20

PS/2 mouse port

CN10

Reset

J8H2/pins 22 & 23

Wake on LAN connector

J1C1

Speaker

J8H2/pins 24 - 27

Audio in - CD-ROM

J1F1

Floppy drive interface

J8K1

Chassis security

J2B1

Chassis fan power

J8M1

Telephony connector

J2F1

32-bit PCI slots

PC1 – PC4

Line in - internal

J2F2

AGP slot

AGP

Chassis fan power

J3F1

   

USER CONFIGURABLE SETTINGS

Function

Label

Position

 

BIOS normal operation

J8B2

Pins 1 & 2 closed

 

BIOS configuration mode

J8B2

Pins 2 & 3 closed

 

BIOS recovery mode

J8B2

Open

DIMM CONFIGURATION

Size

Bank 0

Bank 1

Bank 2

8MB

(1) 1M x 64

None

None

16MB

(1) 2M x 64

None

None

16MB

(1) 1M x 64

(1) 1M x 64

None

24MB

(1) 2M x 64

(1) 1M x 64

None

24MB

(1) 1M x 64

(1) 1M x 64

(1) 1M x 64

32MB

(1) 4M x 64

None

None

32MB

(1) 2M x 64

(1) 2M x 64

None

40MB

(1) 4M x 64

(1) 1M x 64

None

48MB

(1) 4M x 64

(1) 2M x 64

None

48MB

(1) 2M x 64

(1) 2M x 64

(1) 2M x 64

64MB

(1) 8M x 64

None

None

64MB

(1) 4M x 64

(1) 4M x 64

None

72MB

(1) 8M x 64

(1) 1M x 64

None

80MB

(1) 8M x 64

(1) 2M x 64

None

96MB

(1) 8M x 64

(1) 4M x 64

None

96MB

(1) 4M x 64

(1) 4M x 64

(1) 4M x 64

DIMM CONFIGURATION (CON’T)

Size

Bank 0

Bank 1

Bank 2

128MB

(1) 8M x 64

(1) 8M x 64

None

128MB

(1) 16M x 64

None

None

192MB

(1) 8M x 64

(1) 8M x 64

(1) 8M x 64

256MB

(1) 16M x 64

(1) 16M x 64

None

384MB

(1) 16M x 64

(1) 16M x 64

(1) 16M x 64

CACHE CONFIGURATION

Note: 512KB cache is located on the Pentium II CPU.