SHUTTLE COMPUTER INTERNATIONAL, INC.

HOT-623

Device Type

Mainboard

Processor

Pentium II

Processor Speed

233/266/300MHz

Chip Set

Intel

Video Chip Set

None

Maximum Onboard Memory

1GB (EDO supported)

Maximum Video Memory

None

Cache

256/512KB (located on Pentium II CPU)

BIOS

Award

Dimensions

305mm x 240mm

I/O Options

32-bit PCI slots (5), floppy drive interface, green PC connector, IDE interfaces (2), parallel port, PS/2 mouse port, serial ports (2), IR connector, USB connectors (2), ATX power connector

NPU Options

None

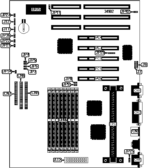
CONNECTIONS

Purpose

Location

Purpose

Location

ATX power connector

ATX

Speaker

J11

Serial port 2

CN1

Power LED & keylock

J12

Parallel port

CN2

IDE interface LED

JP21

PS/2 mouse port

CN3

Green PC connector

JP22

Serial port 1

CN4

Reset switch

JP24

IDE interface 1

CN5

Chassis fan power

JP25

IDE interface 2

CN6

IR connector

JP29

Floppy drive interface

CN7

Green PC LED

JP36

USB connector 1

J6

32-bit PCI slots

PC1 – PC5

USB connector 2

J7

   

USER CONFIGURABLE SETTINGS

Function

Label

Position

 

Flash BIOS voltage select 12v

JP15

Pins 1 & 2 closed

 

Flash BIOS voltage select 5v

JP15

Pins 2 & 3 closed

»

Factory configured – do not alter

JP34

Unidentified

»

CMOS memory normal operation

JP42

Pins 1 & 2 closed

 

CMOS memory clear

JP42

Pins 2 & 3 closed

SIMM CONFIGURATION

Size

Bank 0

Bank 1

Bank 2

Bank 3

8MB

(2) 1M x 36

None

None

None

16MB

(2) 2M x 36

None

None

None

16MB

(2) 1M x 36

(2) 1M x 36

None

None

24MB

(2) 2M x 36

(2) 1M x 36

None

None

24MB

(2) 1M x 36

(2) 1M x 36

(2) 1M x 36

None

32MB

(2) 4M x 36

None

None

None

32MB

(2) 2M x 36

(2) 2M x 36

None

None

32MB

(2) 1M x 36

(2) 1M x 36

(2) 1M x 36

(2) 1M x 36

40MB

(2) 4M x 36

(2) 1M x 36

None

None

48MB

(2) 4M x 36

(2) 2M x 36

None

None

48MB

(2) 2M x 36

(2) 2M x 36

(2) 2M x 36

None

64MB

(2) 2M x 36

(2) 2M x 36

(2) 2M x 36

(2) 2M x 36

SIMM CONFIGURATION (CON’T)

Size

Bank 0

Bank 1

Bank 2

Bank 3

64MB

(2) 8M x 36

None

None

None

64MB

(2) 4M x 36

(2) 4M x 36

None

None

72MB

(2) 8M x 36

(2) 1M x 36

None

None

80MB

(2) 8M x 36

(2) 2M x 36

None

None

96MB

(2) 8M x 36

(2) 4M x 36

None

None

96MB

(2) 4M x 36

(2) 4M x 36

(2) 4M x 36

None

128MB

(2) 16M x 36

None

None

None

128MB

(2) 8M x 36

(2) 8M x 36

None

None

128MB

(2) 4M x 36

(2) 4M x 36

(2) 4M x 36

(2) 4M x 36

136MB

(2) 16M x 36

(2) 1M x 36

None

None

144MB

(2) 16M x 36

(2) 2M x 36

None

None

152MB

(2) 16M x 36

(2) 1M x 36

(2) 1M x 36

(2) 1M x 36

160MB

(2) 16M x 36

(2) 4M x 36

None

None

176MB

(2) 16M x 36

(2) 2M x 36

(2) 2M x 36

(2) 2M x 36

192MB

(2) 16M x 36

(2) 8M x 36

None

None

192MB

(2) 8M x 36

(2) 8M x 36

(2) 8M x 36

None

224MB

(2) 16M x 36

(2) 4M x 36

(2) 4M x 36

(2) 4M x 36

256MB

(2) 32M x 36

None

None

None

256MB

(2) 16M x 36

(2) 16M x 36

None

None

256MB

(2) 8M x 36

(2) 8M x 36

(2) 8M x 36

(2) 8M x 36

272MB

(2) 16M x 36

(2) 16M x 36

(2) 1M x 36

(2) 1M x 36

280MB

(2) 32M x 36

(2) 1M x 36

(2) 1M x 36

(2) 1M x 36

288MB

(2) 16M x 36

(2) 16M x 36

(2) 2M x 36

(2) 2M x 36

304MB

(2) 32M x 36

(2) 2M x 36

(2) 2M x 36

(2) 2M x 36

320MB

(2) 16M x 36

(2) 16M x 36

(2) 4M x 36

(2) 4M x 36

320MB

(2) 16M x 36

(2) 8M x 36

(2) 8M x 36

(2) 8M x 36

352MB

(2) 32M x 36

(2) 4M x 36

(2) 4M x 36

(2) 4M x 36

384MB

(2) 16M x 36

(2) 16M x 36

(2) 16M x 36

None

448MB

(2) 32M x 36

(2) 8M x 36

(2) 8M x 36

(2) 8M x 36

512MB

(2) 32M x 36

(2) 32M x 36

None

None

512MB

(2) 16M x 36

(2) 16M x 36

(2) 16M x 36

(2) 16M x 36

640MB

(2) 32M x 36

(2) 16M x 36

(2) 16M x 36

(2) 16M x 36

768MB

(2) 32M x 36

(2) 32M x 36

(2) 32M x 36

None

1024MB

(2) 32M x 36

(2) 32M x 36

(2) 32M x 36

(2) 32M x 36

Note: Board accepts EDO memory.

CACHE CONFIGURATION

Note: 256KB/512KB cache is located on the Pentium II CPU.

CPU SPEED SELECTION

CPU speed

Clock speed

Multiplier

JP4

JP5

JP6

JP7

JP8

JP9

233MHz

66MHz

3.5x

Open

Open

Closed

Closed

Open

Closed

266MHz

66MHz

4x

Closed

Closed

Open

Closed

Open

Closed

300MHz

66MHz

4.5x

Open

Closed

Open

Closed

Open

Closed