SIEMENS-NIXDORF INFORMATIONSSYSTEME AG

SYSTEM BOARD D981

Device Type

Mainboard

Processor

Pentium II

Processor Speed

233/266/300/333/366MHz

Chip Set

Unidentified

Video Chip Set

None

Maximum Onboard Memory

512MB (EDO & SDRAM supported)

Maximum Video Memory

None

Cache

512KB (located on Pentium II CPU)

BIOS

Unidentified

Dimensions

305mm x 244mm

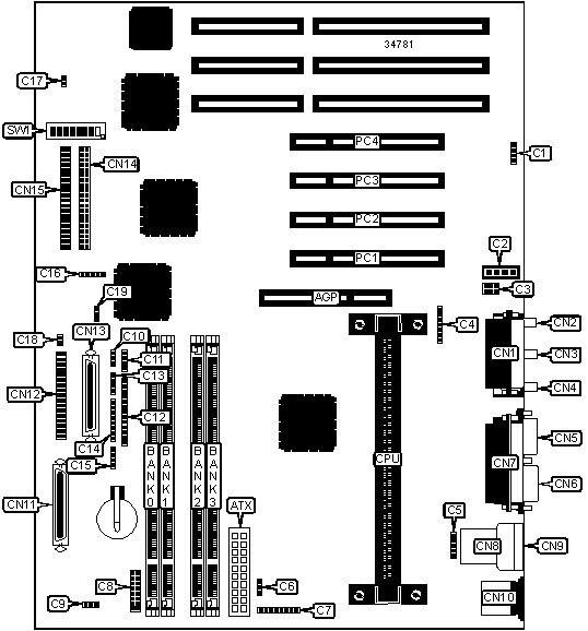
I/O Options

32-bit PCI slots (4), floppy drive interface, game/MIDI port, green PC connector, IDE interfaces (2), Ultra Wide SCSI interfaces (2), parallel port, PS/2 mouse port, serial ports (2), IR connector, USB connectors (3), ATX power connector, AGP slot, line in, line out, microphone in, audio in – CD-ROM

NPU Options

None

CONNECTIONS

Purpose

Location

Purpose

Location

AGP slot

AGP

Soft off power supply

C18

ATX power connector

ATX

Intrusion connector

C19

Auxiliary in

C1

Game/MIDI port

CN1

Audio in – CD-ROM

C2

Microphone in

CN2

Voice modem connector

C3

Line in

CN3

Device ID & temperature

C4

Line out

CN4

USB connector - internal

C5

Parallel port

CN5

Chassis fan power

C6

Serial port 1

CN6

Power supply monitor

C7

Serial port 2

CN7

Chip card reader

C8

USB connector 1 - external

CN8

CPU fan power

C9

USB connector 2 - external

CN9

Wake on LAN connector

C10

PS/2 mouse port

CN10

SCSI interface LED

C11

Ultra Wide SCSI interface

CN11

Control panel 1

C12

Floppy drive interface

CN12

I2C connector

C13

Ultra Wide SCSI interface

CN13

Control panel 2

C14

IDE interface 1

CN14

Speaker

C15

IDE interface 2

CN15

IR connector

C16

32-bit PCI slots

PC1 – PC4

Wake on modem connector

C17

   

USER CONFIGURABLE SETTINGS

Function

Label

Position

»

Factory configured - do not alter

SW1/1

Off

»

Flash BIOS normal operation

SW1/2

Off

 

Flash BIOS recovery mode

SW1/2

On

»

Floppy drive write protect disabled

SW1/3

Off

 

Floppy drive write protect enabled

SW1/3

On

»

Factory configured - do not alter

SW1/4

Unidentified

DIMM CONFIGURATION

Size

Bank 0

Bank 1

Bank 2

Bank 3

8MB

(1) 1M x 64

None

None

None

16MB

(1) 2M x 64

None

None

None

16MB

(1) 1M x 64

(1) 1M x 64

None

None

24MB

(1) 2M x 64

(1) 1M x 64

None

None

24MB

(1) 1M x 64

(1) 1M x 64

(1) 1M x 64

None

DIMM CONFIGURATION (CON’T)

Size

Bank 0

Bank 1

Bank 2

Bank 3

32MB

(1) 4M x 64

None

None

None

32MB

(1) 2M x 64

(1) 2M x 64

None

None

32MB

(1) 1M x 64

(1) 1M x 64

(1) 1M x 64

(1) 1M x 64

40MB

(1) 4M x 64

(1) 1M x 64

None

None

48MB

(1) 4M x 64

(1) 2M x 64

None

None

48MB

(1) 2M x 64

(1) 2M x 64

(1) 2M x 64

None

64MB

(1) 2M x 64

(1) 2M x 64

(1) 2M x 64

(1) 2M x 64

64MB

(1) 8M x 64

None

None

None

64MB

(1) 4M x 64

(1) 4M x 64

None

None

72MB

(1) 8M x 64

(1) 1M x 64

None

None

80MB

(1) 8M x 64

(1) 2M x 64

None

None

96MB

(1) 8M x 64

(1) 4M x 64

None

None

96MB

(1) 4M x 64

(1) 4M x 64

(1) 4M x 64

None

128MB

(1) 16M x 64

None

None

None

128MB

(1) 8M x 64

(1) 8M x 64

None

None

128MB

(1) 4M x 64

(1) 4M x 64

(1) 4M x 64

(1) 4M x 64

136MB

(1) 16M x 64

(1) 1M x 64

None

None

144MB

(1) 16M x 64

(1) 2M x 64

None

None

152MB

(1) 16M x 64

(1) 1M x 64

(1) 1M x 64

(1) 1M x 64

160MB

(1) 16M x 64

(1) 4M x 64

None

None

176MB

(1) 16M x 64

(1) 2M x 64

(1) 2M x 64

(1) 2M x 64

192MB

(1) 16M x 64

(1) 8M x 64

None

None

192MB

(1) 8M x 64

(1) 8M x 64

(1) 8M x 64

None

224MB

(1) 16M x 64

(1) 4M x 64

(1) 4M x 64

(1) 4M x 64

256MB

(1) 16M x 64

(1) 16M x 64

None

None

256MB

(1) 8M x 64

(1) 8M x 64

(1) 8M x 64

(1) 8M x 64

272MB

(1) 16M x 64

(1) 16M x 64

(1) 1M x 64

(1) 1M x 64

288MB

(1) 16M x 64

(1) 16M x 64

(1) 2M x 64

(1) 2M x 64

320MB

(1) 16M x 64

(1) 16M x 64

(1) 4M x 64

(1) 4M x 64

320MB

(1) 16M x 64

(1) 8M x 64

(1) 8M x 64

(1) 8M x 64

384MB

(1) 16M x 64

(1) 16M x 64

(1) 16M x 64

None

512MB

(1) 16M x 64

(1) 16M x 64

(1) 16M x 64

(1) 16M x 64

Note: Board accepts EDO & SDRAM memory.

CACHE CONFIGURATION

Note: 512KB cache is located on the Pentium II CPU.

CPU SPEED SELECTION

CPU speed

Clock speed

Multiplier

SW1/5

SW1/6

SW1/7

SW1/8

233MHz

66MHz

3.5x

On

On

Off

Off

266MHz

66MHz

4x

On

Off

On

On

300MHz

66MHz

4.5x

On

Off

On

Off

333MHz

66MHz

5x

On

Off

Off

On

366MHz

66MHz

5.5x

On

Off

Off

Off