SUPER MICRO

P5MMA98

Processor

CX 6X86/IBM 6X86/AM K5/AM K6/Pentium

Processor Speed

75/90/100/120/133/150/166/180/200/233MHz

Chip Set

Intel

Video Chip Set

None

Maximum Onboard Memory

256MB (EDO supported)

Maximum Video Memory

None

Cache

512KB

BIOS

AMI

Dimensions

330mm x 218mm

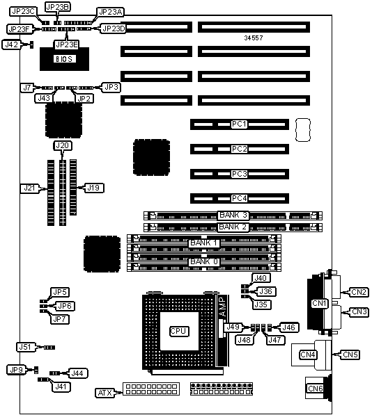
I/O Options

32-bit PCI slots (4), floppy drive interface, IDE interfaces (2), parallel port, PS/2 mouse port, serial ports (2), IR connector, USB connectors (2), ATX power connector

NPU Options

None

CONNECTIONS

Purpose

Location

Purpose

Location

ATX power connector

ATX

Chassis fan power

J44

Parallel port

CN1

CPU fan power

J51

Serial port 1

CN2

Overheat fan

JP9

Serial port 2

CN3

External battery

JP3

USB connector

CN4

IR connector

JP23A

USB connector

CN5

Soft off power supply

JP23B

PS/2 mouse port

CN6

Reset switch

JP23C

Floppy drive interface

J19

IDE interface LED

JP23D

IDE interface 2

J20

Power LED & keylock

JP23E

IDE interface 1

J21

Speaker

JP23F

Overheat fan

J41

32-bit PCI slots

PC1 – PC4

Overheat LED

J42

   

USER CONFIGURABLE SETTINGS

Function

Label

Position

»

Flash BIOS flash enabled

J7

Pins 1 & 2 closed

 

Flash BIOS protect enabled

J7

Pins 2 & 3 closed

»

Factory configured - do not alter

J40

Open

 

PC health monitor IRQ select IRQ9

J43

Pins 1 & 2 closed

 

PC health monitor IRQ select IRQ3

J43

Pins 2 & 3 closed

»

CMOS memory normal operation

JP2

Pins 1 & 2 closed

 

CMOS memory clear

JP2

Pins 2 & 3 closed

SIMM CONFIGURATION

Size

Bank 0

Bank 1

8MB

(2) 1M x 36

None

16MB

(2) 2M x 36

None

16MB

(2) 1M x 36

(2) 1M x 36

24MB

(2) 2M x 36

(2) 1M x 36

32MB

(2) 4M x 36

None

32MB

(2) 2M x 36

(2) 2M x 36

40MB

(2) 4M x 36

(2) 1M x 36

48MB

(2) 4M x 36

(2) 2M x 36

64MB

(2) 8M x 36

None

64MB

(2) 4M x 36

(2) 4M x 36

72MB

(2) 8M x 36

(2) 1M x 36

80MB

(2) 8M x 36

(2) 2M x 36

96MB

(2) 8M x 36

(2) 4M x 36

128MB

(2) 8M x 36

(2) 8M x 36

128MB

(2) 16M x 36

None

136MB

(2) 16M x 36

(2) 1M x 36

SIMM CONFIGURATION (CON’T)

Size

Bank 0

Bank 1

144MB

(2) 16M x 36

(2) 2M x 36

160MB

(2) 16M x 36

(2) 4M x 36

192MB

(2) 16M x 36

(2) 8M x 36

256MB

(2) 16M x 36

(2) 16M x 36

256MB

(2) 32M x 36

None

Note: Board accepts EDO memory. Do not populate banks 0 & 2 at the same time. Use only FPM/EDO in bank 0.

DIMM CONFIGURATION

Size

Bank 2

Bank 3

8MB

(1) 1M x 64

None

16MB

(1) 2M x 64

None

16MB

(1) 1M x 64

(1) 1M x 64

24MB

(1) 2M x 64

(1) 1M x 64

32MB

(1) 4M x 64

None

32MB

(1) 2M x 64

(1) 2M x 64

40MB

(1) 4M x 64

(1) 1M x 64

48MB

(1) 4M x 64

(1) 2M x 64

64MB

(1) 8M x 64

None

64MB

(1) 4M x 64

(1) 4M x 64

72MB

(1) 8M x 64

(1) 1M x 64

80MB

(1) 8M x 64

(1) 2M x 64

96MB

(1) 8M x 64

(1) 4M x 64

128MB

(1) 8M x 64

(1) 8M x 64

128MB

(1) 16M x 64

None

256MB

(1) 16M x 64

(1) 16M x 64

256MB

(1) 32M x 64

None

Note: Use only SDRAM in bank 3. Bank 2 can use any type of DIMM.

CACHE CONFIGURATION

Note: 512KB cache is factory installed and is not configurable. The location is unidentified.

CPU SPEED SELECTION (CX 6X86)

CPU speed

Clock speed

Multiplier

JP5

JP6

JP7

J35

J36

150MHz

60MHz

2x

2 & 3

2 & 3

1 & 2

Open

Closed

166MHz

66MHz

2x

1 & 2

2 & 3

2 & 3

Open

Closed

200MHz

66MHz

2x

2 & 3

1 & 2

1 & 2

Open

Closed

Note: Pins designated should be in the closed position.

CPU SPEED SELECTION (IBM 6X86)

CPU speed

Clock speed

Multiplier

JP5

JP6

JP7

J35

J36

150MHz

60MHz

2x

2 & 3

2 & 3

1 & 2

Open

Closed

166MHz

66MHz

2x

1 & 2

2 & 3

2 & 3

Open

Closed

200MHz

66MHz

2x

2 & 3

1 & 2

1 & 2

Open

Closed

Note: Pins designated should be in the closed position.

CPU SPEED SELECTION (AM K5)

CPU speed

Clock speed

Multiplier

JP5

JP6

JP7

J35

J36

75MHz

50MHz

1.5x

2 & 3

2 & 3

2 & 3

Open

Open

90MHz

60MHz

1.5x

2 & 3

2 & 3

1 & 2

Open

Open

100MHz

66MHz

1.5x

1 & 2

2 & 3

2 & 3

Open

Open

120MHz

60MHz

2x

2 & 3

2 & 3

1 & 2

Open

Closed

133MHz

66MHz

2x

1 & 2

2 & 3

2 & 3

Open

Closed

166MHz

66MHz

2.5x

1 & 2

2 & 3

2 & 3

Closed

Closed

Note: Pins designated should be in the closed position.

CPU SPEED SELECTION (AM K6)

CPU speed

Clock speed

Multiplier

JP5

JP6

JP7

J35

J36

166MHz

66MHz

2.5x

1 & 2

2 & 3

2 & 3

Closed

Closed

200MHz

66MHz

3x

1 & 2

2 & 3

2 & 3

Closed

Open

233MHz

66MHz

3.5x

1 & 2

2 & 3

2 & 3

Open

Open

Note: Pins designated should be in the closed position.

CPU SPEED SELECTION (INTEL)

CPU speed

Clock speed

Multiplier

JP5

JP6

JP7

J35

J36

75MHz

50MHz

1.5x

2 & 3

2 & 3

2 & 3

Open

Open

90MHz

60MHz

1.5x

2 & 3

2 & 3

1 & 2

Open

Open

100MHz

66MHz

1.5x

1 & 2

2 & 3

2 & 3

Open

Open

120MHz

60MHz

2x

2 & 3

2 & 3

1 & 2

Open

Closed

133MHz

66MHz

2x

1 & 2

2 & 3

2 & 3

Open

Closed

150MHz

60MHz

2.5x

2 & 3

2 & 3

1 & 2

Closed

Closed

150MHz

75MHz

2x

2 & 3

1 & 2

1 & 2

Open

Closed

166MHz

66MHz

2.5x

1 & 2

2 & 3

2 & 3

Closed

Closed

180MHz

60MHz

3x

2 & 3

2 & 3

1 & 2

Closed

Open

200MHz

66MHz

3x

1 & 2

2 & 3

2 & 3

Closed

Open

233MHz

66MHz

3.5x

1 & 2

2 & 3

2 & 3

Open

Open

Note: Pins designated should be in the closed position.

CPU VOLTAGE SELECTION

Voltage

J46

J47

J48

J49

2.1v

Closed

Open

Open

Open

2.2v

Open

Closed

Open

Open

2.3v

Closed

Closed

Open

Open

2.4v

Open

Open

Closed

Open

2.5v

Closed

Open

Closed

Open

2.6v

Open

Closed

Closed

Open

2.7v

Closed

Closed

Closed

Open

2.8v

Open

Open

Open

Closed

2.9v

Closed

Open

Open

Closed

3.0v

Open

Closed

Open

Closed

3.1v

Closed

Closed

Open

Closed

3.2v

Open

Open

Closed

Closed

3.3v

Closed

Open

Closed

Closed

3.4v

Open

Closed

Closed

Closed

3.5v

Closed

Closed

Closed

Closed

MISCELLANEOUS TECHNICAL NOTE

The CPU fan will automatically turn on when the CPU temperature exceeds the user defined temperature.