TMC RESEARCH CORPORATION

EBUS8B (VER.1.0)

Processor

80286/80386SX/80386DX/80486SX/80486DX/80486DX2/80486DX4/Pentium(depends on CPU card installed)

Processor Speed

8/10/12/16/20/25/33/40/50(internal)/50/60/66(internal)/66/75(internal)/ 75/90/100(internal)/100MHz

Chip Set

Unidentified

Max. Onboard DRAM

None

Cache

None

BIOS

None

Dimensions

220mm x 220mm

I/O Options

CPU expansion slot, floppy drive interface, IDE interface, parallel port, serial ports (2)

NPU Options

8087/80287/80387SX/CX487SLC/80387DX/CX487DLC (depends on CPU card installed)

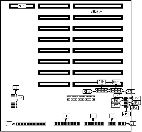
CONNECTIONS

Purpose

Location

Purpose

Location

Serial port 1

J1

IDE interface

J5

Serial port 2

J2

IDE interface LED

J7

Parallel port

J3

Power LED & keylock

J8

Floppy drive interface

J4

CPU expansion slot

SL1

USER CONFIGURABLE SETTINGS

Function

Jumper

Position

»

Parallel port unidirectional

JP1

pins 2 & 3 closed

 

Parallel port bidirectional

JP1

pins 1 & 2 closed

»

Parallel port direction select PDIR

JP2

pins 1 & 2 closed

 

Parallel port direction select CTR5

JP2

pins 2 & 3 closed

ISA/EISA BUS CONFIGURATION

ISA/EISA

RN1

RN2

RN3

RN4

ISA

Installed

Installed

Not installed

Not installed

EISA

Not installed

Not installed

Installed

Installed

I/O CONFIGURATION

FDC

IDE

LPT

JP3

JP4

JP5

JP6

JP7

Enabled

Enabled

LPT2

1 & 2

1 & 2

1 & 2

1 & 2

1 & 2

Enabled

Enabled

LPT1

2 & 3

1 & 2

1 & 2

1 & 2

1 & 2

Enabled

Enabled

LPT1

2 & 3

2 & 3

1 & 2

1 & 2

1 & 2

Enabled

Enabled

LPT1

2 & 3

2 & 3

2 & 3

1 & 2

1 & 2

Enabled

Disabled

LPT1

2 & 3

1 & 2

2 & 3

2 & 3

1 & 2

Enabled

Enabled

LPT1

2 & 3

1 & 2

1 & 2

1 & 2

2 & 3

Disabled

Enabled

LPT1

2 & 3

1 & 2

1 & 2

2 & 3

2 & 3

Disabled

Disabled

Disabled

2 & 3

2 & 3

2 & 3

2 & 3

2 & 3

Note: Pins designated should be in closed position.

I/O CONFIGURATION (CON’T)

COM1

COM2

JP3

JP4

JP5

JP6

JP7

COM1

COM2

1 & 2

1 & 2

1 & 2

1 & 2

1 & 2

COM1

COM2

2 & 3

1 & 2

1 & 2

1 & 2

1 & 2

COM3

COM4

2 & 3

2 & 3

1 & 2

1 & 2

1 & 2

COM1

Disabled

2 & 3

2 & 3

2 & 3

1 & 2

1 & 2

COM1

COM2

2 & 3

1 & 2

2 & 3

2 & 3

1 & 2

Disabled

Disabled

2 & 3

1 & 2

1 & 2

1 & 2

2 & 3

Disabled

Disabled

2 & 3

1 & 2

1 & 2

2 & 3

2 & 3

Disabled

Disabled

2 & 3

2 & 3

2 & 3

2 & 3

2 & 3

Note: Pins designated should be in closed position.