PC CHIPS MANUFACTURING, LTD.

M726

Device Type

Mainboard

Processor

Pentium II/ Celeron

Processor Speed

233/266/300/333/350/366/400/450/500MHz

Chip Set

Unidentified

Audio Chip Set

3D Sound Pro

Maximum Onboard Memory

768MB (SDRAM supported)

Cache

0/128/256/512KB (located on the CPU)

BIOS

AMI

Dimensions

220mm x 220mm

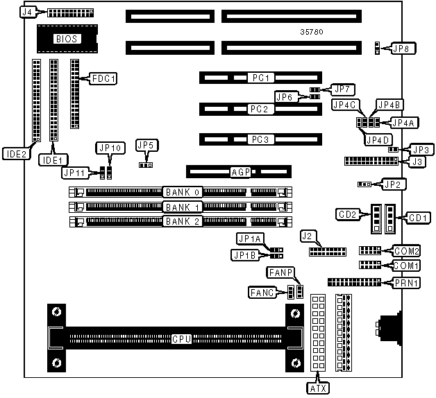
I/O Options

32-bit PCI slots (3), floppy drive interface, IDE interfaces (2), parallel port, PS/2 mouse interface, serial ports (2), ATX power connector, AGP slot, audio in - CD-ROMs (2)

CONNECTIONS

Purpose

Location

Purpose

Location

AGP slot

AGP

Sound and game header

J3

ATX power connector

ATX

Speaker

J4/pins 1, 3, 5, 7

Audio in - CD-ROM

CD1

Power LED & keylock

J4/pins 2, 4, 6, 8, 10

Audio in - CD-ROM

CD2

Turbo LED

J4/pins 13 & 14

Serial port 1

COM1

IDE interface LED

J4/pins 15 & 16

Serial port 2

COM2

Reset switch

J4/pins 17 & 18

Chassis fan power

FANC

Green PC LED

J4/pins 19 & 20

CPU fan power

FANP

Digital audio in

JP6

Floppy drive interface

FDC1

Digital audio out

JP7

IDE interface 1

IDE1

32-bit PCI slots

PC1 - PC3

IDE interface 2

IDE2

Parallel port

PRN1

ATX form card connector

J2

 

 

USER CONFIGURABLE SETTINGS

Function

Label

Position

»

CMOS memory normal operation

JP2

Pins 1 & 2 closed

 

CMOS memory clear

JP2

Pins 2 & 3 closed

»

Microphone type select standard

JP3

Open

 

Microphone type select special

JP3

Closed

»

Onboard sound pro enabled

JP8

Pins 2 & 3 closed

 

Onboard sound pro disabled

JP8

Pins 1 & 2 closed

DIMM CONFIGURATION

Size

Bank 0

Bank 1

Bank 2

8 MB

1 M x 64

None

None

16 MB

1 M x 64

1 M x 64

None

16 MB

2 M x 64

None

None

24 MB

1 M x 64

1 M x 64

1 M x 64

32 MB

2 M x 64

2 M x 64

None

32 MB

4 M x 64

None

None

40 MB

2 M x 64

2 M x 64

1 M x 64

48 MB

2 M x 64

2 M x 64

2 M x 64

64 MB

4 M x 64

4 M x 64

None

64 MB

8 M x 64

None

None

80 MB

4 M x 64

4 M x 64

2 M x 64

96 MB

4 M x 64

4 M x 64

4 M x 64

128 MB

8 M x 64

8 M x 64

None

128 MB

16 M x 64

None

None

130 MB

8 M x 64

8 M x 64

4 M x 64

192 MB

8 M x 64

8 M x 64

8 M x 64

256 MB

16 M x 64

16 M x 64

None

256 MB

32 M x 64

None

None

320 MB

16 M x 64

16 M x 64

8 M x 64

384 MB

16 M x 64

16 M x 64

16 M x 64

512 MB

32 M x 64

32 M x 64

None

640 MB

32 M x 64

32 M x 64

16 M x 64

768 MB

32 M x 64

32 M x 64

32 M x 64

DIMM VOLTAGE CONFIGURATION

Voltage

JP1A

JP1B

 

3.3v

Pins 1 & 2 closed

Pins 1 & 2 closed

 

5v

Pins 2 & 3 closed

Pins 2 & 3 closed

 

CACHE CONFIGURATION

Note: 256KB/512KB cache is located on the Pentium II CPU. 128KB cache is located on the Celeron 300A & 333 CPU.

CPU MULTIPLIER SELECTION

Multiplier

JP4A

JP4B

JP4C

JP4D

2x

Closed

Closed

Closed

Closed

2.5x

Open

Closed

Closed

Closed

3x

Closed

Closed

Open

Closed

3.5x

Open

Closed

Open

Closed

4x

Closed

Closed

Closed

Open

4.5x

Open

Closed

Closed

Open

5x

Closed

Closed

Open

Open

5.5x

Open

Closed

Open

Open

6x

Closed

Open

Closed

Closed

6.5x

Open

Open

Closed

Closed

7x

Closed

Open

Open

Closed

7.5x

Open

Open

Open

Closed

8x

Closed

Open

Closed

Open

CPU FREQUENCY SELECTION

Speed

JP5

JP10

JP11

66MHz

Pins 2 & 3 closed

Pins 1 & 2 closed

Pins 1 & 2 closed

100MHz

Pins 1 & 2 closed

Pins 1 & 2 closed

Pins 1 & 2 closed

112MHz

Pins 1 & 2 closed

Pins 1 & 2 closed

Pins 2 & 3 closed

133MHz

Pins 1 & 2 closed

Pins 2 & 3 closed

Pins 1 & 2 closed