NIAGARA SMD TECHNOLOGY, INC.

NT928SPP

Processor

Pentium Pro

Processor Speed

150/166/180/200/210/233/240/266/270/300MHz

Chip Set

Intel

Video Chip Set

None

Maximum Onboard Memory

512MB (EDO supported)

Maximum Video Memory

None

Cache

256/512KB (located on Pentium Pro CPU)

BIOS

AMI/Award/Phoenix

Dimensions

305mm x 244mm

I/O Options

32-bit PCI slots (4), floppy drive interface, green PC connector, IDE interfaces (2), Ultra-SCSI Wide interface, SCSI interface, parallel port, PS/2 mouse port, serial ports (2), ATX power connector, USB connector, IR connector

NPU Options

None

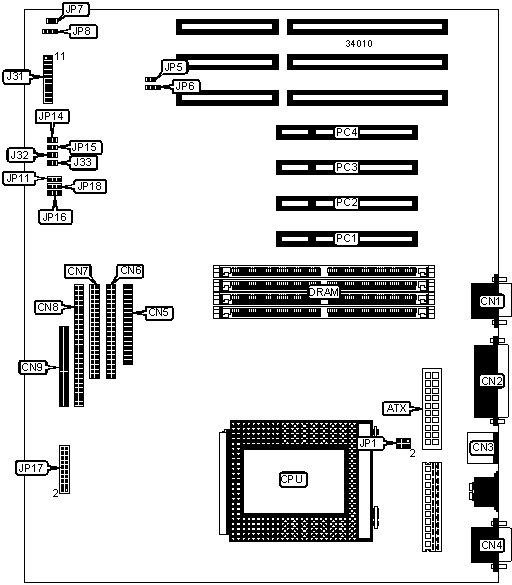
CONNECTIONS

Purpose

Location

Purpose

Location

ATX power connector

ATX

Speaker

J31 pins 1 - 4

Serial port

CN1

Power LED & keylock

J31 pins 6 - 10

Parallel port

CN2

Reset switch

J31 pins 11 & 12

PS/2 mouse port

CN3

SCSI LED

J31 pins 13 & 14

Serial port

CN4

IDE interface LED

J31 pins 15 & 16

Floppy drive interface

CN5

Green PC connector

J31 pins 17 & 18

IDE interface

CN6

Turbo LED

J31 pins 19 & 20

IDE interface

CN7

Power on/off switch

JP7

SCSI interface

CN8

Remote power switch

JP8

Ultra-SCSI Wide interface

CN9

32-bit PCI slots

PC1 – PC4

Note: The location of the IR &USB connectors are unidentified.

USER CONFIGURABLE SETTINGS

Function

Label

Position

»

Factory configured - do not alter

J32

Unidentified

 

Wide SCSI enabled

J33

Closed

 

Wide SCSI disabled

J33

Open

»

Auto power enabled

JP5

Closed

 

Auto power disabled

JP5

Open

»

Factory configured - do not alter

JP6

Unidentified

 

SCSI chip enabled

JP11

Pins 1 & 2 closed

 

SCSI chip disabled

JP11

Pins 2 & 3 closed

»

Factory configured - do not alter

JP14

Unidentified

»

Factory configured - do not alter

JP15

Unidentified

DRAM CONFIGURATION

Size

Bank 0

Bank 1

8MB

(2) 1M x 36

None

16MB

(2) 2M x 36

None

16MB

(2) 1M x 36

(2) 1M x 36

24MB

(2) 2M x 36

(2) 1M x 36

32MB

(2) 4M x 36

None

32MB

(2) 2M x 36

(2) 2M x 36

40MB

(2) 4M x 36

(2) 1M x 36

48MB

(2) 4M x 36

(2) 2M x 36

64MB

(2) 8M x 36

None

64MB

(2) 4M x 36

(2) 4M x 36

72MB

(2) 8M x 36

(2) 1M x 36

80MB

(2) 8M x 36

(2) 2M x 36

96MB

(2) 8M x 36

(2) 4M x 36

128MB

(2) 8M x 36

(2) 8M x 36

128MB

(2) 16M x 36

None

136MB

(2) 16M x 36

(2) 1M x 36

144MB

(2) 16M x 36

(2) 2M x 36

DRAM CONFIGURATION (CON’T)

Size

Bank 0

Bank 1

160MB

(2) 16M x 36

(2) 4M x 36

192MB

(2) 16M x 36

(2) 8M x 36

256MB

(2) 32M x 36

None

256MB

(2) 16M x 36

(2) 16M x 36

264MB

(2) 32M x 36

(2) 1M x 36

272MB

(2) 32M x 36

(2) 2M x 36

288MB

(2) 32M x 36

(2) 4M x 36

320MB

(2) 32M x 36

(2) 8M x 36

384MB

(2) 32M x 36

(2) 16M x 36

512MB

(2) 32M x 36

(2) 32M x 36

Note: Board accepts EDO memory. Board also accepts x 32 SIMMs. The location of banks 0 & 1 are unidentified.

CACHE CONFIGURATION

Note: 256KB/512KB cache is located on the Pentium Pro CPU.

CPU SPEED SELECTION

Speed

JP17

150MHz

Pins 1 & 2 closed

166MHz

Pins 3 & 4 closed

180MHz

Pins 5 & 6 closed

200MHz

Pins 7 & 8 closed

210MHz

Pins 9 & 10 closed

233MHz

Pins 11 & 12 closed

240MHz

Pins 13 & 14 closed

266MHz

Pins 15 & 16 closed

270MHz

Pins 17 & 18 closed

300MHz

Pins 19 & 20 closed

VOLTAGE SOURCE SELECTION

Setting

JP1

3.3v from on board regulator

Pins 3 & 5, 4 & 6 closed

3.3v from ATX power supply

Pins 1 & 3, 2 & 4 closed

SCSI TERMINATION SELECTION (LOW)

Setting

JP16

»

Low byte controlled by BIOS

Pins 2 & 3 closed

 

Low byte terminator on

Pins 1 & 2 closed

 

Low byte terminator off

Open

SCSI TERMINATION SELECTION (HIGH)

Setting

JP18

»

High byte terminator on

Pins 1 & 2 closed

 

High byte terminator off

Open

 

High byte controlled by BIOS

Pins 2 & 3 closed