MICRONICS COMPUTERS, INC.

M55HI-PLUS

Processor

Pentium

Processor Speed

90/100/120/133/150/166/200MHz

Chip Set

Intel

Video Chip Set

None

Maximum Onboard Memory

256MB (EDO supported)

Maximum Video Memory

None

Cache

512KB

BIOS

Phoenix

Dimensions

330mm x 218mm

I/O Options

32-bit PCI slots (4), bus mouse port, CD-ROM audio input connector, floppy drive interface, IDE interfaces (2), parallel port, PS/2 mouse port, serial ports (2), IR connector, USB connectors (2), microphone connector, audio line in connector, audio line out connector, external audio connector, wavetable connector, game/MIDI port

NPU Options

None

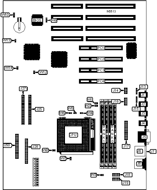
CONNECTIONS

Purpose

Location

Purpose

Location

Microphone in connector

J1

Serial port 1

J19

Audio line in connector

J2

IDE interface 2

J25

Audio line out connector

J3

IDE interface 1

J27

Speaker out connector

J4

Floppy drive interface

J28

Game/MIDI port

J5

32-bit PCI slots

PC1 - PC4

USB connector

J6

System power on/off connector

U50 pins 1 & 2

USB connector

J7

IR connector

U50 pins 6 - 10

PS/2 mouse port

J8

Reset switch

U50 pins 12 & 13

CD-ROM audio connector

J13

Speaker

U50 pins 14 - 17

Wavetable connector

J14

Power LED & keylock

U50 pins 18 - 22

Modem connector

J15

IDE interface LED

U50 pins 23 & 24

External audio connector

J16

Turbo LED

U50 pins 25 & 26

Parallel port

J17

Case fan connector

W3

Serial port 2

J18

Chassis fan power

W9

USER CONFIGURABLE SETTINGS

Function

Label

Position

»

Flash BIOS normal operation

W8

Pins 1 & 2 closed

 

Flash BIOS recovery mode

W8

Pins 2 & 3 closed

»

CMOS memory normal operation

W10

Pins 1 & 2 closed

 

CMOS memory clear

W10

Pins 2 & 3 closed

»

System soft power down enabled

W14

Open

 

System soft power down disabled

W14

Closed

DRAM CONFIGURATION

Size

Bank 0

Bank 1

8MB

(2) 1M x 36

None

16MB

(2) 2M x 36

None

16MB

(2) 1M x 36

(2) 1M x 36

24MB

(2) 2M x 36

(2) 1M x 36

32MB

(2) 4M x 36

None

32MB

(2) 2M x 36

(2) 2M x 36

40MB

(2) 4M x 36

(2) 1M x 36

48MB

(2) 4M x 36

(2) 2M x 36

64MB

(2) 8M x 36

None

64MB

(2) 4M x 36

(2) 4M x 36

72MB

(2) 8M x 36

(2) 1M x 36

80MB

(2) 8M x 36

(2) 2M x 36

96MB

(2) 8M x 36

(2) 4M x 36

128MB

(2) 8M x 36

(2) 8M x 36

128MB

(2) 16M x 36

None

256MB

(2) 16M x 36

(2) 16M x 36

Note: Board accepts EDO memory. Board also accepts x 32 SIMMs.

DRAM JUMPER CONFIGURATION

Cacheable DRAM range

W12

Normal

Open

Extended

Closed

CACHE CONFIGURATION

Note: The location of the 512KB cache is unidentified.

CPU SPEED SELECTION

Speed

W1

W2

W4

W5

W6

90MHz

Closed

Open

Closed

Open

Open

100MHz

Open

Closed

Open

Open

Open

120MHz

Closed

Open

Closed

Open

Closed

133MHz

Open

Closed

Open

Open

Closed

150MHz

Closed

Open

Closed

Closed

Closed

166MHz

Open

Closed

Open

Closed

Closed

200MHz

Open

Closed

Open

Closed

Open

CPU TYPE SELECTION

Type

W7

VR

Closed

VRE

Open

AT BUS CLOCK SELECTION

Speed

W13

»

1/4

Closed

 

1/3

Open