NEC TECHNOLOGIES, INC.
POWERMATE 1 (APC-H200E, APC-H201E, APC-H202E, APC-H203E)
|
Processor |
80286 |
|
Processor Speed |
10MHz |
|
Chip Set |
Intel |
|
Max. Onboard DRAM |
640MB |
|
SRAM Cache |
None |
|
BIOS |
Phoenix |
|
Dimensions |
330mm x 218mm |
|
I/O Options |
Floppy drive interface, parallel port, serial port |
|
NPU Options |
80287 |
|
CONNECTIONS | |||
|
Purpose |
Location |
Purpose |
Location |
|
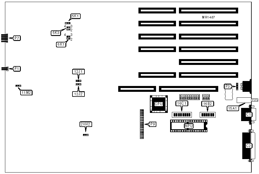
Serial port |
C1 |
External battery |
P3 |
|
Parallel port |
C2 |
Power LED & keylock |
P7 |
|
Speaker |
P1 |
Floppy drive interface |
P9 |
|
USER CONFIGURABLE SETTINGS | |||
|
Function |
Jumper/Switch |
Position | |
| » |
Factory configured - do not alter |
5K1 |
pins 1 & 2 closed |
| » |
RAS/ALE output select normal |
11M2 |
pins 2 & 3 closed |
|
RAS/ALE output select early |
11M2 |
pins 1 & 2 closed | |
| » |
Not used |
16C1/1 |
Off |
| » |
Parallel port enabled |
16C1/2 |
On |
|
Parallel port disabled |
16C1/2 |
Off | |
| » |
Not used |
16C1/5 |
On |
| » |
Floppy interface (P9) enabled |
16C1/6 |
On |
|
Floppy interface (P9) disabled |
16C1/6 |
Off | |
| » |
Floppy address select primary |
16C1/7 |
Off |
|
Floppy address select secondary |
16C1/7 |
On | |
| » |
Monitor type select color |
16C1/8 |
On |
|
Monitor type select monochrome |
16C1/8 |
Off | |
| » |
Factory configured - do not alter |
16B2/1 |
On |
| » |
Factory configured - do not alter |
16B2/2 |
Off |
| » |
Factory configured - do not alter |
16B2/3 |
On |
| » |
Not used |
16B2/4 |
On |
| » |
Factory configured - do not alter |
16B2/6 |
On |
| » |
Floppy drive ROM select normal |
20H2 |
pins 1 & 2 closed |
|
Floppy drive ROM select special |
20H2 |
pins 2 & 3 closed | |
|
Note:Jumper 5K1 is not present on later revisions of the board. | |||
|
TEST MODE CONFIGURATION | |||
|
Mode |
16B2/5 |
15A1 | |
| » |
Normal operation |
On |
Out |
|
Test mode enabled |
Off |
In | |
|
SERIAL PORT CONFIGURATION | |||||
|
Port Assignment |
Address |
Interrupt |
16C1/3 |
16C1/4 | |
| » |
COM1 |
3F8-3FFh |
IRQ4 |
On |
Off |
|
COM2 |
2F8-2FFh |
IRQ3 |
Off |
On | |
|
Disabled |
N/A |
N/A |
Off |
Off | |
|
DRAM CONFIGURATION | ||||
|
Size |
Bank 0 |
Bank 1 |
6K1/pins 1 & 4 |
6K1/pins 2 & 3 |
|
512KB |
512K |
0K |
Open |
Closed |
|
640KB |
512K |
128K |
Closed |
Open |
|
MEMORY WAIT STATE CONFIGURATION | ||
|
Wait state |
5K3/pins 1 & 2 |
5K3/pins 3 & 4 |
|
2 wait states |
Closed |
Open |
|
1 wait state |
Open |
Closed |
|
Note:Memory wait states are only applied to external memory card(s). When not in turbo mode the memory wait state is always 1 wait state. | ||
|
BIOS CONFIGURATION | |||
|
Type |
Size |
12J1 |
12J2 |
|
EPROM |
27256 |
pins 2 & 3 closed |
pins 2 & 3 closed |
|
EPROM |
27128 |
pins 1 & 2 closed |
pins 2 & 3 closed |
|
ROM |
27256 |
pins 1 & 2 closed |
pins 1 & 2 closed |
|
ROM |
27128 |
pins 1 & 2 closed |
pins 1 & 2 closed |