LUCKY STAR TECHNOLOGY CO., LTD.

5ATX2

Device Type

Mainboard

Processor

CX 6X86/CX 6X86L/CX 686MX/CX MII/AM K5/AM K6/Pentium/

Pentium MMX

Processor Speed

75/90/100/120/133/150/166/180/200/233MHz

Chip Set

Intel

Maximum Onboard Memory

128MB

Cache

256/512KB

BIOS

Unidentified

Dimensions

305mm x 244mm

I/O Options

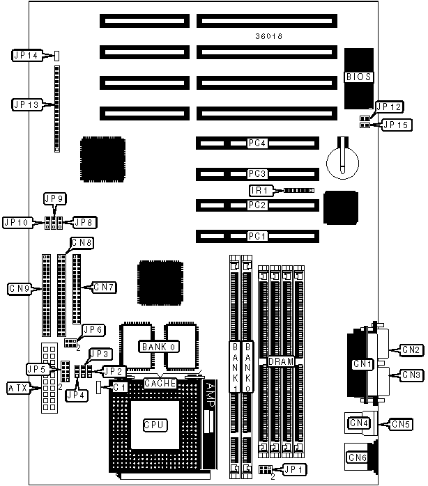
32-bit PCI slots (4), floppy drive interface, green PC connector, IDE interfaces (2), parallel port, PS/2 mouse interface, serial ports (2), USB connectors (2), ATX power connector

CONNECTIONS

Purpose

Location

Purpose

Location

CPU fan power

ATX

IDE interface 2

CN9

Chassis fan power

C1

IR connector

IR1

Parallel port

CN1

Power LED & keylock

JP13/pins 1 – 5

Serial port 1

CN2

Speaker

JP13/pins 7 – 10

Serial port 2

CN3

Reset switch

JP13/pins 12 & 13

USB connector 1

CN4

IDE interface LED

JP13/pins 15 & 16

USB connector 2

CN5

Turbo LED

JP13/pins 18 & 19

PS/2 mouse port

CN6

Green PC connector

JP13/pins 21 & 22

Floppy drive interface

CN7

32-bit PCI slots

PC1 – PC4

IDE interface 1

CN8

   

USER CONFIGURABLE SETTINGS

Function

Label

Position

»

Factory configured - do not alter

JP4

Unidentified

»

Factory configured - do not alter

JP12

Unidentified

»

Factory configured - do not alter

JP14

Unidentified

»

CMOS memory normal operation

JP15

Closed

 

CMOS memory clear

JP15

Open

SIMM CONFIGURATION

Size

Bank 2

Bank 3

8MB

(2) 1M x 36

None

16MB

(2) 2M x 36

None

16MB

(2) 1M x 36

(2) 1M x 36

24MB

(2) 2M x 36

(2) 1M x 36

32MB

(2) 4M x 36

None

32MB

(2) 2M x 36

(2) 2M x 36

40MB

(2) 4M x 36

(2) 1M x 36

48MB

(2) 4M x 36

(2) 2M x 36

64MB

(2) 8M x 36

None

64MB

(2) 4M x 36

(2) 4M x 36

72MB

(2) 8M x 36

(2) 1M x 36

80MB

(2) 8M x 36

(2) 2M x 36

96MB

(2) 8M x 36

(2) 4M x 36

128MB

(2) 8M x 36

(2) 8M x 36

DIMM CONFIGURATION

Size

Bank 0

Bank 1

8MB

(1) 1M x 64

None

16MB

(1) 2M x 64

None

16MB

(1) 1M x 64

(1) 1M x 64

24MB

(1) 2M x 64

(1) 1M x 64

DIMM CONFIGURATION (CON’T)

Size

Bank 0

Bank 1

32MB

(1) 4M x 64

None

32MB

(1) 2M x 64

(1) 2M x 64

40MB

(1) 4M x 64

(1) 1M x 64

48MB

(1) 4M x 64

(1) 2M x 64

64MB

(1) 8M x 64

None

64MB

(1) 4M x 64

(1) 4M x 64

72MB

(1) 8M x 64

(1) 1M x 64

80MB

(1) 8M x 64

(1) 2M x 64

96MB

(1) 8M x 64

(1) 4M x 64

128MB

(1) 8M x 64

(1) 8M x 64

DIMM VOLTAGE CONFIGURATION

Voltage

JP1

3.3v

Pins 1 & 3, 2 & 4 closed

5v

Pins 3 & 5, 4 & 6 closed

CPU SPEED SELECTION (CX 6X86)

CPU speed

Clock speed

Multiplier

JP2

JP3

JP8

JP9

JP10

120MHz

50MHz

2x

2 & 3

1 & 2

1 & 2

1 & 2

1 & 2

133MHz

55MHz

2x

2 & 3

1 & 2

1 & 2

1 & 2

2 & 3

150MHz

60MHz

2x

2 & 3

1 & 2

2 & 3

1 & 2

1 & 2

166MHz

66MHz

2x

2 & 3

1 & 2

1 & 2

2 & 3

1 & 2

200MHz

75MHz

2x

2 & 3

1 & 2

2 & 3

1 & 2

2 & 3

Note: Pins designated should be in the closed position.

CPU SPEED SELECTION (CX 6X86L)

CPU speed

Clock speed

Multiplier

JP2

JP3

JP8

JP9

JP10

133MHz

55MHz

2x

2 & 3

1 & 2

1 & 2

1 & 2

2 & 3

150MHz

60MHz

2x

2 & 3

1 & 2

2 & 3

1 & 2

1 & 2

166MHz

66MHz

2x

2 & 3

1 & 2

1 & 2

2 & 3

1 & 2

200MHz

75MHz

2x

2 & 3

1 & 2

2 & 3

1 & 2

2 & 3

Note: Pins designated should be in the closed position.

CPU SPEED SELECTION (CX 6X86MX)

CPU speed

Clock speed

Multiplier

JP2

JP3

JP8

JP9

JP10

166MHz

60MHz

2.5x

2 & 3

2 & 3

2 & 3

1 & 2

1 & 2

166MHz

66MHz

2x

2 & 3

1 & 2

1 & 2

2 & 3

1 & 2

200MHz

75MHz

2x

2 & 3

1 & 2

2 & 3

1 & 2

2 & 3

233MHz

75MHz

2.5x

2 & 3

2 & 3

2 & 3

1 & 2

2 & 3

Note: Pins designated should be in the closed position.

CPU SPEED SELECTION (CX MII)

CPU speed

Clock speed

Multiplier

JP2

JP3

JP8

JP9

JP10

300MHz

66MHz

3.5x

1 & 2

1 & 2

1 & 2

2 & 3

1 & 2

Note: Pins designated should be in the closed position.

CPU SPEED SELECTION (AM K5)

CPU speed

Clock speed

Multiplier

JP2

JP3

JP8

JP9

JP10

75MHz

50MHz

1.5x

1 & 2

1 & 2

1 & 2

1 & 2

1 & 2

90MHz

60MHz

1.5x

1 & 2

1 & 2

2 & 3

1 & 2

1 & 2

100MHz

66MHz

1.5x

1 & 2

1 & 2

1 & 2

2 & 3

1 & 2

120MHz

60MHz

1.5x

1 & 2

1 & 2

2 & 3

1 & 2

1 & 2

133MHz

66MHz

1.5x

1 & 2

1 & 2

1 & 2

2 & 3

1 & 2

150MHz

60MHz

2.5x

2 & 3

2 & 3

2 & 3

1 & 2

1 & 2

166MHz

66MHz

2.5x

2 & 3

2 & 3

1 & 2

2 & 3

1 & 2

Note: Pins designated should be in the closed position.

CPU SPEED SELECTION (AM K6)

CPU speed

Clock speed

Multiplier

JP2

JP3

JP8

JP9

JP10

166MHz

66MHz

2.5x

2 & 3

2 & 3

1 & 2

2 & 3

1 & 2

200MHz

66MHz

3x

1 & 2

2 & 3

1 & 2

2 & 3

1 & 2

233MHz

66MHz

3.5x

1 & 2

1 & 2

1 & 2

2 & 3

1 & 2

266MHz

66MHz

4x

2 & 3

1 & 2

1 & 2

2 & 3

1 & 2

300MHz

66MHz

4.5x

2 & 3

2 & 3

1 & 2

2 & 3

1 & 2

Note: Pins designated should be in the closed position.

CPU SPEED SELECTION (INTEL)

CPU speed

Clock speed

Multiplier

JP2

JP3

JP8

JP9

JP10

75MHz

50MHz

1.5x

1 & 2

1 & 2

1 & 2

1 & 2

1 & 2

90MHz

60MHz

1.5x

1 & 2

1 & 2

2 & 3

1 & 2

1 & 2

100MHz

66MHz

1.5x

1 & 2

1 & 2

1 & 2

2 & 3

1 & 2

120MHz

60MHz

2x

2 & 3

1 & 2

2 & 3

1 & 2

1 & 2

133MHz

66MHz

2x

2 & 3

1 & 2

1 & 2

2 & 3

1 & 2

150MHz

60MHz

2.5x

2 & 3

2 & 3

2 & 3

1 & 2

1 & 2

166MHz

66MHz

2.5x

2 & 3

2 & 3

1 & 2

2 & 3

1 & 2

180MHz

60MHz

3x

1 & 2

2 & 3

2 & 3

1 & 2

1 & 2

200MHz

66MHz

3x

1 & 2

2 & 3

1 & 2

2 & 3

1 & 2

Note: Pins designated should be in the closed position.

CPU SPEED SELECTION (INTEL MMX)

CPU speed

Clock speed

Multiplier

JP2

JP3

JP8

JP9

JP10

166MHz

66MHz

2.5x

2 & 3

2 & 3

1 & 2

2 & 3

1 & 2

200MHz

66MHz

3x

1 & 2

2 & 3

1 & 2

2 & 3

1 & 2

233MHz

66MHz

3.5x

1 & 2

1 & 2

1 & 2

2 & 3

1 & 2

Note: Pins designated should be in the closed position.

CPU TYPE SELECTION

Type

JP6

Single voltage

Open

Dual voltage

Pins 1 & 2, 3 & 4, 5 & 6 closed

CPU VOLTAGE SELECTION

Voltage

JP5

2.0v

Open

2.1v

Pins 1 & 2 closed

2.5v

Pins 1 & 2, 5 & 6 closed

2.8v

Pins 7 & 8 closed

2.9v

Pins 1 & 2, 7 & 8 closed

3.0v

Pins 3 & 4, 7 & 8 closed

3.1v

Pins 1 & 2, 3 & 4, 7 & 8 closed

3.2v

Pins 5 & 6, 7 & 8 closed

3.3v

Pins 1 & 2, 5 & 6, 7 & 8 closed

3.5v

Pins 1 & 2, 3 & 4, 5 & 6, 7 & 8 closed