INTEL CORPORATION
MU440EX
|
Device Type |
Mainboard |
|
Processor |
Pentium II |
|
Processor Speed |
233/266/300/333MHz |
|
Chip Set |
Intel |
|
Video Chip Set |
ATI |
|
Maximum Onboard Memory |
256MB (SDRAM supported) |
|
Maximum Video Memory |
2MB |
|
Cache |
512KB (located on Pentium II CPU) |
|
BIOS |
Intel, Phoenix |
|
Dimensions |
254mm x 218mm |
|
I/O Options |
32-bit PCI slots (2), floppy drive interface, game/MIDI port, IDE interfaces (2), parallel port, PS/2 mouse port, serial port, VGA port, IR connector, USB connectors (2), ATX power connector, line in, line out, microphone in, audio in – CD-ROM |
|
NPU Options |
None |
|
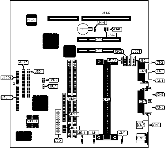
CONNECTIONS | |||
|
Purpose |
Location |
Purpose |
Location |
|
ATX power connector |
ATX |
Wake on ring connector |
J3A2 |
|
Game/MIDI port |
CN1 |
Wake on LAN connector |
J4A1 |
|
Microphone in |
CN2 |
CPU fan power |
J4J1 |
|
Line in |
CN3 |
CPU fan power |
J5J1 |
|
Line out |
CN4 |
TV out connector |
J6J1 |
|
VGA port |
CN5 |
AMC connector |
J7F1 |
|
Serial port |
CN6 |
PC/PCI connector |
J8D2 |
|
Parallel port |
CN7 |
IDE interface |
J9D1 |
|
USB connector 2 |
CN8 |
IDE interface |
J9D2 |
|
USB connector 1 |
CN9 |
IDE interface LED |
J10D1/pins 1 & 3 |
|
PS/2 mouse port |
CN10 |
Power LED |
J10D1/pins 2 & 4 |
|
Telephony connector |
J1C1 |
Reset switch |
J10D1/pins 5 & 7 |
|
2mm CD-ROM |
J1C3 |
Soft off power supply |
J10D1/pins 6 & 8 |
|
Auxiliary line in |
J2C1 |
IR connector |
J10D1/pins 11 - 16 |
|
Audio in – CD-ROM |
J2C2 |
Floppy drive interface |
J10F1 |
|
CPU fan power |
J2J1 |
32-bit PCI slots |
PC1 – PC2 |
|
Chassis alarm |
J3A1 | ||
|
USER CONFIGURABLE SETTINGS | |||
|
Function |
Label |
Position | |
|
Flash BIOS normal operation |
J8E1 |
Pins 1 & 2 closed | |
|
Flash BIOS configuration mode |
J8E1 |
Pins 2 & 3 closed | |
|
Flash BIOS recovery mode |
J8E1 |
Open | |
|
DIMM CONFIGURATION | ||
|
Size |
Bank 0 |
Bank 1 |
|
8MB |
(1) 1M x 64 |
None |
|
16MB |
(1) 2M x 64 |
None |
|
16MB |
(1) 1M x 64 |
(1) 1M x 64 |
|
24MB |
(1) 2M x 64 |
(1) 1M x 64 |
|
32MB |
(1) 4M x 64 |
None |
|
32MB |
(1) 2M x 64 |
(1) 2M x 64 |
|
40MB |
(1) 4M x 64 |
(1) 1M x 64 |
|
48MB |
(1) 4M x 64 |
(1) 2M x 64 |
|
64MB |
(1) 8M x 64 |
None |
|
64MB |
(1) 4M x 64 |
(1) 4M x 64 |
|
DIMM CONFIGURATION (CON’T) | ||
|
Size |
Bank 0 |
Bank 1 |
|
72MB |
(1) 8M x 64 |
(1) 1M x 64 |
|
80MB |
(1) 8M x 64 |
(1) 2M x 64 |
|
96MB |
(1) 8M x 64 |
(1) 4M x 64 |
|
128MB |
(1) 16M x 64 |
None |
|
128MB |
(1) 8M x 64 |
(1) 8M x 64 |
|
136MB |
(1) 16M x 64 |
(1) 1M x 64 |
|
144MB |
(1) 16M x 64 |
(1) 2M x 64 |
|
160MB |
(1) 16M x 64 |
(1) 4M x 64 |
|
192MB |
(1) 16M x 64 |
(1) 8M x 64 |
|
256MB |
(1) 16M x 64 |
(1) 16M x 64 |
|
Note: Board accepts SDRAM memory. | ||
|
CACHE CONFIGURATION |
|
Note: 512KB cache is located on the Pentium II CPU. |
|
VIDEO MEMORY CONFIGURATION |
|
Note: 2MB video memory factory installed and is not configurable. |