JOY SYSTEMS, INC.
JOY 286-12
|
Processor |
80286 |
|
Processor Speed |
12MHz |
|
Chip Set |
None |
|
Max. Onboard DRAM |
1MB |
|
Cache |
None |
|
BIOS |
AMI |
|
Dimensions |
330mm x 218mm |
|
I/O Options |
None |
|
NPU Options |
80287 |
|
CONNECTIONS | |||
|
Purpose |
Location |
Purpose |
Location |
|
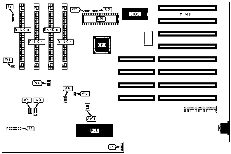
Power LED (+5V) |
J1 pin 1 |
Keylock |
J1 pin 7 |
|
Slow LED (+5V) |
J1 pin 2 |
VCC |
J1 pin 11 |
|
Fast LED (-5V) |
J1 pin 3 |
Speaker |
J2 |
|
Reset switch |
J1 pin 6 |
External battery |
J4 |
|
GND |
J1 pins 5, 8, 9, 15, & 16 | ||
|
USER CONFIGURABLE SETTINGS | |||
|
Function |
Jumper/Switch |
Position | |
| » |
Monitor type select monochrome |
SW1/1 |
Open |
|
Monitor type select color |
SW1/1 |
Closed | |
| » |
Factory configured - do not alter |
W1 |
N/A |
| » |
8-bit bus slot access 6 wait states |
W2 |
pins 5 & 6 closed |
|
8-bit bus slot access 5 wait states |
W2 |
pins 3 & 4 closed | |
|
8-bit bus slot access 4 wait states |
W2 |
pins 1 & 2 closed | |
| » |
16-bit bus slot access 2 wait states |
W3 |
pins 5 & 6 closed |
|
16-bit bus slot access 1 wait states |
W3 |
pins 7 & 8 closed | |
|
16-bit bus slot access 3 wait states |
W3 |
pins 3 & 4 closed | |
|
16-bit bus slot access 4 wait states |
W3 |
pins 1 & 2 closed | |
| » |
Factory configured - do not alter |
W4 |
N/A |
| » |
Factory configured - do not alter |
W5 |
N/A |
| » |
Factory configured - do not alter |
W6 |
pins 1 & 2 open |
| » |
Factory configured - do not alter |
W6 |
pins 5 & 6 open |
| » |
Factory configured - do not alter |
W6 |
pins 7 & 8 closed |
| » |
Factory configured - do not alter |
W7 |
pins 2 & 3 closed |
| » |
Factory configured - do not alter |
W8 |
pins 2 & 3 closed |
|
DRAM CONFIGURATION | ||
|
Size |
Bank 0 |
Bank 1 |
|
512KB |
(2) 256K x 9 |
NONE |
|
1MB |
(2) 256K x 9 |
(2) 256K x 9 |
|
DRAM JUMPER CONFIGURATION | |
|
Size |
W6 |
|
512KB |
pins 3 & 4 closed |
|
1MB |
pins 3 & 4 open |