ELITEGROUP COMPUTER SYSTEMS, INC.

P5VP-A+

Device Type

Mainboard

Processor

CX 6X86/IBM 6X86/CX 6X86L/IBM 6X86L/CX 686MX/IBM 6X86MX/

CX MII/AM K5/AM K6/AM K6-2/Pentium/Pentium MMX

Processor Speed

100/120/133/150/166/200/233/266/300/333/350MHz

Chip Set

VIA MVP

Maximum Onboard Memory

768MB (EDO & SDRAM supported)

Cache

512/1024KB

BIOS

Award

Dimensions

305mm x 180mm

I/O Options

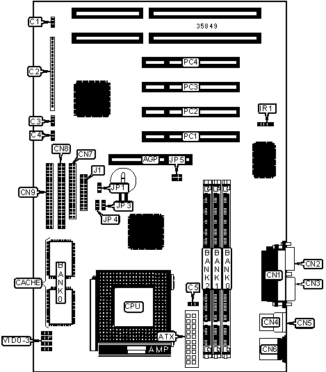
32-bit PCI slots (4), floppy drive interface, green PC connector, IDE interfaces (2), parallel port, PS/2 mouse port, serial ports (2), IR connector, USB connectors (2), ATX power connector, AGP slot, wake on LAN connector, wake on modem connector

CONNECTIONS

Purpose

Location

Purpose

Location

AGP slot

AGP

CPU fan power

C5

ATX power connector

ATX

Parallel port

CN1

Chassis fan power

C1

Serial port 2

CN2

Power LED

C2/pins 1 - 3

Serial port 1

CN3

Green PC LED

C2/pins 7 - 9

USB connector 1

CN4

Keylock

C2/pins 10 & 11

USB connector 2

CN5

Reset switch

C2/pins 12 & 13

PS/2 mouse port

CN6

Speaker

C2/pins 15 - 18

Floppy drive interface

CN7

IDE interface LED

C2/pins 20 & 21

IDE interface 2

CN8

Soft off power supply

C2/pins 22 & 23

IDE interface 1

CN9

Wake on modem connector

C3

IR connector

IR1

Wake on LAN connector

C4

32-bit PCI slots

PC1 – PC4

USER CONFIGURABLE SETTINGS

Function

Label

Position

»

CMOS memory normal operation

JP1

Pins 1 & 2 closed

 

CMOS memory clear

JP1

Pins 2 & 3 closed

DIMM CONFIGURATION

Size

Bank 0

Bank 1

Bank 2

8MB

(1) 1M x 64

None

None

16MB

(1) 1M x 64

(1) 1M x 64

None

16MB

(1) 2M x 64

None

None

24MB

(1) 1M x 64

(1) 1M x 64

(1) 1M x 64

32MB

(1) 2M x 64

(1) 2M x 64

None

32MB

(1) 4M x 64

None

None

48MB

(1) 2M x 64

(1) 2M x 64

(1) 2M x 64

64MB

(1) 4M x 64

(1) 4M x 64

None

64MB

(1) 8M x 64

None

None

96MB

(1) 4M x 64

(1) 4M x 64

(1) 4M x 64

128MB

(1) 8M x 64

(1) 8M x 64

None

128MB

(1) 16M x 64

None

None

164MB

(1) 16M x 64

(1) 1M x 64

None

144MB

(1) 16M x 64

(1) 1M x 64

(1) 1M x 64

DIMM CONFIGURATION (CON’T)

Size

Bank 0

Bank 1

Bank 2

144MB

(1) 16M x 64

(1) 2M x 64

None

160MB

(1) 16M x 64

(1) 2M x 64

(1) 2M x 64

160MB

(1) 16M x 64

(1) 4M x 64

None

192MB

(1) 16M x 64

(1) 4M x 64

(1) 4M x 64

192MB

(1) 16M x 64

(1) 8M x 64

None

192MB

(1) 8M x 64

(1) 8M x 64

(1) 8M x 64

256MB

(1) 16M x 64

(1) 8M x 64

(1) 8M x 64

256MB

(1) 16M x 64

(1) 16M x 64

None

256MB

(1) 32M x 64

None

None

264MB

(1) 32M x 64

(1) 1M x 64

None

272MB

(1) 32M x 64

(1) 1M x 64

(1) 1M x 64

272MB

(1) 32M x 64

(1) 2M x 64

None

288MB

(1) 32M x 64

(1) 2M x 64

(1) 2M x 64

288MB

(1) 32M x 64

(1) 4M x 64

None

320MB

(1) 32M x 64

(1) 4M x 64

(1) 4M x 64

320MB

(1) 32M x 64

(1) 8M x 64

None

384MB

(1) 32M x 64

(1) 8M x 64

(1) 8M x 64

384MB

(1) 32M x 64

(1) 16M x 64

None

384MB

(1) 16M x 64

(1) 16M x 64

(1) 16M x 64

512MB

(1) 32M x 64

(1) 16M x 64

(1) 16M x 64

512MB

(1) 32M x 64

(1) 32M x 64

None

768MB

(1) 32M x 64

(1) 32M x 64

(1) 32M x 64

Note: Board accepts EDO & SDRAM memory.

CACHE CONFIGURATION

Size

Bank 0

512KB

(2) 64K x 32

1MB

(2) 128K x 32

CPU SPEED SELECTION (CX 6X86)

CPU speed

Clock speed

Multiplier

J1

166MHz

66MHz

2x

1 & 3, 4 & 6, 10 & 12

200MHz

75MHz

2x

1 & 3, 4 & 6, 10 & 12

Note: Pins designated should be in the closed position.

CPU SPEED SELECTION (IBM 6X86)

CPU speed

Clock speed

Multiplier

J1

166MHz

66MHz

2x

1 & 3, 4 & 6, 10 & 12

200MHz

75MHz

2x

1 & 3, 4 & 6, 10 & 12

Note: Pins designated should be in the closed position.

CPU SPEED SELECTION (CX 6X86L)

CPU speed

Clock speed

Multiplier

J1

166MHz

66MHz

2x

1 & 3, 4 & 6, 10 & 12

200MHz

75MHz

2x

1 & 3, 4 & 6, 10 & 12

Note: Pins designated should be in the closed position.

CPU SPEED SELECTION (CX 6X86L)

CPU speed

Clock speed

Multiplier

J1

166MHz

66MHz

2x

1 & 3, 4 & 6, 10 & 12

200MHz

75MHz

2x

1 & 3, 4 & 6, 10 & 12

Note: Pins designated should be in the closed position.

CPU SPEED SELECTION (CX 6X86MX)

CPU speed

Clock speed

Multiplier

J1

166MHz

66MHz

2x

1 & 3, 4 & 6, 10 & 12

200MHz

66MHz

2.5x

3 & 5, 4 & 6, 10 & 12

233MHz

66MHz

3x

2 & 4, 3 & 5, 10 & 12

200MHz

75MHz

2x

1 & 3, 4 & 6, 10 & 12

233MHz

75MHz

2.5x

3 & 5, 4 & 6, 10 & 12

300MHz

75MHz

3x

2 & 4, 3 & 5, 10 & 12

Note: Pins designated should be in the closed position.

CPU SPEED SELECTION (IBM 6X86MX)

CPU speed

Clock speed

Multiplier

J1

166MHz

66MHz

2x

1 & 3, 4 & 6, 10 & 12

200MHz

66MHz

2.5x

3 & 5, 4 & 6, 10 & 12

233MHz

66MHz

3x

2 & 4, 3 & 5, 10 & 12

200MHz

75MHz

2x

1 & 3, 4 & 6, 10 & 12

233MHz

75MHz

2.5x

3 & 5, 4 & 6, 10 & 12

300MHz

75MHz

3x

2 & 4, 3 & 5, 10 & 12

Note: Pins designated should be in the closed position.

CPU SPEED SELECTION (CX MII)

CPU speed

Clock speed

Multiplier

J1

233MHz

83MHz

2x

1 & 3, 4 & 6, 10 & 12

266MHz

83MHz

2.5x

3 & 5, 4 & 6, 10 & 12

333MHz

83MHz

3x

2 & 4, 3 & 5, 10 & 12

Note: Pins designated should be in the closed position.

CPU SPEED SELECTION (IBM MII)

CPU speed

Clock speed

Multiplier

J1

233MHz

83MHz

2x

1 & 3, 4 & 6, 10 & 12

266MHz

83MHz

2.5x

3 & 5, 4 & 6, 10 & 12

333MHz

83MHz

3x

2 & 4, 3 & 5, 10 & 12

Note: Pins designated should be in the closed position.

CPU SPEED SELECTION (AM K5)

CPU speed

Clock speed

Multiplier

J1

100MHz

66MHz

1.5x

1 & 3, 2 & 4, 10 & 12

133MHz

66MHz

2x

1 & 3, 4 & 6, 10 & 12

166MHz

66MHz

2.5x

3 & 5, 4 & 6, 10 & 12

Note: Pins designated should be in the closed position.

CPU SPEED SELECTION (AM K6)

CPU speed

Clock speed

Multiplier

J1

166MHz

66MHz

2.5x

3 & 5, 4 & 6, 10 & 12

200MHz

66MHz

3x

2 & 4, 3 & 5, 10 & 12

233MHz

66MHz

3.5x

1 & 3, 2 & 4, 10 & 12

266MHz

66MHz

4x

1 & 3, 4 & 6, 12 & 14

300MHz

66MHz

4.5x

3 & 5, 4 & 6, 12 & 14

Note: Pins designated should be in the closed position.

CPU SPEED SELECTION (AM K6-2)

CPU speed

Clock speed

Multiplier

J1

300MHz

100MHz

3x

2 & 4, 3 & 5, 10 & 12

333MHz

95MHz

3.5x

1 & 3, 2 & 4, 10 & 12

350MHz

100MHz

3.5x

1 & 3, 2 & 4, 10 & 12

Note: Pins designated should be in the closed position.

CPU SPEED SELECTION (INTEL)

CPU speed

Clock speed

Multiplier

J1

100MHz

66MHz

1.5x

1 & 3, 2 & 4, 10 & 12

133MHz

66MHz

2x

1 & 3, 4 & 6, 10 & 12

166MHz

66MHz

2.5x

3 & 5, 4 & 6, 10 & 12

200MHz

66MHz

3x

2 & 4, 3 & 5, 10 & 12

Note: Pins designated should be in the closed position.

CPU SPEED SELECTION (INTEL MMX)

CPU speed

Clock speed

Multiplier

J1

166MHz

66MHz

2.5x

3 & 5, 4 & 6, 10 & 12

200MHz

66MHz

3x

2 & 4, 3 & 5, 10 & 12

233MHz

66MHz

3.5x

1 & 3, 2 & 4, 10 & 12

Note: Pins designated should be in the closed position.

CPU VOLTAGE SELECTION (SINGLE)

Voltage

JP5

»

3.3v

Pins 1 & 2 closed

 

3.52v

Pins 3 & 4 closed

CPU VOLTAGE SELECTION (DUAL)

Voltage

VID0

VID1

VID2

VID3

 

1.2v

Pins 2 & 3 closed

Pins 2 & 3 closed

Pins 2 & 3 closed

Pins 2 & 3 closed

 

2.1v

Pins 1 & 2 closed

Pins 2 & 3 closed

Pins 2 & 3 closed

Pins 2 & 3 closed

 

2.2v

Pins 2 & 3 closed

Pins 1 & 2 closed

Pins 2 & 3 closed

Pins 2 & 3 closed

 

2.3v

Pins 1 & 2 closed

Pins 1 & 2 closed

Pins 2 & 3 closed

Pins 2 & 3 closed

 

2.4v

Pins 2 & 3 closed

Pins 2 & 3 closed

Pins 1 & 2 closed

Pins 2 & 3 closed

 

2.5v

Pins 1 & 2 closed

Pins 2 & 3 closed

Pins 1 & 2 closed

Pins 2 & 3 closed

 

2.6v

Pins 2 & 3 closed

Pins 1 & 2 closed

Pins 1 & 2 closed

Pins 2 & 3 closed

 

2.7v

Pins 1 & 2 closed

Pins 1 & 2 closed

Pins 1 & 2 closed

Pins 2 & 3 closed

»

2.8v

Pins 2 & 3 closed

Pins 2 & 3 closed

Pins 2 & 3 closed

Pins 1 & 2 closed

 

2.9v

Pins 1 & 2 closed

Pins 2 & 3 closed

Pins 2 & 3 closed

Pins 1 & 2 closed

 

3.0v

Pins 2 & 3 closed

Pins 1 & 2 closed

Pins 2 & 3 closed

Pins 1 & 2 closed

 

3.1v

Pins 1 & 2 closed

Pins 1 & 2 closed

Pins 2 & 3 closed

Pins 1 & 2 closed

 

3.2v

Pins 2 & 3 closed

Pins 2 & 3 closed

Pins 1 & 2 closed

Pins 1 & 2 closed

 

3.3v

Pins 1 & 2 closed

Pins 2 & 3 closed

Pins 1 & 2 closed

Pins 1 & 2 closed

 

3.4v

Pins 2 & 3 closed

Pins 1 & 2 closed

Pins 1 & 2 closed

Pins 1 & 2 closed

 

3.5v

Pins 1 & 2 closed

Pins 1 & 2 closed

Pins 1 & 2 closed

Pins 1 & 2 closed

AGP/PCI SPEED SELECTION

System bus

AGP bus

PCI bus

J1

JP3

JP4

»

66MHz

66MHz

33MHz

9 & 11, 19 & 21, 20 & 22

2 & 3

1 & 2

 

75MHz

75MHz

37MHz

9 & 11, 18 & 20, 19 & 21

2 & 3

1 & 2

 

83MHz

66MHz

33MHz

9 & 11, 17 & 19, 20 & 22

1 & 2

1 & 2

 

95MHz

64MHz

32MHz

11 & 13, 17 & 19, 18 & 20

1 & 2

2 & 3

 

100MHz

66MHz

33MHz

9 & 11, 17 & 19, 18 & 20

1 & 2

2 & 3

 

112MHz

75MHz

37MHz

11 & 13, 19 & 21, 20 & 22

1 & 2

2 & 3

 

124MHz

83MHz

41MHz

11 & 13, 18 & 20, 19 & 21

1 & 2

2 & 3

Note: Pins designated should be in the closed position.