EURONE
MS-7070S
|
Device Type |
Mainboard |
|
Processor |
Pentium II/Celeron |
|
Processor Speed |
233/266/300/333/350/400/450 |
|
Chip Set |
Intel 440BX |
|
Audio Chip Set |
Yamaha |
|
Maximum Onboard Memory |
384MB (EDO & SDRAM supported) |
|
Cache |
0/128/256/512KB (located on the CPU) |
|
BIOS |
Award |
|
Dimensions |
305mm x 205mm |
|
I/O Options |
32-bit PCI slots (4), floppy drive interface, game/MIDI port, IDE interfaces (2), parallel port, PS/2 mouse port, serial ports (2), IR connector, USB connectors (2), ATX power connector, AGP slot, line in, line out, microphone in, audio in – CD-ROMs (2), SB link connector |
|
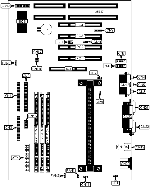
CONNECTIONS | |||
|
Purpose |
Location |
Purpose |
Location |
|
AGP slot |
AGP |
IDE interface LED |
CN13/pins 11 & 12 |
|
ATX power connector |
ATX |
Power LED & keylock |
CN13/pins 13 - 17 |
|
IDE interface 1 |
CN1 |
Speaker |
CN13/pins 19 - 22 |
|
IDE interface 2 |
CN2 |
Soft off power supply |
CN13/pins 23 & 24 |
|
Floppy drive interface |
CN3 |
Fan II connector |
CN15 |
|
Line in |
CN4 |
Volume down connector |
CN17 |
|
Line out |
CN5 |
Volume up connector |
CN18 |
|
Audio in – CD-ROM (Sony) |
CN6 |
USB connector 1 |
CN19A |
|
Audio in – CD-ROM |
CN7 |
USB connector 2 |
CN19 |
|
Microphone in |
CN8 |
PS/2 mouse port |
CN20 |
|
IR connector |
CN9 |
Serial port 2 |
CN21 |
|
Wake on LAN connector |
CN10 |
Serial port 1 |
CN22 |
|
Chassis intrusion connector |
CN11 |
Parallel port |
CN23 |
|
Game/MIDI port |
CN12 |
CPU fan power |
FAN1 |
|
Turbo switch |
CN13/pins 1 & 2 |
CPU fan power |
FAN2 |
|
Green PC connector |
CN13/pins 4 & 5 |
Chassis fan power |
FAN3 |
|
Green PC LED |
CN13/pins 6 & 7 |
SB link connector` |
JP3 |
|
Reset switch |
CN13/pins 9 & 10 |
32-bit PCI slots |
PC1 - PC4 |
|
USER CONFIGURABLE SETTINGS | |||
|
Function |
Label |
Position | |
|
» |
Power on by keyboard disabled |
JP1 |
Pins 1 & 2 closed |
|
Power on by keyboard enabled |
JP1 |
Pins 2 & 3 closed | |
|
» |
CMOS memory normal operation |
JP4 |
Pins 1 & 2 closed |
|
CMOS memory clear |
JP4 |
Pins 2 & 3 closed | |
|
DIMM CONFIGURATION | |||
|
Size |
Bank 0 |
Bank 1 |
Bank 2 |
|
8MB |
(1) 1M x 64 |
None |
None |
|
16MB |
(1) 1M x 64 |
(1) 1M x 64 |
None |
|
16MB |
(1) 2M x 64 |
None |
None |
|
24MB |
(1) 1M x 64 |
(1) 1M x 64 |
(1) 1M x 64 |
|
24MB |
(1) 2M x 64 |
(1) 1M x 64 |
None |
|
32MB |
(1) 2M x 64 |
(1) 2M x 64 |
None |
|
32MB |
(1) 4M x 64 |
None |
None |
|
40MB |
(1) 2M x 64 |
(1) 2M x 64 |
(1) 1M x 64 |
|
48MB |
(1) 2M x 64 |
(1) 2M x 64 |
(1) 2M x 64 |
|
48MB |
(1) 4M x 64 |
(1) 2M x 64 |
None |
|
64MB |
(1) 4M x 64 |
(1) 4M x 64 |
None |
|
64MB |
(1) 8M x 64 |
None |
None |
|
80MB |
(1) 4M x 64 |
(1) 4M x 64 |
(1) 2M x 64 |
|
96MB |
(1) 4M x 64 |
(1) 4M x 64 |
(1) 4M x 64 |
|
96MB |
(1) 8M x 64 |
(1) 4M x 64 |
None |
|
128MB |
(1) 8M x 64 |
(1) 8M x 64 |
None |
|
128MB |
(1) 16M x 64 |
None |
None |
|
160MB |
(1) 8M x 64 |
(1) 8M x 64 |
(1) 4M x 64 |
|
192MB |
(1) 8M x 64 |
(1) 8M x 64 |
(1) 8M x 64 |
|
192MB |
(1) 16M x 64 |
(1) 8M x 64 |
None |
|
256MB |
(1) 16M x 64 |
(1) 16M x 64 |
None |
|
320MB |
(1) 16M x 64 |
(1) 16M x 64 |
(1) 8M x 64 |
|
384MB |
(1) 16M x 64 |
(1) 16M x 64 |
(1) 16M x 64 |
|
CACHE CONFIGURATION |
|
The 256/512KB cache is located on the Pentium II CPU. The 128KB cache is located on the Celeron 300A & 333 CPU. |
|
CPU FREQUENCY SELECTION | ||
|
Frequency |
JP9 | |
| » |
Auto |
Pins 2 & 3 closed |
|
100MHz |
Pins 1 & 2 closed | |