FIRST INTERNATIONAL COMPUTER, INC.

PT-2012

Device Type

Mainboard

Processor

CX 6X86/IBM 6X86/CX 6X86L/IBM 6X86L/CX 686MX/IBM 6X86MX/

AM K5/AM K6/Pentium

Processor Speed

90/100/120/133/150/166/200/233/266/300MHz

Chip Set

Intel

Video Chip Set

None

Maximum Onboard Memory

256MB (EDO & SDRAM supported)

Maximum Video Memory

None

Cache

512KB

BIOS

Award

Dimensions

305mm x 244mm

I/O Options

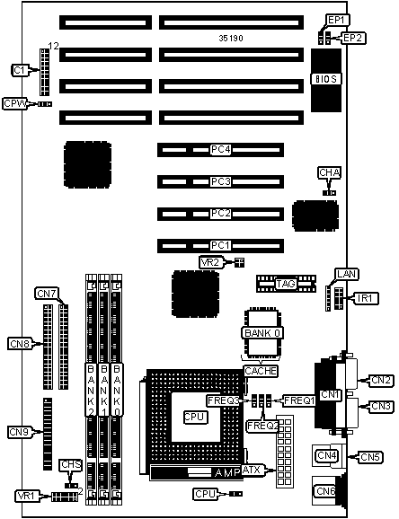
32-bit PCI slots (5), floppy drive interface, green PC connector, IDE interfaces (2), parallel port, PS/2 mouse port, serial ports (2), IR connector, USB connectors (2), ATX power connector

NPU Options

None

CONNECTIONS

Purpose

Location

Purpose

Location

ATX power connector

ATX

Serial port 2

CN2

Power LED & keylock

C1/pins 1 - 5

Serial port 1

CN3

Turbo LED

C1/pins 6 & 7

USB connector 1

CN4

Green PC connector

C1/pins 8 & 9

USB connector 2

CN5

Green PC LED

C1/pins 10 & 11

PS/2 mouse port

CN6

Speaker

C1/pins 12 - 15

IDE interface 2

CN7

IDE interface LED

C1/pins 16 & 17

IDE interface 1

CN8

Soft off power supply

C1/pins 18 & 19

Floppy drive interface

CN9

Reset switch

C1/pins 20 & 21

CPU fan power

CPU

Chassis intrusion alarm

CHA

IR connector

IR1

Chassis fan power

CHS

Wake on LAN connector

LAN

Parallel port

CN1

32-bit PCI slots

PC1 – PC5

USER CONFIGURABLE SETTINGS

Function

Label

Position

»

Password disabled

CPW

Open

 

Password enabled

CPW

Closed

DIMM CONFIGURATION

Size

Bank 0

Bank 1

Bank 2

8MB

(1) 1M x 64

None

None

16MB

(1) 2M x 64

None

None

16MB

(1) 1M x 64

(1) 1M x 64

None

24MB

(1) 2M x 64

(1) 1M x 64

None

24MB

(1) 1M x 64

(1) 1M x 64

(1) 1M x 64

32MB

(1) 4M x 64

None

None

32MB

(1) 2M x 64

(1) 1M x 64

(1) 1M x 64

32MB

(1) 2M x 64

(1) 2M x 64

None

40MB

(1) 4M x 64

(1) 1M x 64

None

40MB

(1) 2M x 64

(1) 2M x 64

(1) 1M x 64

48MB

(1) 4M x 64

(1) 1M x 64

(1) 1M x 64

48MB

(1) 4M x 64

(1) 2M x 64

None

48MB

(1) 2M x 64

(1) 2M x 64

(1) 2M x 64

56MB

(1) 4M x 64

(1) 2M x 64

(1) 1M x 64

64MB

(1) 8M x 64

None

None

64MB

(1) 4M x 64

(1) 2M x 64

(1) 2M x 64

DIMM CONFIGURATION (CON’T)

Size

Bank 0

Bank 1

Bank 2

64MB

(1) 4M x 64

(1) 4M x 64

None

72MB

(1) 8M x 64

(1) 1M x 64

None

72MB

(1) 4M x 64

(1) 4M x 64

(1) 1M x 64

80MB

(1) 8M x 64

(1) 1M x 64

(1) 1M x 64

80MB

(1) 8M x 64

(1) 2M x 64

None

80MB

(1) 4M x 64

(1) 4M x 64

(1) 2M x 64

88MB

(1) 8M x 64

(1) 2M x 64

(1) 1M x 64

96MB

(1) 8M x 64

(1) 2M x 64

(1) 2M x 64

96MB

(1) 8M x 64

(1) 4M x 64

None

96MB

(1) 4M x 64

(1) 4M x 64

(1) 4M x 64

104MB

(1) 8M x 64

(1) 4M x 64

(1) 1M x 64

112MB

(1) 8M x 64

(1) 4M x 64

(1) 2M x 64

128MB

(1) 16M x 64

None

None

128MB

(1) 8M x 64

(1) 4M x 64

(1) 4M x 64

128MB

(1) 8M x 64

(1) 8M x 64

None

136MB

(1) 16M x 64

(1) 1M x 64

None

136MB

(1) 8M x 64

(1) 8M x 64

(1) 1M x 64

144MB

(1) 16M x 64

(1) 1M x 64

(1) 1M x 64

144MB

(1) 16M x 64

(1) 2M x 64

None

144MB

(1) 8M x 64

(1) 8M x 64

(1) 2M x 64

152MB

(1) 16M x 64

(1) 2M x 64

(1) 1M x 64

160MB

(1) 16M x 64

(1) 2M x 64

(1) 2M x 64

160MB

(1) 16M x 64

(1) 4M x 64

None

160MB

(1) 8M x 64

(1) 8M x 64

(1) 4M x 64

168MB

(1) 16M x 64

(1) 4M x 64

(1) 1M x 64

176MB

(1) 16M x 64

(1) 4M x 64

(1) 2M x 64

192MB

(1) 16M x 64

(1) 4M x 64

(1) 4M x 64

192MB

(1) 16M x 64

(1) 8M x 64

None

192MB

(1) 8M x 64

(1) 8M x 64

(1) 8M x 64

200MB

(1) 16M x 64

(1) 8M x 64

(1) 1M x 64

208MB

(1) 16M x 64

(1) 8M x 64

(1) 2M x 64

224MB

(1) 16M x 64

(1) 8M x 64

(1) 4M x 64

256MB

(1) 16M x 64

(1) 8M x 64

(1) 8M x 64

Note: Board accepts EDO & SDRAM memory.

CACHE CONFIGURATION

Size

Bank 0

TAG

512KB

(1) 64K x 64

Unidentified

CPU SPEED SELECTION (CX 6X86)

CPU speed

Clock speed

Multiplier

FREQ1

FREQ2

FREQ3

133MHz

55MHz

2x

2 & 3

1 & 2

1 & 2

150MHz

60MHz

2x

2 & 3

1 & 2

1 & 2

166MHz

66MHz

2x

2 & 3

1 & 2

1 & 2

Note: Pins designated should be in the closed position.

CPU SPEED SELECTION (IBM 6X86)

CPU speed

Clock speed

Multiplier

FREQ1

FREQ2

FREQ3

133MHz

55MHz

2x

2 & 3

1 & 2

1 & 2

150MHz

60MHz

2x

2 & 3

1 & 2

1 & 2

166MHz

66MHz

2x

2 & 3

1 & 2

1 & 2

Note: Pins designated should be in the closed position.

CPU SPEED SELECTION (CX 6X86L)

CPU speed

Clock speed

Multiplier

FREQ1

FREQ2

FREQ3

133MHz

55MHz

2x

2 & 3

1 & 2

1 & 2

150MHz

60MHz

2x

2 & 3

1 & 2

1 & 2

166MHz

66MHz

2x

2 & 3

1 & 2

1 & 2

Note: Pins designated should be in the closed position.

CPU SPEED SELECTION (IBM 6X86L)

CPU speed

Clock speed

Multiplier

FREQ1

FREQ2

FREQ3

133MHz

55MHz

2x

2 & 3

1 & 2

1 & 2

150MHz

60MHz

2x

2 & 3

1 & 2

1 & 2

166MHz

66MHz

2x

2 & 3

1 & 2

1 & 2

Note: Pins designated should be in the closed position.

CPU SPEED SELECTION (CX 6X86MX)

CPU speed

Clock speed

Multiplier

FREQ1

FREQ2

FREQ3

166MHz

60MHz

2.5x

2 & 3

2 & 3

2 & 3

200MHz

66MHz

2.5x

2 & 3

2 & 3

2 & 3

233MHz

60MHz

3x

1 & 2

2 & 3

2 & 3

233MHz

66MHz

3x

1 & 2

2 & 3

2 & 3

Note: Pins designated should be in the closed position.

CPU SPEED SELECTION (IBM 6X86MX)

CPU speed

Clock speed

Multiplier

FREQ1

FREQ2

FREQ3

166MHz

60MHz

2.5x

2 & 3

2 & 3

2 & 3

200MHz

66MHz

2.5x

2 & 3

2 & 3

2 & 3

233MHz

60MHz

3x

1 & 2

2 & 3

2 & 3

233MHz

66MHz

3x

1 & 2

2 & 3

2 & 3

Note: Pins designated should be in the closed position.

CPU SPEED SELECTION (AM K5)

CPU speed

Clock speed

Multiplier

FREQ1

FREQ2

FREQ3

90MHz

60MHz

1.5x

1 & 2

1 & 2

1 & 2

100MHz

66MHz

1.5x

1 & 2

1 & 2

1 & 2

120MHz

60MHz

1.5x

1 & 2

1 & 2

1 & 2

133MHz

66MHz

1.5x

1 & 2

1 & 2

1 & 2

150MHz

60MHz

1.75x

2 & 3

2 & 3

1 & 2

166MHz

66MHz

1.75x

2 & 3

2 & 3

1 & 2

200MHz

66MHz

2x

1 & 2

2 & 3

1 & 2

Note: Pins designated should be in the closed position.

CPU SPEED SELECTION (AM K6)

CPU speed

Clock speed

Multiplier

FREQ1

FREQ2

FREQ3

166MHz

66MHz

2.5x

2 & 3

2 & 3

1 & 2

200MHz

66MHz

3x

1 & 2

2 & 3

1 & 2

233MHz

66MHz

3.5x

1 & 2

1 & 2

1 & 2

266MHz

66MHz

4x

2 & 3

1 & 2

2 & 3

300MHz

66MHz

4.5x

2 & 3

2 & 3

2 & 3

Note: Pins designated should be in the closed position.

CPU SPEED SELECTION (INTEL)

CPU speed

Clock speed

Multiplier

FREQ1

FREQ2

FREQ3

90MHz

60MHz

1.5x

1 & 2

1 & 2

1 & 2

100MHz

66MHz

1.5x

1 & 2

1 & 2

1 & 2

120MHz

60MHz

2x

2 & 3

1 & 2

1 & 2

133MHz

66MHz

2x

2 & 3

1 & 2

1 & 2

150MHz

60MHz

2.5x

2 & 3

2 & 3

1 & 2

166MHz

66MHz

2.5x

2 & 3

2 & 3

1 & 2

200MHz

66MHz

3x

1 & 2

2 & 3

1 & 2

Note: Pins designated should be in the closed position.

CPU SPEED SELECTION (INTEL MMX)

CPU speed

Clock speed

Multiplier

FREQ1

FREQ2

FREQ3

166MHz

66MHz

2.5x

2 & 3

2 & 3

1 & 2

200MHz

66MHz

3x

1 & 2

2 & 3

1 & 2

233MHz

66MHz

3.5x

1 & 2

1 & 2

1 & 2

Note: Pins designated should be in the closed position.

CPU VOLTAGE SELECTION (SINGLE)

Voltage

VR1

VR2

3.3v

Pins 3 & 4 closed

Open

3.5v

Pins 1 & 2 closed

Open

CPU VOLTAGE SELECTION (DUAL)

Voltage

V core

VR1

VR2

3.3v

2.1v

Pins 11 & 12 closed

Pins 1 & 2, 3 & 4 closed

3.3v

2.8v

Pins 9 & 10 closed

Pins 1 & 2, 3 & 4 closed

3.3v

2.9v

Pins 7 & 8 closed

Pins 1 & 2, 3 & 4 closed

3.3v

3.2v

Pins 5 & 6 closed

Pins 1 & 2, 3 & 4 closed

FLASH BIOS SELECTION

Type

EP1

EP2

AMD 28F020

Pins 2 & 3 closed

Pins 1 & 2 closed

ATMEL AT29C020

Pins 2 & 3 closed

Open

Intel 28F001

Pins 1 & 2 closed

Pins 2 & 3 closed

MXIC MX28F2000

Pins 2 & 3 closed

Pins 2 & 3 closed

SST 29EE010

Pins 2 & 3 closed

Open

SST 29EE020

Pins 2 & 3 closed

Open