ELITEGROUP COMPUTER SYSTEMS, INC.

P5TX-LA

Processor

CX 6X86/CX 6X86L/CX 686MX/IBM 6X86/ IBM 6X86L/IBM 686MX/ AM K5/AM K6/Pentium

Processor Speed

75/90/100/120/133/150/166/200/233/266MHz

Chip Set

Intel

Video Chip Set

ATI

Maximum Onboard Memory

256MB (EDO supported)

Maximum Video Memory

4MB

Cache

256/512KB

BIOS

Award

Dimensions

330mm x 218mm

I/O Options

Floppy drive interface, green PC connector, IDE interfaces (2), parallel port, PS/2 mouse port, serial ports (2), VGA feature connector, VGA port, IR connector, USB connector, ATX power connector, audio in – CD-ROM, audio connector, TV-out connector

NPU Options

None

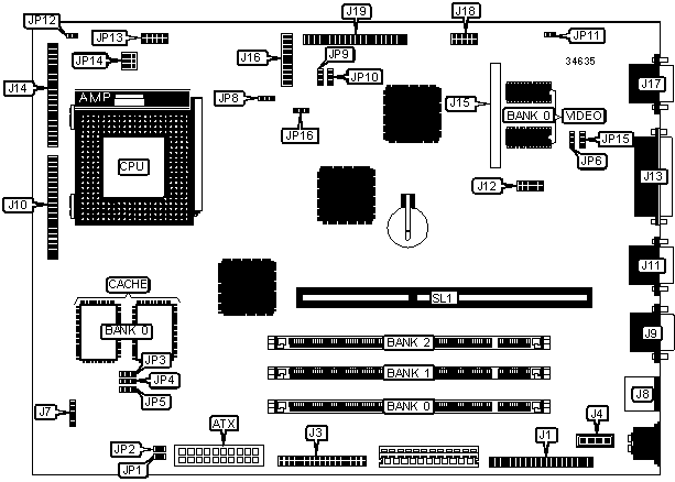
CONNECTIONS

Purpose

Location

Purpose

Location

ATX power connector

ATX

Green PC connector

J16/pins 4 & 5

External audio connector

J1

Turbo switch

J16/pins 6 & 7

Floppy drive interface

J3

Reset switch

J16/pins 9 & 10

Audio in – CD-ROM

J4

Keylock

J16/pins 11 - 15

IR connector

J7

Speaker

J16/pins 17 - 20

PS/2 mouse port

J8

VGA port

J17

Serial port 1

J9

TV out connector

J18

IDE interface 2

J10

VGA feature connector

J19

Serial port 2

J11

Soft off power supply

JP1

USB connector

J12

Wake up on modem connector

JP2

Parallel port

J13

CPU fan power

JP8

IDE interface 1

J14

IDE interface LED

JP12

Memory socket

J15

EISA slot

SL1

Power LED

J16/pins 2 & 3

   

USER CONFIGURABLE SETTINGS

Function

Label

Position

»

Flash BIOS normal operation

JP6

Pins 2 & 3 closed

 

Flash BIOS flash mode

JP6

Pins 1 & 2 closed

»

CMOS memory normal operation

JP15

Pins 2 & 3 closed

 

CMOS memory clear

JP15

Pins 1 & 2 closed

DIMM CONFIGURATION

Size

Bank 0

Bank 1

Bank 2

8MB

(1) 1M x 64

None

None

16MB

(1) 2M x 64

None

None

16MB

(1) 1M x 64

(1) 1M x 64

None

24MB

(1) 2M x 64

(1) 1M x 64

None

24MB

(1) 1M x 64

(1) 1M x 64

(1) 1M x 64

32MB

(1) 4M x 64

None

None

32MB

(1) 2M x 64

(1) 2M x 64

None

40MB

(1) 4M x 64

(1) 1M x 64

None

48MB

(1) 4M x 64

(1) 2M x 64

None

48MB

(1) 2M x 64

(1) 2M x 64

(1) 2M x 64

64MB

(1) 8M x 64

None

None

64MB

(1) 4M x 64

(1) 4M x 64

None

72MB

(1) 8M x 64

(1) 1M x 64

None

80MB

(1) 8M x 64

(1) 2M x 64

None

96MB

(1) 8M x 64

(1) 4M x 64

None

96MB

(1) 4M x 64

(1) 4M x 64

(1) 4M x 64

128MB

(1) 16M x 64

None

None

128MB

(1) 8M x 64

(1) 8M x 64

None

136MB

(1) 16M x 64

(1) 1M x 64

None

DIMM CONFIGURATION (CON’T)

Size

Bank 0

Bank 1

Bank 2

144MB

(1) 16M x 64

(1) 2M x 64

None

160MB

(1) 16M x 64

(1) 4M x 64

None

192MB

(1) 16M x 64

(1) 8M x 64

None

192MB

(1) 8M x 64

(1) 8M x 64

(1) 8M x 64

256MB

(1) 16M x 64

(1) 16M x 64

None

Note: Board accepts EDO memory.

CACHE CONFIGURATION

Size

Bank 0

256KB

(2) 32K x 32

512KB

(2) 64K x 32

VIDEO MEMORY CONFIGURATION

Size

Bank 0

J15

2MB

2MB

Not Installed

4MB

2MB

2MB module installed

CPU SPEED SELECTION (CX 6X86/6X86L)

CPU speed

Clock speed

Multiplier

JP3

JP4

JP5

JP14

120MHz

50MHz

2x

2 & 3

2 & 3

2 & 3

2 & 5, 3 & 6, 4 & 7

133MHz

55MHz

2x

2 & 3

2 & 3

1 & 2

2 & 5, 3 & 6, 4 & 7

150MHz

60MHz

2x

1 & 2

2 & 3

2 & 3

2 & 5, 3 & 6, 4 & 7

166MHz

66MHz

2x

2 & 3

1 & 2

2 & 3

2 & 5, 3 & 6, 4 & 7

200MHz

75MHz

2x

1 & 2

2 & 3

1 & 2

2 & 5, 3 & 6, 4 & 7

Note: Pins designated should be in the closed position.

CPU SPEED SELECTION (CX 6X86MX)

CPU speed

Clock speed

Multiplier

JP3

JP4

JP5

JP14

166MHz

60MHz

2.5x

1 & 2

2 & 3

2 & 3

3 & 6, 4 & 7, 5 & 8

200MHz

66MHz

2.5x

2 & 3

1 & 2

2 & 3

3 & 6, 4 & 7, 5 & 8

233MHz

66MHz

3x

2 & 3

1 & 2

2 & 3

1 & 4, 3 & 6, 5 & 8

233MHz

75MHz

2.5x

1 & 2

2 & 3

1 & 2

3 & 6, 4 & 7, 5 & 8

266MHz

75MHz

3x

1 & 2

2 & 3

1 & 2

1 & 4, 3 & 6, 5 & 8

Note: Pins designated should be in the closed position.

CPU SPEED SELECTION (IBM 6X86/6X86L)

CPU speed

Clock speed

Multiplier

JP3

JP4

JP5

JP14

120MHz

50MHz

2x

2 & 3

2 & 3

2 & 3

2 & 5, 3 & 6, 4 & 7

133MHz

55MHz

2x

2 & 3

2 & 3

1 & 2

2 & 5, 3 & 6, 4 & 7

150MHz

60MHz

2x

1 & 2

2 & 3

2 & 3

2 & 5, 3 & 6, 4 & 7

166MHz

66MHz

2x

2 & 3

1 & 2

2 & 3

2 & 5, 3 & 6, 4 & 7

200MHz

75MHz

2x

1 & 2

2 & 3

1 & 2

2 & 5, 3 & 6, 4 & 7

Note: Pins designated should be in the closed position.

CPU SPEED SELECTION (IBM 6X86MX)

CPU speed

Clock speed

Multiplier

JP3

JP4

JP5

JP14

166MHz

60MHz

2.5x

1 & 2

2 & 3

2 & 3

3 & 6, 4 & 7, 5 & 8

200MHz

66MHz

2.5x

2 & 3

1 & 2

2 & 3

3 & 6, 4 & 7, 5 & 8

233MHz

66MHz

3x

2 & 3

1 & 2

2 & 3

1 & 4, 3 & 6, 5 & 8

233MHz

75MHz

2.5x

1 & 2

2 & 3

1 & 2

3 & 6, 4 & 7, 5 & 8

266MHz

75MHz

3x

1 & 2

2 & 3

1 & 2

1 & 4, 3 & 6, 5 & 8

Note: Pins designated should be in the closed position.

CPU SPEED SELECTION (AM K5)

CPU speed

Clock speed

Multiplier

JP3

JP4

JP5

JP14

75MHz

50MHz

1.5x

2 & 3

2 & 3

2 & 3

1 & 4, 2 & 5, 3 & 6

90MHz

60MHz

1.5x

1 & 2

2 & 3

2 & 3

1 & 4, 2 & 5, 3 & 6

100MHz

66MHz

1.5x

2 & 3

1 & 2

2 & 3

1 & 4, 2 & 5, 3 & 6

120MHz

60MHz

2x

1 & 2

2 & 3

2 & 3

2 & 5, 3 & 6, 4 & 7

133MHz

66MHz

2x

2 & 3

1 & 2

2 & 3

2 & 5, 3 & 6, 4 & 7

150MHz

60MHz

2.5x

1 & 2

2 & 3

2 & 3

3 & 6, 4 & 7, 5 & 8

166MHz

66MHz

2.5x

2 & 3

1 & 2

2 & 3

3 & 6, 4 & 7, 5 & 8

Note: Pins designated should be in the closed position.

CPU SPEED SELECTION (AM K6)

CPU speed

Clock speed

Multiplier

JP3

JP4

JP5

JP14

166MHz

66MHz

2.5x

2 & 3

1 & 2

2 & 3

3 & 6, 4 & 7, 5 & 8

200MHz

66MHz

3x

2 & 3

1 & 2

2 & 3

1 & 4, 3 & 6, 5 & 8

233MHz

66MHz

3.5x

2 & 3

1 & 2

2 & 3

1 & 4, 2 & 5, 3 & 6

Note: Pins designated should be in the closed position.

CPU SPEED SELECTION (INTEL)

CPU speed

Clock speed

Multiplier

JP3

JP4

JP5

JP14

75MHz

50MHz

1.5x

2 & 3

2 & 3

2 & 3

1 & 4, 2 & 5, 3 & 6

90MHz

60MHz

1.5x

1 & 2

2 & 3

2 & 3

1 & 4, 2 & 5, 3 & 6

100MHz

66MHz

1.5x

2 & 3

1 & 2

2 & 3

1 & 4, 2 & 5, 3 & 6

120MHz

60MHz

2x

1 & 2

2 & 3

2 & 3

2 & 5, 3 & 6, 4 & 7

133MHz

66MHz

2x

2 & 3

1 & 2

2 & 3

2 & 5, 3 & 6, 4 & 7

150MHz

60MHz

2.5x

1 & 2

2 & 3

2 & 3

3 & 6, 4 & 7, 5 & 8

166MHz

66MHz

2.5x

2 & 3

1 & 2

2 & 3

3 & 6, 4 & 7, 5 & 8

200MHz

66MHz

3x

2 & 3

1 & 2

2 & 3

1 & 4, 3 & 6, 5 & 8

233MHz

66MHz

3.5x

2 & 3

1 & 2

2 & 3

1 & 4, 2 & 5, 3 & 6

Note: Pins designated should be in the closed position.

CPU VOLTAGE SELECTION

Voltage

JP13

 

2.5v

Pins 9 & 10 closed

»

2.8v

Pins 7 & 8 closed

 

2.9v

Pins 5 & 6 closed

 

3.2v

Pins 3 & 4 closed

 

3.3v

Pins 1 & 2 closed

TV OUT SELECTION

Setting

JP9

JP10

»

Not installed

Pins 2 & 3 closed

Pins 2 & 3 closed

 

Installed

Pins 1 & 2 closed

Pins 1 & 2 closed

ONBOARD VIDEO SELECTION

Setting

JP11

JP16

»

Enabled

Open

Pins 1 & 2 closed

 

Disabled

Closed

Pins 2 & 3 closed