EVEREX SYSTEMS, INC.

STEP 486e 12 SLOT (EV-18113) REV. E

Processor

80486DX

Processor Speed

25/33MHz

Chip Set

C & T

Max. Onboard DRAM

None

Cache

256KB

BIOS

AMI

Dimensions

330mm x 218mm

I/O Options

External memory card

NPU Options

4167

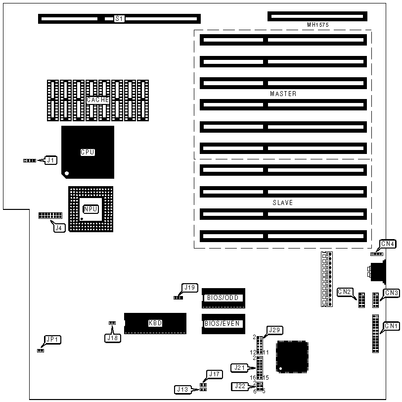
USER CONFIGURABLE SETTINGS

Function

Jumper/Switch

Position

»

EISA setup enabled

J13

Closed

 

EISA setup bypassed

J13

Open

»

Password check enabled

J19

Closed

 

Password check disabled

J19

Open

»

CPU speed select 25MHz

J18

Closed

 

CPU speed select 33MHz

J18

Open

»

BIOS type select 27256

JP1

Closed

 

BIOS type select 27512

JP1

Open

SERIAL PORT CONFIGURATION

Port 1

Port 2

J29/pins 1 & 2

J29/pins 3 & 4

J29/pins 5 & 6

J29/pins 7 & 8

»

COM1

COM2

Closed

Open

Closed

Open

 

COM1

Disabled

Closed

Open

Open

Open

 

Disabled

COM2

Open

Open

Closed

Open

 

COM3

COM4

Open

Closed

Open

Closed

 

COM3

Disabled

Open

Closed

Open

Open

 

Disabled

COM4

Open

Open

Open

Closed

SERIAL PORT 1 INTERRUPTS

Port 1

J21/pins 1 & 2

J21/pins 3 & 4

J21/pins 5 & 6

J21/pins 7 & 8

»

IRQ3

Open

Open

Closed

Open

 

IRQ4

Open

Closed

Open

Open

 

IRQ5

Closed

Open

Open

Open

 

IRQ9

Open

Open

Open

Closed

SERIAL PORT 2 INTERRUPTS

Port 2

J21/pins 9 & 10

J21/pins 11 & 12

J21/pins 13 & 14

J21/pins 15 & 16

 

IRQ3

Open

Open

Closed

Open

»

IRQ4

Open

Closed

Open

Open

 

IRQ5

Closed

Open

Open

Open

 

IRQ9

Open

Open

Open

Closed

PARALLEL PORT CONFIGURATION

LPT

J29/pins 9 & 10

J29/pins 11 & 12

»

1

Closed

Open

 

2

Open

Closed

 

Disabled

Open

Open

PARALLEL PORT INTERRUPTS

IRQ

J22/pins 1 & 2

J22/pins 3 & 4

J22/pins 5 & 6

 

5

Open

Closed

Open

»

7

Closed

Open

Open

 

9

Open

Open

Closed

DRAM CONFIGURATION

Size

Bank 0

Bank 1

Bank 2

Bank 3

4MB

(4) 256K x 9

(4) 256K x 9

(4) 256K x 9

(4) 256K x 9

4MB

(4) 1M x 9

NONE

NONE

NONE

8MB

(4) 1M x 9

(4) 1M x 9

NONE

NONE

10MB

(4) 1M x 9

(4) 1M x 9

(4) 256K x 9

(4) 256K x 9

16MB

(4) 1M x 9

(4) 1M x 9

(4) 1M x 9

(4) 1M x 9

16MB

(4) 4M x 9

NONE

NONE

NONE

32MB

(4) 4M x 9

(4) 4M x 9

NONE

NONE

34MB

(4) 4M x 9

(4) 4M x 9

(4) 256K x 9

(4) 256K x 9

40MB

(4) 4M x 9

(4) 4M x 9

(4) 1M x 9

(4) 1M x 9

64MB

(4) 4M x 9

(4) 4M x 9

(4) 4M x 9

(4) 4M x 9