DTK COMPUTER, INC.

PAM-0050S (VER. 1.11)

Device Type

Mainboard

Processor

CX 6X86/CX 6X86L/CX 6X86MX/AM K5/AM K6/Pentium/Pentium MMX

Processor Speed

75/90/100/110/120/133/150/166/180/200MHz

Video Chip Set

Unidentified

Chip Set

SIS 5596

Maximum Onboard Memory

512MB (EDO & SDRAM supported)

Maximum Video Memory

Unidentified

Cache

256KB

BIOS

Award/AMI

Dimensions

220mm x 270mm

I/O Options

32-bit PCI slots (4), floppy drive interface, game port, IDE interface, parallel port, PS/2 mouse port, serial ports (2), VGA connector

CONNECTIONS

Purpose

Location

Purpose

Location

Reset switch

J1

IDE interface 2

J18

Suspend LED

J2

Serial port 1

J19

Green PC connector

J3

Serial port 2

J20

Speaker

J4

VGA connector

J21

IDE interface LED

J5

Audio extension card connector

J22

Power LED & keylock

J6

Game port

J23

IR connector

J12

PS/2 mouse interface

J28

Audio in CD-ROM (Mitsumi/Panasonic)

J13

AT power connector

J29

Audio in CD-ROM (Sony)

J14

PS/2 mouse port

J30

Floppy drive interface

J15

IR connector

J33

Parallel port

J16

32-bit PCI slots

PC1 - PC4

IDE interface 1

J17

   

USER CONFIGURABLE SETTINGS

Function

Label

Position

»

CMOS memory normal operation

JP0

Pins 1 & 2 closed

 

CMOS memory clear

JP0

Pins 2 & 3 closed

»

Flash BIOS voltage select 5v

JP5

Pins 2 & 3 closed

 

Flash BIOS voltage select 12v

JP5

Pins 1 & 2 closed

»

Linear burst mode (Cyrix 6x86 only) enabled

JP7

Closed

 

Linear burst mode (Cyrix 6x86 only) disabled

JP7

Open

»

Onboard sound enabled

JP13

Closed

 

Onboard sound disabled

JP13

Open

DRAM CONFIGURATION

Size

Bank 0

Bank 1

8MB

(2) 1MB x 36

None

16MB

(2) 1MB x 36

(2) 1MB x 36

16MB

(2) 2MB x 36

None

24MB

(2) 2MB x 36

(2) 1MB x 36

32MB

(2) 2MB x 36

(2) 2MB x 36

32MB

(2) 4MB x 36

None

40MB

(2) 4MB x 36

(2) 1MB x 36

48MB

(2) 4MB x 36

(2) 2MB x 36

64MB

(2) 4MB x 36

(2) 4MB x 36

64MB

(2) 8MB x 36

None

72MB

(2) 8MB x 36

(2) 1MB x 36

80MB

(2) 8MB x 36

(2) 2MB x 36

96MB

(2) 8MB x 36

(2) 4MB x 36

128MB

(2) 8MB x 36

(2) 8MB x 36

128MB

(2) 16MB x 36

None

136MB

(2) 16MB x 36

(2) 1MB x 36

144MB

(2) 16MB x 36

(2) 2MB x 36

160MB

(2) 16MB x 36

(2) 4MB x 36

192MB

(2) 16MB x 36

(2) 8MB x 36

DRAM CONFIGURATION (CONT.)

Size

Bank 0

Bank 1

256MB

(2) 16MB x 36

(2) 16MB x 36

256MB

(2) 32MB x 36

None

264MB

(2) 32MB x 36

(2) 1MB x 36

272MB

(2) 32MB x 36

(2) 2MB x 36

288MB

(2) 32MB x 36

(2) 4MB x 36

320MB

(2) 32MB x 36

(2) 8MB x 36

384MB

(2) 32MB x 36

(2) 16MB x 36

512MB

(2) 32MB x 36

(2) 32MB x 36

CACHE CONFIGURATION

Size

Bank 0

TAG

256K

(2) 32K x 32

8/16/32K x 8

CPU SPEED SELECTION (INTEL)

CPU speed

Clock speed

Multiplier

JP2

JP3

S4

S5

S6

75MHz

50Mhz

1.5x

1 & 2

1 & 2

Closed

Closed

Open

90MHz

60MHz

1.5x

1 & 2

1 & 2

Closed

Open

Open

100MHz

66MHz

1.5x

1 & 2

1 & 2

Open

Closed

Open

120MHz

60MHz

2x

1 & 2

2 & 3

Closed

Open

Open

133MHz

66MHz

2x

1 & 2

2 & 3

Open

Closed

Open

150MHz

60MHz

2.5x

2 & 3

2 & 3

Closed

Open

Open

166MHz

66MHz

2.5x

2 & 3

2 & 3

Open

Closed

Open

180MHz

60MHz

3x

2 & 3

1 & 2

Open

Closed

Open

200MHz

66MHz

3x

2 & 3

1 & 2

Closed

Open

Open

CPU SPEED SELECTION (INTEL MMX)

CPU speed

Clock speed

Multiplier

JP2

JP3

S4

S5

S6

166MHz

66MHz

2.5x

2 & 3

1 & 2

Open

Closed

Open

200MHz

66MHz

3x

2 & 3

1 & 2

Closed

Open

Open

CPU SPEED SELECTION (CX 6X86)

CPU speed

Clock speed

Multiplier

JP2

JP3

S4

S5

S6

120MHz

50MHz

2x

1 & 2

2 & 3

Closed

Closed

Open

133MHz

55MHz

2x

1 & 2

2 & 3

Open

Open

Open

150MHz

60MHz

2x

1 & 2

2 & 3

Closed

Open

Open

166MHz

66MHz

2x

1 & 2

2 & 3

Open

Closed

Open

200MHz

75MHz

2x

1 & 2

2 & 3

Open

Open

Closed

CPU SPEED SELECTION (AM K5)

CPU speed

Clock speed

Multiplier

JP2

JP3

S4

S5

S6

75MHz

50Mhz

1.5x

1 & 2

1 & 2

Closed

Closed

Open

90MHz

60MHz

1.5x

1 & 2

1 & 2

Closed

Open

Open

100MHz

66MHz

1.5x

1 & 2

1 & 2

Open

Closed

Open

120MHz

60MHz

2x

1 & 2

1 & 2

Closed

Open

Open

133MHz

66MHz

2x

1 & 2

1 & 2

Open

Closed

Open

150MHz

60MHz

2.5x

1 & 2

2 & 3

Closed

Open

Open

166MHz

66MHz

2.5x

1 & 2

2 & 3

Open

Closed

Open

CPU VOLTAGE SELECTION (SINGLE)

Voltage

Q4

JP1

S1

S2

S3

3.4V

2 Transistors installed

Closed

Closed

Closed

Closed

3.5V

2 Transistors installed

Open

Closed

Closed

Closed

3.4V

1 Transistor installed

Closed

N/A

N/A

N/A

3.5V

1 Transistor installed

Closed

N/A

N/A

N/A

CPU VOLTAGE SELECTION (DUAL)

V (I/O)

V Core

Q4

JP1

S1

S2

S3

3.4V

2.8V

2 Transistors installed

Closed

Open

Open

Open

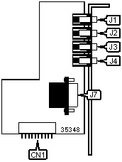
Audio Extension Card

AUDIO EXTENSION CARD CONNECTIONS

Purpose

Location

Purpose

Location

Audio extension card connector

CN1

Line in

J3

Speaker out

J1

Microphone

J4

Line out

J2

VGA connector

J7