DELL COMPUTER CORPORATION
DIMENSION PXXXS
|
Processor |
Pentium |
|
Processor Speed |
133/166/200MHz |
|
Chip Set |
None |
|
Video Chip Set |
None |
|
Maximum Onboard Memory |
64MB |
|
Maximum Video Memory |
None |
|
Cache |
256/512KB |
|
BIOS |
Unidentified |
|
Dimensions |
305mm x 244mm |
|
I/O Options |
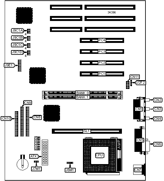
32-bit PCI slots (4), floppy drive interface, IDE interfaces (2), parallel port, PS/2 mouse port, serial ports (2), cache slot, ATX power connector, line in, line out, microphone in, game/MIDI port, wavetable connector, CD-ROM audio in |
|
NPU Options |
None |
|
CONNECTIONS | |||
|
Purpose |
Location |
Purpose |
Location |
|
ATX power connector |
ATX |
IDE interface 1 |
CN9 |
|
Game/MIDI port |
CN1 |
Floppy drive interface |
CN10 |
|
Microphone in |
CN2 |
Wavetable connector |
CN11 |
|
Line in |
CN3 |
CD-ROM audio in |
J2F2 |
|
Line out |
CN4 |
Chassis fan power |
J7M1 |
|
Parallel port |
CN5 |
Front panel connector |
J9E1 |
|
Serial port |
CN6 |
32-bit PCI slots |
PC1 – PC4 |
|
PS/2 mouse port |
CN7 |
Cache slot |
SL1 |
|
IDE interface 2 |
CN8 | ||
|
USER CONFIGURABLE SETTINGS | |||
|
Function |
Label |
Position | |
|
» |
Factory configured - do not alter |
J6M1 |
Pins 2 & 3 closed |
|
Password enabled |
J9C1A |
Pins 1 & 2 closed | |
|
Password disabled |
J9C1A |
Pins 2 & 3 closed | |
|
» |
CMOS memory normal operation |
J9C1A |
Pins 4 & 5 closed |
|
CMOS memory clear |
J9C1A |
Pins 5 & 6 closed | |
|
» |
Setup access enabled |
J9C1B |
Pins 1 & 2 closed |
|
Setup access disabled |
J9C1B |
Pins 2 & 3 closed | |
|
» |
Factory configured - do not alter |
J9C1B/pins 4 - 6 |
Open |
|
DIMM CONFIGURATION | ||
|
Size |
Bank 0 |
Bank 1 |
|
16MB |
(1) 2M x 64 |
None |
|
32MB |
(1) 4M x 64 |
None |
|
32MB |
(1) 2M x 64 |
(1) 2M x 64 |
|
48MB |
(1) 4M x 64 |
(1) 2M x 64 |
|
64MB |
(1) 4M x 64 |
(1) 4M x 64 |
|
CACHE CONFIGURATION | |
|
Size |
SL1 |
|
256KB |
256KB module installed |
|
512KB |
512KB module installed |
|
CPU SPEED SELECTION | ||||
|
CPU speed |
Clock speed |
Multiplier |
J9C1C |
J9C1D |
|
133MHz |
66MHz |
2x |
1 & 2, 5 & 6 |
2 & 3, 4 & 5 |
|
166MHz |
66MHz |
2.5x |
1 & 2, 5 & 6 |
2 & 3, 5 & 6 |
|
200MHz |
66MHz |
3x |
1 & 2, 5 & 6 |
1 & 2, 5 & 6 |
|
Note: Pins designated should be in the closed position. | ||||