ASUS COMPUTER INTERNATIONAL

P5A (REV. 1.04)

Device Type

Mainboard

Processor

CX 6X86L/IBM 6X86L/CX 686MX/IBM 6X86MX/CX MII/IBM MII/

AM K5/AM K6/AM K6-2/Pentium/Pentium MMX

Processor Speed

75/90/100/120/133/150/166/200/233/266/300/333/350MHz

Chip Set

ALI Aladdin V

Maximum Onboard Memory

768MB (SDRAM supported)

Audio Chip Set

ESS

Cache

512KB

BIOS

Unidentified

Dimensions

305mm x 244mm

I/O Options

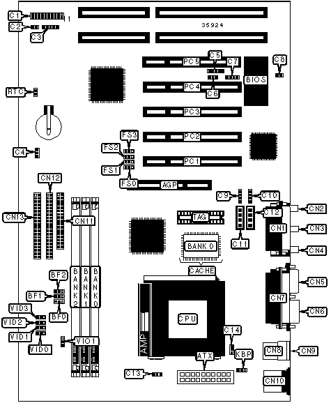
32-bit PCI slots (5), floppy drive interface, game/MIDI port, IDE interfaces (2), parallel port, PS/2 mouse port, serial ports (2), IR connector, USB connectors (2), ATX power connector, AGP slot, line in, line out, microphone in, audio in - CD-ROMs (2), wake on LAN connector

CONNECTIONS

Purpose

Location

Purpose

Location

AGP slot

AGP

Audio in - CD-ROM

C12

ATX power connector

ATX

CPU fan power

C13

Turbo LED

C1/pins 2 & 3

Power fan

C14

Soft off power supply

C1/pins 6 & 7

Game/MIDI port

CN1

Reset switch

C1/pins 9 & 10

Microphone in

CN2

Power LED & keylock

C1/pins 11 - 15

Line in

CN3

Speaker

C1/pins 17 - 20

Line out

CN4

IDE interface LED

C2

Serial port 2

CN5

IR connector

C3

Serial port 1

CN6

Chassis fan power

C4

Parallel port

CN7

SMBus connector

C5

USB connector 1

CN8

Wake on LAN connector

C6

USB connector 2

CN9

Chassis intrusion connector

C7

PS/2 mouse port

CN10

Temperature sensor

C8

Floppy drive interface

CN11

Auxiliary in connector

C9

IDE interface 2

CN12

Modem connector

C10

IDE interface 1

CN13

Audio in - CD-ROM

C11

32-bit PCI slots

PC1 - PC5

USER CONFIGURABLE SETTINGS

Function

Label

Position

»

Keyboard power disabled

KBP

Pins 1 & 2 closed

 

Keyboard power enabled

KBP

Pins 2 & 3 closed

»

CMOS memory normal operation

RTC

Open

 

CMOS memory clear

RTC

Closed

DIMM CONFIGURATION

Size

Bank 0

Bank 1

Bank 2

8MB

(1) 1M x 64

None

None

16MB

(1) 1M x 64

(1) 1M x 64

None

16MB

(1) 2M x 64

None

None

24MB

(1) 1M x 64

(1) 1M x 64

(1) 1M x 64

32MB

(1) 2M x 64

(1) 2M x 64

None

32MB

(1) 4M x 64

None

None

48MB

(1) 2M x 64

(1) 2M x 64

(1) 2M x 64

64MB

(1) 4M x 64

(1) 4M x 64

None

64MB

(1) 8M x 64

None

None

96MB

(1) 4M x 64

(1) 4M x 64

(1) 4M x 64

128MB

(1) 8M x 64

(1) 8M x 64

None

128MB

(1) 16M x 64

None

None

164MB

(1) 16M x 64

(1) 1M x 64

None

144MB

(1) 16M x 64

(1) 1M x 64

(1) 1M x 64

144MB

(1) 16M x 64

(1) 2M x 64

None

160MB

(1) 16M x 64

(1) 2M x 64

(1) 2M x 64

160MB

(1) 16M x 64

(1) 4M x 64

None

192MB

(1) 16M x 64

(1) 4M x 64

(1) 4M x 64

192MB

(1) 16M x 64

(1) 8M x 64

None

192MB

(1) 8M x 64

(1) 8M x 64

(1) 8M x 64

256MB

(1) 16M x 64

(1) 8M x 64

(1) 8M x 64

256MB

(1) 16M x 64

(1) 16M x 64

None

256MB

(1) 32M x 64

None

None

264MB

(1) 32M x 64

(1) 1M x 64

None

272MB

(1) 32M x 64

(1) 1M x 64

(1) 1M x 64

272MB

(1) 32M x 64

(1) 2M x 64

None

288MB

(1) 32M x 64

(1) 2M x 64

(1) 2M x 64

288MB

(1) 32M x 64

(1) 4M x 64

None

320MB

(1) 32M x 64

(1) 4M x 64

(1) 4M x 64

320MB

(1) 32M x 64

(1) 8M x 64

None

384MB

(1) 32M x 64

(1) 8M x 64

(1) 8M x 64

384MB

(1) 32M x 64

(1) 16M x 64

None

384MB

(1) 16M x 64

(1) 16M x 64

(1) 16M x 64

512MB

(1) 32M x 64

(1) 16M x 64

(1) 16M x 64

512MB

(1) 32M x 64

(1) 32M x 64

None

768MB

(1) 32M x 64

(1) 32M x 64

(1) 32M x 64

Note: Board accepts SDRAM memory.

DIMM/AGP VOLTAGE CONFIGURATION

Voltage

VIO1

»

3.5v

Pins 1 & 2 closed

 

3.6v

Pins 2 & 3 closed

CACHE CONFIGURATION

Size

Bank 0

TAG

512KB

(1) 64K x 64

Unidentified

CPU SPEED SELECTION (CX 6X86L)

CPU speed

Clock speed

Multiplier

BF0

BF1

BF2

166MHz

66MHz

2x

2 & 3

1 & 2

Open

Note: Pins designated should be in the closed position.

CPU SPEED SELECTION (CX 6X86L, CON'T)

CPU speed

Clock speed

Multiplier

FS0

FS1

FS2

FS3

166MHz

66MHz

2x

1 & 2

2 & 3

2 & 3

2 & 3

Note: Pins designated should be in the closed position.

CPU SPEED SELECTION (IBM 6X86L)

CPU speed

Clock speed

Multiplier

BF0

BF1

BF2

166MHz

66MHz

2x

2 & 3

1 & 2

Open

Note: Pins designated should be in the closed position.

CPU SPEED SELECTION (IBM 6X86L, CON'T)

CPU speed

Clock speed

Multiplier

FS0

FS1

FS2

FS3

166MHz

66MHz

2x

1 & 2

2 & 3

2 & 3

2 & 3

Note: Pins designated should be in the closed position.

CPU SPEED SELECTION (CX 6X86MX)

CPU speed

Clock speed

Multiplier

BF0

BF1

BF2

166MHz

60MHz

2.5x

2 & 3

2 & 3

Open

200MHz

66MHz

2.5x

2 & 3

2 & 3

Open

233MHz

66MHz

3x

1 & 2

2 & 3

Open

Note: Pins designated should be in the closed position.

CPU SPEED SELECTION (CX 6X86MX, CON'T)

CPU speed

Clock speed

Multiplier

FS0

FS1

FS2

FS3

166MHz

60MHz

2.5x

2 & 3

2 & 3

2 & 3

2 & 3

200MHz

66MHz

2.5x

1 & 2

2 & 3

2 & 3

2 & 3

233MHz

66MHz

3x

1 & 2

2 & 3

2 & 3

2 & 3

Note: Pins designated should be in the closed position.

CPU SPEED SELECTION (IBM 6X86MX)

CPU speed

Clock speed

Multiplier

BF0

BF1

BF2

166MHz

60MHz

2.5x

2 & 3

2 & 3

Open

200MHz

66MHz

2.5x

2 & 3

2 & 3

Open

233MHz

66MHz

3x

1 & 2

2 & 3

Open

Note: Pins designated should be in the closed position.

CPU SPEED SELECTION (IBM 6X86MX, CON'T)

CPU speed

Clock speed

Multiplier

FS0

FS1

FS2

FS3

166MHz

60MHz

2.5x

2 & 3

2 & 3

2 & 3

2 & 3

200MHz

66MHz

2.5x

1 & 2

2 & 3

2 & 3

2 & 3

233MHz

66MHz

3x

1 & 2

2 & 3

2 & 3

2 & 3

Note: Pins designated should be in the closed position.

CPU SPEED SELECTION (CX MII)

CPU speed

Clock speed

Multiplier

BF0

BF1

BF2

300MHz

66MHz

3.5x

1 & 2

1 & 2

Open

300MHz

75MHz

3x

1 & 2

2 & 3

Open

333MHz

83MHz

3x

1 & 2

2 & 3

Open

Note: Pins designated should be in the closed position.

CPU SPEED SELECTION (IBM MII, CON'T)

CPU speed

Clock speed

Multiplier

FS0

FS1

FS2

FS3

300MHz

66MHz

3.5x

1 & 2

2 & 3

2 & 3

2 & 3

300MHz

75MHz

3x

1 & 2

1 & 2

2 & 3

2 & 3

333MHz

83MHz

3x

1 & 2

2 & 3

1 & 2

2 & 3

Note: Pins designated should be in the closed position.

CPU SPEED SELECTION (IBM MII)

CPU speed

Clock speed

Multiplier

BF0

BF1

BF2

300MHz

66MHz

3.5x

1 & 2

1 & 2

Open

300MHz

75MHz

3x

1 & 2

2 & 3

Open

333MHz

83MHz

3x

1 & 2

2 & 3

Open

Note: Pins designated should be in the closed position.

CPU SPEED SELECTION (CX MII, CON'T)

CPU speed

Clock speed

Multiplier

FS0

FS1

FS2

FS3

300MHz

66MHz

3.5x

1 & 2

2 & 3

2 & 3

2 & 3

300MHz

75MHz

3x

1 & 2

1 & 2

2 & 3

2 & 3

333MHz

83MHz

3x

1 & 2

2 & 3

1 & 2

2 & 3

Note: Pins designated should be in the closed position.

CPU SPEED SELECTION (AM K5)

CPU speed

Clock speed

Multiplier

BF0

BF1

BF2

90MHz

60MHz

1.5x

1 & 2

1 & 2

Open

100MHz

66MHz

1.5x

1 & 2

1 & 2

Open

120MHz

60MHz

1.5x

1 & 2

1 & 2

Open

133MHz

66MHz

1.5x

1 & 2

1 & 2

Open

Note: Pins designated should be in the closed position.

CPU SPEED SELECTION (AM K5, CON'T)

CPU speed

Clock speed

Multiplier

FS0

FS1

FS2

FS3

90MHz

60MHz

1.5x

2 & 3

2 & 3

2 & 3

2 & 3

100MHz

66MHz

1.5x

1 & 2

2 & 3

2 & 3

2 & 3

120MHz

60MHz

1.5x

2 & 3

2 & 3

2 & 3

2 & 3

133MHz

66MHz

1.5x

1 & 2

2 & 3

2 & 3

2 & 3

Note: Pins designated should be in the closed position.

CPU SPEED SELECTION (AM K6)

CPU speed

Clock speed

Multiplier

BF0

BF1

BF2

166MHz

66MHz

2.5x

2 & 3

2 & 3

Open

200MHz

66MHz

3x

1 & 2

2 & 3

Open

233MHz

66MHz

3.5x

1 & 2

1 & 2

Open

266MHz

66MHz

4x

2 & 3

1 & 2

2 & 3

300MHz

66MHz

4.5x

2 & 3

2 & 3

2 & 3

Note: Pins designated should be in the closed position.

CPU SPEED SELECTION (AM K6, CON'T)

CPU speed

Clock speed

Multiplier

FS0

FS1

FS2

FS3

166MHz

66MHz

2.5x

1 & 2

2 & 3

2 & 3

2 & 3

200MHz

66MHz

3x

1 & 2

2 & 3

2 & 3

2 & 3

233MHz

66MHz

3.5x

1 & 2

2 & 3

2 & 3

2 & 3

266MHz

66MHz

4x

1 & 2

2 & 3

2 & 3

2 & 3

300MHz

66MHz

4.5x

1 & 2

2 & 3

2 & 3

2 & 3

Note: Pins designated should be in the closed position.

CPU SPEED SELECTION (AM K6-2)

CPU speed

Clock speed

Multiplier

BF0

BF1

BF2

266MHz

66MHz

4x

2 & 3

1 & 2

2 & 3

300MHz

100MHz

3x

1 & 2

2 & 3

Open

333MHz

95MHz

3.5x

1 & 2

1 & 2

Open

350MHz

100MHz

3.5x

1 & 2

1 & 2

Open

Note: Pins designated should be in the closed position.

CPU SPEED SELECTION (AM K6-2, CON'T)

CPU speed

Clock speed

Multiplier

FS0

FS1

FS2

FS3

266MHz

66MHz

4x

1 & 2

2 & 3

2 & 3

2 & 3

300MHz

100MHz

3x

1 & 2

1 & 2

1 & 2

2 & 3

333MHz

95MHz

3.5x

2 & 3

1 & 2

1 & 2

2 & 3

350MHz

100MHz

3.5x

1 & 2

1 & 2

1 & 2

2 & 3

Note: Pins designated should be in the closed position.

CPU SPEED SELECTION (INTEL)

CPU speed

Clock speed

Multiplier

BF0

BF1

BF2

90MHz

60MHz

1.5x

1 & 2

1 & 2

Open

100MHz

66MHz

1.5x

1 & 2

1 & 2

Open

120MHz

60MHz

2x

2 & 3

1 & 2

Open

133MHz

66MHz

2x

2 & 3

1 & 2

Open

150MHz

60MHz

2.5x

2 & 3

2 & 3

Open

166MHz

66MHz

2.5x

2 & 3

2 & 3

Open

Note: Pins designated should be in the closed position.

CPU SPEED SELECTION (INTEL, CON'T)

CPU speed

Clock speed

Multiplier

FS0

FS1

FS2

FS3

90MHz

60MHz

1.5x

2 & 3

2 & 3

2 & 3

2 & 3

100MHz

66MHz

1.5x

1 & 2

2 & 3

2 & 3

2 & 3

120MHz

60MHz

2x

2 & 3

2 & 3

2 & 3

2 & 3

133MHz

66MHz

2x

1 & 2

2 & 3

2 & 3

2 & 3

150MHz

60MHz

2.5x

2 & 3

2 & 3

2 & 3

2 & 3

166MHz

66MHz

2.5x

1 & 2

2 & 3

2 & 3

2 & 3

Note: Pins designated should be in the closed position.

CPU SPEED SELECTION (INTEL MMX)

CPU speed

Clock speed

Multiplier

BF0

BF1

BF2

166MHz

66MHz

2.5x

2 & 3

2 & 3

Open

200MHz

66MHz

3x

1 & 2

2 & 3

Open

233MHz

66MHz

3.5x

1 & 2

1 & 2

Open

Note: Pins designated should be in the closed position.

CPU SPEED SELECTION (INTEL MMX, CON'T)

CPU speed

Clock speed

Multiplier

FS0

FS1

FS2

FS3

166MHz

66MHz

2.5x

1 & 2

2 & 3

2 & 3

2 & 3

200MHz

66MHz

3x

1 & 2

2 & 3

2 & 3

2 & 3

233MHz

66MHz

3.5x

1 & 2

2 & 3

2 & 3

2 & 3

Note: Pins designated should be in the closed position.

CPU VOLTAGE SELECTION (SINGLE)

Voltage

VID0

VID1

VID2

VID3

3.4v

Pins 1 & 2 closed

Pins 2 & 3 closed

Pins 2 & 3 closed

Pins 2 & 3 closed

3.5v

Pins 2 & 3 closed

Pins 2 & 3 closed

Pins 2 & 3 closed

Pins 2 & 3 closed

CPU VOLTAGE SELECTION (DUAL)

Voltage

VID0

VID1

VID2

VID3

2.2v

Pins 1 & 2 closed

Pins 2 & 3 closed

Pins 1 & 2 closed

Pins 1 & 2 closed

2.8v

Pins 1 & 2 closed

Pins 1 & 2 closed

Pins 1 & 2 closed

Pins 2 & 3 closed

2.9v

Pins 2 & 3 closed

Pins 1 & 2 closed

Pins 1 & 2 closed

Pins 2 & 3 closed

3.2v

Pins 1 & 2 closed

Pins 1 & 2 closed

Pins 2 & 3 closed

Pins 2 & 3 closed