ACER, INC.

AX53

Device Type

Mainboard

Processor

CX 6X86/AM K5/AM K6/Pentium/Pentium MMX

Processor Speed

75/90/100/120/133/150/166/200MHz

Chip Set

Intel

Video Chip Set

None

Maximum Onboard Memory

512MB (EDO & SDRAM supported)

Maximum Video Memory

None

Cache

256/512KB

BIOS

AMI

Dimensions

284mm x 208mm

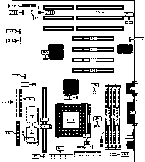
I/O Options

32-bit PCI slots (4), floppy drive interface, green PC connector, IDE interfaces (2), parallel port, PS/2 mouse port, serial ports (2), cache slot, IR connector, USB connector, ATX power connector

NPU Options

None

CONNECTIONS

Purpose

Location

Purpose

Location

ATX power connector

ATX

IDE interface LED

CN13

Serial port 2

C1

USB connector

CN14

Parallel port

C2

Power LED & keylock

CN15/pins 1 - 5

PS/2 mouse port

C3

Speaker

CN15/pins 7 - 10

Serial port 1

CN1

Green PC LED

CN15/pins 12 & 13

CPU fan power

CN5

Green PC connector

CN15/pins 15 - 17

Floppy drive interface

CN6

Reset switch

CN15/pins 19 & 20

IDE interface 2

CN9

32-bit PCI slots

PC1 - PC4

IDE interface 1

CN10

Cache slot

SL1

IR connector

CN12

   

USER CONFIGURABLE SETTINGS

Function

Label

Position

»

ATX power supply enabled

JP1

Pins 2 & 3 closed

 

ATX power supply disabled

JP1

Pins 1 & 2 closed

»

CMOS memory normal operation

JP9

Pins 1 & 2 closed

 

CMOS memory clear

JP9

Pins 2 & 3 closed

»

On board I/O enabled

JP12

Pins 1 & 2 closed

 

On board I/O disabled

JP12

Pins 2 & 3 closed

»

Factory configured - do not alter

JP13

Unidentified

»

PS/2 mouse enabled

JP14

Closed

 

PS/2 mouse disabled

JP14

Open

»

Keyboard clock select ISA clock

JP15

Pins 1 & 2 closed

 

Keyboard clock select 12MHz

JP15

Pins 3 & 4 closed

SIMM CONFIGURATION

Size

Bank 0

Bank 1

8MB

(2) 1M x 36

None

16MB

(2) 2M x 36

None

16MB

(2) 1M x 36

(2) 1M x 36

24MB

(2) 2M x 36

(2) 1M x 36

32MB

(2) 4M x 36

None

32MB

(2) 2M x 36

(2) 2M x 36

40MB

(2) 4M x 36

(2) 1M x 36

48MB

(2) 4M x 36

(2) 2M x 36

64MB

(2) 8M x 36

None

64MB

(2) 4M x 36

(2) 4M x 36

72MB

(2) 8M x 36

(2) 1M x 36

SIMM CONFIGURATION (CON'T)

Size

Bank 0

Bank 1

80MB

(2) 8M x 36

(2) 2M x 36

96MB

(2) 8M x 36

(2) 4M x 36

128MB

(2) 8M x 36

(2) 8M x 36

128MB

(2) 16M x 36

None

136MB

(2) 16M x 36

(2) 1M x 36

144MB

(2) 16M x 36

(2) 2M x 36

160MB

(2) 16M x 36

(2) 4M x 36

192MB

(2) 16M x 36

(2) 8M x 36

256MB

(2) 16M x 36

(2) 16M x 36

256MB

(2) 32M x 36

None

264MB

(2) 32M x 36

(2) 1M x 36

272MB

(2) 32M x 36

(2) 2M x 36

288MB

(2) 32M x 36

(2) 4M x 36

320MB

(2) 32M x 36

(2) 8M x 36

384MB

(2) 32M x 36

(2) 16M x 36

512MB

(2) 32M x 36

(2) 32M x 36

Note: Board accepts EDO memory.

CACHE CONFIGURATION

Size

Bank 0

SL1

256KB

(2) 32K x 32

Not installed

512KB

(2) 32K x 32

256KB module installed

CACHE JUMPER CONFIGURATION

Size

JP7

256KB

Pins 1 & 2 closed

512KB

Pins 2 & 3 closed

CACHE MODULE CONFIGURATION

Type

JP16

Module with TAG

Pins 2 & 3 closed

Module without TAG

Pins 1 & 2 closed

CPU SPEED SELECTION (CX 6X86)

CPU speed

Clock speed

Multiplier

JP2

JP4

JP5

JP8

120MHz

50MHz

2x

Open

1 & 2, 3 & 4, 5 & 6

Open

1 & 2, 3 & 4

133MHz

55MHz

2x

Open

1 & 2, 3 & 4, 5 & 6

Open

Open

150MHz

60MHz

2x

Open

1 & 2, 3 & 4, 5 & 6

Open

1 & 2

Note: Pins designated should be in the closed position.

CPU SPEED SELECTION (AM K5)

CPU speed

Clock speed

Multiplier

JP2

JP4

JP5

JP8

75MHz

50MHz

1.5x

1 & 2

1 & 2, 3 & 4, 5 & 6

Open

1 & 2, 3 & 4

90MHz

60MHz

1.5x

1 & 2

1 & 2, 3 & 4, 5 & 6

Open

1 & 2

100MHz

66MHz

1.5x

1 & 2

1 & 2, 3 & 4, 5 & 6

Open

3 & 4

Note: Pins designated should be in the closed position.

CPU SPEED SELECTION (INTEL)

CPU speed

Clock speed

Multiplier

JP2

JP4

JP5

JP8

75MHz

50MHz

1.5x

1 & 2, 3 & 4

1 & 2, 3 & 4, 5 & 6

Open

1 & 2, 3 & 4

90MHz

60MHz

1.5x

1 & 2, 3 & 4

1 & 2, 3 & 4, 5 & 6

Open

1 & 2

100MHz

66MHz

1.5x

1 & 2, 3 & 4

1 & 2, 3 & 4, 5 & 6

Open

3 & 4

120MHz

60MHz

2x

3 & 4, 5 & 6

1 & 2, 3 & 4, 5 & 6

Open

1 & 2

133MHz

66MHz

2x

3 & 4, 5 & 6

1 & 2, 3 & 4, 5 & 6

Open

3 & 4

150MHz

60MHz

2.5x

5 & 6, 7 & 8

1 & 2, 3 & 4, 5 & 6

Open

1 & 2

166MHz

66MHz

2.5x

5 & 6, 7 & 8

1 & 2, 3 & 4, 5 & 6

Open

3 & 4

200MHz

66MHz

3x

1 & 2, 7 & 8

1 & 2, 3 & 4, 5 & 6

Open

3 & 4

Note: Pins designated should be in the closed position.

CPU SPEED SELECTION (INTEL MMX)

CPU speed

Clock speed

Multiplier

JP2

JP4

JP5

JP8

150MHz

60MHz

2.5x

5 & 6, 7 & 8

Open

1 & 2, 3 & 4

1 & 2

166MHz

66MHz

2.5x

5 & 6, 7 & 8

Open

1 & 2, 3 & 4

3 & 4

200MHz

66MHz

3x

1 & 2, 7 & 8

Open

1 & 2, 3 & 4

3 & 4

Note: Pins designated should be in the closed position.

CPU VOLTAGE SELECTION (SINGLE)

Voltage

JP6

»

3.45v

Pins 1 & 2 closed

 

3.52v

Pins 3 & 4 closed

CPU VOLTAGE SELECTION (DUAL)

V core

JP3

 

2.5v

Pins 11 & 12 closed

 

2.7v

Pins 9 & 10 closed

 

2.8v

Pins 7 & 8 closed

 

2.9v

Pins 5 & 6 closed

»

3.43v

Pins 3 & 4 closed

 

3.52v

Pins 1 & 2 closed