ASUS COMPUTER INTERNATIONAL

P2L-M (REV. 1.01)

Device Type

Mainboard

Processor

Pentium II

Processor Speed

233/266/300/333MHz

Chip Set

Intel

Video Chip Set

None

Maximum Onboard Memory

256MB (EDO & SDRAM supported)

Maximum Video Memory

None

Cache

256/512KB (located on Pentium II CPU)

BIOS

Unidentified

Dimensions

305mm x 244mm

I/O Options

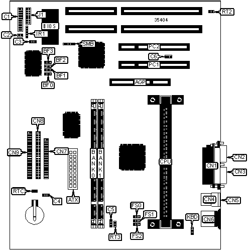
32-bit PCI slots (2), floppy drive interface, green PC connector, IDE interfaces (2), parallel port, PS/2 mouse port, serial ports (2), IR connector, USB connectors (2), ATX power connector, AGP slot

NPU Options

None

CONNECTIONS

Purpose

Location

Purpose

Location

AGP slot

AGP

Parallel port

CN1

ATX power connector

ATX

Serial port 2

CN2

Power LED & keylock

C1/pins 1 - 5

Serial port 1

CN3

Speaker

C1/pins 7 - 10

USB connector 1

CN4

Message LED

C1/pins 12 & 13

USB connector 2

CN5

Green PC connector

C1/pins 14 & 15

PS/2 mouse port

CN6

Soft off power supply

C1/pins 16 & 17

Floppy drive interface

CN7

Reset switch

C1/pins 19 & 20

IDE interface 2

CN8

IDE interface LED

C2

IDE interface 1

CN9

Chassis fan power

C3

IR connector

IR1

Fan power

C4

32-bit PCI slots

PC1 - PC2

CPU fan power

C5

Thermal temperature sensor

RT3

Wake on LAN connector

C6

 

 

USER CONFIGURABLE SETTINGS

Function

Label

Position

»

Factory configured - do not alter

J1

Unidentified

»

Keyboard power disabled

KBD

Pins 1 & 2 closed

 

Keyboard power enabled

KBD

Pins 2 & 3 closed

»

CMOS memory normal operation

RTC

Open

 

CMOS memory clear

RTC

Closed

»

Factory configured - do not alter

RT2

Unidentified

»

Factory configured - do not alter

SMB

Unidentified

DIMM CONFIGURATION

Size

Bank 0

Bank 1

8MB

(1) 1M x 64

None

16MB

(1) 2M x 64

None

16MB

(1) 1M x 64

(1) 1M x 64

24MB

(1) 2M x 64

(1) 1M x 64

32MB

(1) 4M x 64

None

32MB

(1) 2M x 64

(1) 2M x 64

40MB

(1) 4M x 64

(1) 1M x 64

48MB

(1) 4M x 64

(1) 2M x 64

64MB

(1) 8M x 64

None

64MB

(1) 4M x 64

(1) 4M x 64

DIMM CONFIGURATION (CON'T)

Size

Bank 0

Bank 1

72MB

(1) 8M x 64

(1) 1M x 64

80MB

(1) 8M x 64

(1) 2M x 64

96MB

(1) 8M x 64

(1) 4M x 64

128MB

(1) 16M x 64

None

128MB

(1) 8M x 64

(1) 8M x 64

136MB

(1) 16M x 64

(1) 1M x 64

144MB

(1) 16M x 64

(1) 2M x 64

160MB

(1) 16M x 64

(1) 4M x 64

192MB

(1) 16M x 64

(1) 8M x 64

256MB

(1) 16M x 64

(1) 16M x 64

Note: Board accepts EDO & SDRAM memory.

CACHE CONFIGURATION

Note: 256KB/512KB cache is located on the Pentium II CPU.

CPU SPEED SELECTION

CPU speed

Clock speed

Multiplier

FS0

FS1

FS2

233MHz

66MHz

3.5x

1 & 2

1 & 2

1 & 2

266MHz

66MHz

4x

1 & 2

1 & 2

1 & 2

300MHz

66MHz

4.5x

1 & 2

1 & 2

1 & 2

333MHz

66MHz

5x

1 & 2

1 & 2

1 & 2

Note: Pins designated should be in the closed position.

CPU SPEED SELECTION (CON'T)

CPU speed

Clock speed

Multiplier

BF0

BF1

BF2

BF3

233MHz

66MHz

3.5x

1 & 2

1 & 2

2 & 3

2 & 3

266MHz

66MHz

4x

2 & 3

2 & 3

1 & 2

2 & 3

300MHz

66MHz

4.5x

1 & 2

2 & 3

1 & 2

2 & 3

333MHz

66MHz

5x

2 & 3

1 & 2

1 & 2

2 & 3

Note: Pins designated should be in the closed position.