ACHME COMPUTER, INC.

MS-6111

Processor

Pentium II

Processor Speed

200/233/266/300/333MHz

Chip Set

Intel

Video Chip Set

None

Maximum Onboard Memory

1GB (EDO supported)

Maximum Video Memory

None

Cache

256/512KB (located on Pentium II CPU)

BIOS

Unidentified

Dimensions

300mm x 230mm

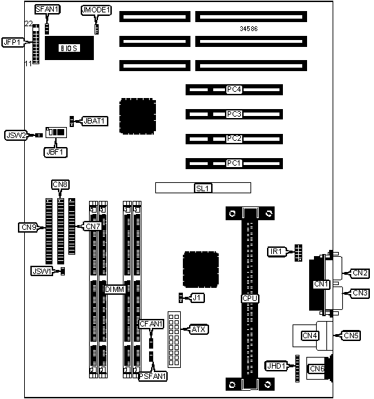
I/O Options

32-bit PCI slots (4), floppy drive interface, IDE interfaces (2), PS/2 mouse port, serial ports (2), IR connector, USB connector, ATX power connector, AGP slot

NPU Options

None

CONNECTIONS

Purpose

Location

Purpose

Location

ATX power connector

ATX

Power LED & keylock

JFP1/pins 1 - 5

Parallel port

CN1

Speaker

JFP1/pins 7 - 10

Serial port 1

CN2

Turbo LED

JFP1/pins 12 & 13

Serial port 2

CN3

Reset switch

JFP1/pins 19 & 20

USB connector 1

CN4

IDE interface LED

JFP1/pins 21 & 22

USB connector 2

CN5

Soft off power supply

JSW1

PS/2 mouse port

CN6

Soft off power supply

JSW2

Floppy drive interface

CN7

32-bit PCI slots

PC1 – PC4

IDE interface 2

CN8

Power supply fan

PSFAN1

IDE interface 1

CN9

Chassis fan power

SFAN1

CPU fan

CFAN1

AGP slot

SL1

IR connector

IR1

   

USER CONFIGURABLE SETTINGS

Function

Label

Position

»

Factory configured - do not alter

J1

Unidentified

»

CMOS memory normal operation

JBAT1

Pins 1 & 2 closed

 

CMOS memory clear

JBAT1

Pins 2 & 3 closed

»

Factory configured - do not alter

JHD1

Unidentified

»

Flash BIOS voltage select 5v

JMODE1

Pins 2 & 3 closed

 

Flash BIOS voltage select 12v

JMODE1

Pins 1 & 2 closed

DIMM CONFIGURATION

Size

Bank 0

Bank 1

Bank 2

Bank 3

8MB

(1) 1M x 64

None

None

None

16MB

(1) 2M x 64

None

None

None

16MB

(1) 1M x 64

(1) 1M x 64

None

None

24MB

(1) 2M x 64

(1) 1M x 64

None

None

24MB

(1) 1M x 64

(1) 1M x 64

(1) 1M x 64

None

32MB

(1) 4M x 64

None

None

None

32MB

(1) 2M x 64

(1) 2M x 64

None

None

32MB

(1) 1M x 64

(1) 1M x 64

(1) 1M x 64

(1) 1M x 64

40MB

(1) 4M x 64

(1) 1M x 64

None

None

48MB

(1) 4M x 64

(1) 2M x 64

None

None

48MB

(1) 2M x 64

(1) 2M x 64

(1) 2M x 64

None

64MB

(1) 8M x 64

None

None

None

64MB

(1) 4M x 64

(1) 4M x 64

None

None

64MB

(1) 2M x 64

(1) 2M x 64

(1) 2M x 64

(1) 2M x 64

72MB

(1) 8M x 64

(1) 1M x 64

None

None

80MB

(1) 8M x 64

(1) 2M x 64

None

None

96MB

(1) 8M x 64

(1) 4M x 64

None

None

DIMM CONFIGURATION (CON’T)

Size

Bank 0

Bank 1

Bank 2

Bank 3

96MB

(1) 4M x 64

(1) 4M x 64

(1) 4M x 64

None

128MB

(1) 8M x 64

(1) 8M x 64

None

None

128MB

(1) 4M x 64

(1) 4M x 64

(1) 4M x 64

(1) 4M x 64

128MB

(1) 16M x 64

None

None

None

192MB

(1) 8M x 64

(1) 8M x 64

(1) 8M x 64

None

256MB

(1) 8M x 64

(1) 8M x 64

(1) 8M x 64

(1) 8M x 64

256MB

(1) 16M x 64

(1) 16M x 64

None

None

256MB

(1) 32M x 64

None

None

None

384MB

(1) 16M x 64

(1) 16M x 64

(1) 16M x 64

None

512MB

(1) 16M x 64

(1) 16M x 64

(1) 16M x 64

(1) 16M x 64

512MB

(1) 32M x 64

(1) 32M x 64

None

None

768MB

(1) 32M x 64

(1) 32M x 64

(1) 32M x 64

None

1GB

(1) 32M x 64

(1) 32M x 64

(1) 32M x 64

(1) 32M x 64

Note: If SDRAM are used the maximum memory is 512MB. If EDO is used the maximum memory is 1GB.

CACHE CONFIGURATION

Note: 256KB/512KB cache is located on the Pentium II CPU.

CPU SPEED SELECTION

Speed

JBF1/1

JBF1/2

JBF1/3

JBF1/4

200MHz

On

Off

On

On

233MHz

On

Off

Off

On

266MHz

Off

On

On

On

300MHz

Off

On

Off

On

333MHz

Off

Off

On

On