ALPHA MICROSYSTEMS

AM-338, AM-339 RJE BOARD SET

Processor

Z-80

Processor Speed

4MHz

Chip Set

Unidentified

Video Chip Set

None

Maximum Onboard Memory

None

Maximum Video Memory

None

Cache

None

BIOS

Unidentified

Dimensions

Unidentified

I/O Options

Debug/trace port, synchronous communication port

NPU Options

None

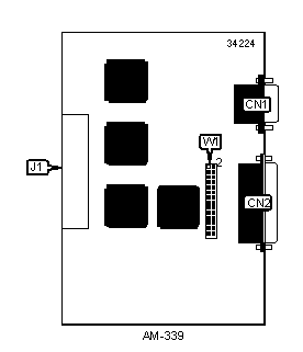
CONNECTIONS

Purpose

Location

Purpose

Location

Debug/trace port

CN1

AM-338 board connector

J1

Synchronous communication port

CN2

   

DTE/DCE CONFIGURATION

Setting

W1

DTE

1 & 2, 5 & 6, 9 & 10 13 & 14, 18 & 19, 21 & 22, 23 & 24, 25 & 26

DCE

3 & 4, 7 & 8, 11 & 12, 15 & 16, 19 & 20, 21 & 22, 23 & 24, 25 & 26

DCE (test mode)

3 & 4, 7 & 8, 11 & 12, 15 & 16, 19 & 20, 21 & 22, 23 & 25, 27 & 28

Note: Pins designated should be in the closed position.

CONNECTIONS

Purpose

Location

AM-339 board connector

J1

USER CONFIGURABLE SETTINGS

Function

Label

Position

»

Factory configured - do not alter

W1

Pins 5 & 6 closed

»

Factory configured - do not alter

W2

Closed

MISCELLANEOUS TECHNICAL NOTE

These boards provide a bisync interface for the Alpha Micro AM-1600 (Desktop and Deskside) allowing an interface between IBM mainframes when used with AlphaRJE software.