LAVA COMPUTER MANUFACTURING, INC.

LAVA RS422-550

Card Type

Multi-I/O card

Chip Set

Unidentified

Maximum Onboard Memory

Unidentified

I/O Options

Serial ports (2 RS-422)

Hard Drives supported

None

Floppy drives supported

None

Data Bus

8-bit ISA

Card Size

Half-length

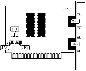
CONNECTIONS

Function

Label

Function

Label

9-pin serial port A

CN1

9-pin serial port B

CN2

SERIAL PORT A ADDRESS SELECTION

Setting

JP3

COM1 (3F8h)

Pins 1 & 2 closed

COM2 (2F8h)

Pins 2 & 3 closed

COM3 (3E8h)

Pins 4 & 5 closed

COM4 (2E8h)

Pins 5 & 6 closed

Disabled

Open

SERIAL PORT B ADDRESS SELECTION

Setting

JP2

COM1 (3F8h)

Pins 1 & 2 closed

COM2 (2F8h)

Pins 2 & 3 closed

COM3 (3E8h)

Pins 4 & 5 closed

COM4 (2E8h)

Pins 5 & 6 closed

Disabled

Open

SERIAL PORT A INTERRUPT SELECTION

IRQ

JP1

IRQ4

Pins 1 & 2 closed

IRQ3

Pins 2 & 3 closed

SERIAL PORT B INTERRUPT SELECTION

IRQ

JP1

IRQ3

Pins 3 & 4 closed

IRQ4

Pins 4 & 5 closed