DELL COMPUTER CORPORATION
WINDOWS SOUND SYSTEM BOARD
|
Card Type |
Sound card |
|
Chip Set |
Unidentified |
|
I/O Options |
Speaker/Line out, Line out (2), Line in, Microphone jack |
|
Data Bus |
8/16-bit ISA |
|
Card Size |
Half-length, full-height card |
|
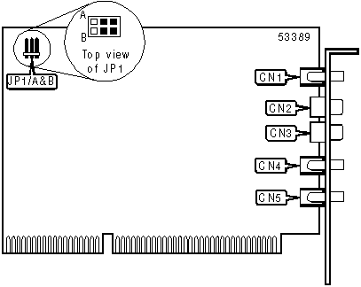
CONNECTIONS | |||
|
Function |
Label |
Function |
Label |
|
Speaker/Line out |
CN1 |
Line in |
CN4 |
|
Line out |
CN2 |
Microphone jack |
CN5 |
|
Line out |
CN3 | ||
|
BASE I/O SELECT | |||
|
Address |
JP1/A |
JP1/B | |
| » |
530h |
Pins 1 & 2 closed |
Pins 1 & 2 closed |
|
604h |
Pins 2 & 3 closed |
Pins 2 & 3 closed | |
|
E80h |
Pins 2 & 3 closed |
Pins 1 & 2 closed | |
|
F40h |
Pins 1 & 2 closed |
Pins 2 & 3 closed | |