CREATIVE LABS, INC.
SOUNDBLASTER 16 SCSI-2
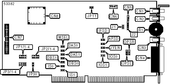
|
Card Type |
Sound card |
|
Chip Set |
Creative Technology |
|
I/O Options |
CD-ROM interface, game/MIDI port, Line in, Speaker/Line out, CD Audio, microphone in, SCSI interface, PC speaker connector, volume control |
|
Data Bus |
16-bit ISA |
|
Card Size |
Three-quarter length, full-height card |
|
CONNECTIONS | |||
|
Function |
Label |
Function |
Label |
|
Line in |
CN1 |
Audio in CD-ROM (unidentified) |
CN6 |
|
Microphone jack |
CN2 |
SCSI interface |
CN7 |
|
Speaker/Line out |
CN3 |
Advanced signal processor socket |
CN8 |
|
Game/MIDI port |
CN4 |
Volume control |
R1 |
|
Audio extension connector |
CN5 |
PC Speaker connector |
JP11 |
|
USER CONFIGURABLE SETTINGS | |||
|
Function |
Label |
Position | |
| » |
Joystick enabled |
JYEN |
Closed |
|
Joystick disabled |
JYEN |
Open | |
|
AUDIO INTERFACE DMA SELECT (8-BIT) | |||
|
Function |
DAS0 |
DAS1 | |
|
Channel 0 |
Closed |
Closed | |
| » |
Channel 1 |
Open |
Closed |
|
Channel 3 |
Closed |
Open | |
|
AUDIO INTERFACE DMA SELECT (16-BIT) | |||
|
Function |
DBS0 |
DBS1 | |
| » |
Channel 5 |
Closed |
Closed |
|
Channel 6 |
Open |
Closed | |
|
Channel 7 |
Closed |
Open | |
|
AUDIO INTERFACE IRQ SELECT | |||
|
Setting |
IS0 |
IS1 | |
|
IRQ 2 |
Closed |
Closed | |
| » |
IRQ 5 |
Open |
Closed |
|
IRQ 7 |
Closed |
Open | |
|
IRQ 10 |
Open |
Open | |
|
AUDIO INTERFACE BASE I/O ADDRESS SELECT | |||
|
Address (Range) |
IOS0 |
IOS1 | |
| » |
220h |
Closed |
Closed |
|
240h |
Open |
Closed | |
|
260h |
Closed |
Open | |
|
280h |
Open |
Open | |
|
MIDI PORT BASE I/O ADDRESS SELECT | ||
|
Address (Range) |
MSEL | |
| » |
330h |
Closed |
|
300h |
Open | |
|
SCSI INTERFACE BASE I/O ADDRESS SELECT | ||
|
Function |
JP30 | |
|
140h |
Closed | |
| » |
340h |
Open |
|
SCSI INTERFACE IRQ SELECT | |||||
|
Setting |
JP2/1 |
JP2/2 |
JP2/3 |
JP2/4 | |
|
IRQ 9 |
Closed |
Open |
Open |
Open | |
|
IRQ 10 |
Open |
Closed |
Open |
Open | |
| » |
IRQ 11 |
Open |
Open |
Closed |
Open |
|
IRQ 12 |
Open |
Open |
Open |
Closed | |
|
SCSI INTERFACE DMA SELECT | ||||||||
|
Setting |
JP1/1 |
JP1/2 |
JP1/3 |
JP1/4 |
JP3/1 |
JP3/2 |
JP3/3 |
JP3/4 |
|
Channel 0 |
Closed |
Open |
Open |
Open |
Closed |
Open |
Open |
Open |
|
Channel 5 |
Open |
Closed |
Open |
Open |
Open |
Closed |
Open |
Open |
|
Channel 6 |
Open |
Open |
Closed |
Open |
Open |
Open |
Closed |
Open |
|
Channel 7 |
Open |
Open |
Open |
Closed |
Open |
Open |
Open |
Closed |
|
AUDIO OUTPUT AMPLIFIER | |||
|
Function |
OPSL |
OPSR | |
| » |
Internal amplifier enabled |
Pin 2-3 closed |
Pin 2-3 closed |
|
External amplifier enabled |
Pin 1-2 closed |
Pin 1-2 closed | |
|
EXTERNAL SPEAKER OUTPUT | |||
|
Function |
J1 |
J2 | |
| » |
Left and right channel enabled |
Closed |
Pins 3 & 4 closed |
|
Left channel enabled |
Open |
Pins 3 & 4 closed | |
|
Right channel enabled |
Closed |
Pins 3 &4 open | |