DTK COMPUTER, INC.
PTI-209
|
Card Type |
Multi I/O card |
|
Chipset/Controller |
SIS |
|
I/O Options |
Game, parallel port, serial ports (2) |
|
Maximum DRAM |
N/A |
|
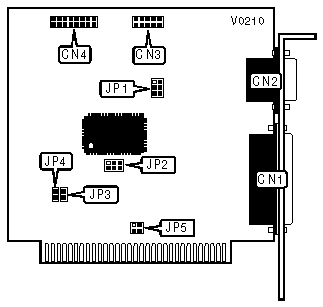
CONNECTIONS | |||
|
Purpose |
Location |
Purpose |
Location |
|
Parallel port |
CN1 |
Serial port 2 |
CN3 |
|
Serial port 1 |
CN2 |
Game port |
CN4 |
|
SERIAL PORT CONFIGURATION | |||
|
Port 1 (CN2) |
Port 2 (CN3) |
JP1 | |
| » |
COM1 |
COM2 |
Pins 2 & 3, 4 & 5 closed |
|
COM2 |
COM1 |
Pins 1 & 2, 5 & 6 closed | |
|
SERIAL PORT INTERRUPT SELECTION | |||
|
Port 1 (CN2) |
Port 2 (CN3) |
JP2 | |
| » |
IRQ4 |
IRQ3 |
Pins 1 & 2, 5 & 6 closed |
|
IRQ3 |
IRQ4 |
Pins 2 & 3, 4 & 5 closed | |
|
PARALLEL PORT INTERRUPT SELECTION (FOR AT COMPUTER) | |||
|
IRQ |
JP3 |
JP5 | |
| » |
7 |
Pins 3 & 4 closed |
Open |
|
5 |
Pins 1 & 2 closed |
Closed | |
|
PARALLEL PORT INTERRUPT SELECTION (FOR XT COMPUTER) | |||
|
IRQ |
JP3 |
JP5 | |
| » |
7 |
Pins 3 & 4 closed |
Open |
|
5 |
Pins 3 & 4 closed |
Closed | |
|
GAME PORT CONFIGURATION | ||
|
Setting |
JP4 | |
| » |
Enabled |
Closed |
|
Disabled |
Open | |