ACS COMPUTER GROUP
LASERWAVE NUCLEUS 16
|
Card Type |
Sound card |
|
Chipset Controller |
ESS Technology, Inc. ES688 |
|
I/O Options |
Game port, MIDI port, line in, mic in, line out, speaker, volume control, CD-ROM interface (4), SCSI interface, SCSI-2 interface |
|
Maximum Dram |
N/A |

|
CONNECTIONS |
|||
|
Purpose |
Location |
Purpose |
Location |
|
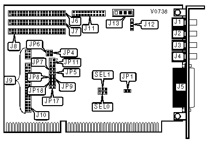
Speaker |
J1 |
Header for SCSI-2 daughterboard |
J8 |
|
Line out |
J2 |
Headers for SCSI daughterboard |
J9 |
|
Line in |
J3 |
Sony CD-ROM interface |
J10 |
|
Mic in |
J4 |
Header for wave-table daughterboard |
J11 |
|
Game/MIDI port |
J5 |
Sony CD audio in |
J12 |
|
Panasonic CD-ROM interface |
J6 |
Panasonic Molex-D 4 CD audio in |
J13 |
|
Mitsumi CD-ROM interface |
J7 |
|
|
|
Note: If your CD's audio cable ends in a Molex-D 3 plug, connect it to the first three pins of J13. |
|||
|
GAME PORT CONFIGURATION |
|
|
» Port |
JP1 |
|
» Enabled |
Closed |
|
» Disabled |
Open |
|
CD-ROM CONFIGURATION |
|
|
» Setting |
JP6 |
|
» Enabled |
Closed |
|
» Disabled |
Open |
|
SCSI CONFIGURATION |
||
|
» Setting |
JP5 |
|
|
» |
Disabled |
Open |
|
» |
Enabled |
Closed |
|
CD-ROM CONFIGURATION |
||
|
» Setting |
JP7 |
|
|
» |
Disabled |
Open |
|
» |
Enabled |
Closed |
|
SOUND CARD MEMORY BASE ADDRESS SELECTION |
|||
|
» Address |
SEL0 |
SEL1 |
|
|
» |
220h |
Pins 1 & 2 closed |
Pins 1 & 2 closed |
|
» |
230h |
Pins 2 & 3 closed |
Pins 1 & 2 closed |
|
» |
240h |
Pins 1 & 2 closed |
Pins 2 & 3 closed |
|
» |
250h |
Pins 2 & 3 closed |
Pins 2 & 3 closed |
|
CD-ROM MEMORY BASE ADDRESS SELECTION |
|||
|
» Address |
JP18 |
JP17 |
|
|
» |
340h |
Closed |
Open |
|
» |
320h |
Open |
Closed |
|
SCSI MEMORY BASE ADDRESS SELECTION |
|||
|
» Address |
JP8 |
JP9 |
|
|
» |
280h |
Closed |
Open |
|
» |
2B0h |
Open |
Closed |
|
SCSI INTERRUPT SELECTION |
|
|
IRQ |
JP11 |
|
5 |
Pins 1 & 2 closed |
|
12 |
Pins 3 & 4 closed |
|
15 |
Pins 5 & 6 closed |
|
CD-ROM TYPE SELECTION |
|
|
Type |
JP6 |
|
Panasonic |
Closed |
|
Sony/Mitsumi/SCSI |
Open |
|
SCSI-2 SELECTION |
||
|
» Setting |
JP4 |
|
|
» |
SCSI-2 daughterboard not installed |
Open |
|
» |
SCSI-2 daughterboard installed |
Closed |